GM Service Manual Online
For 1990-2009 cars only
Makes
🢒
Chevrolet
🢒
2007
🢒
Malibu
🢒 Power, Ground, Front Speakers, Antenna and References
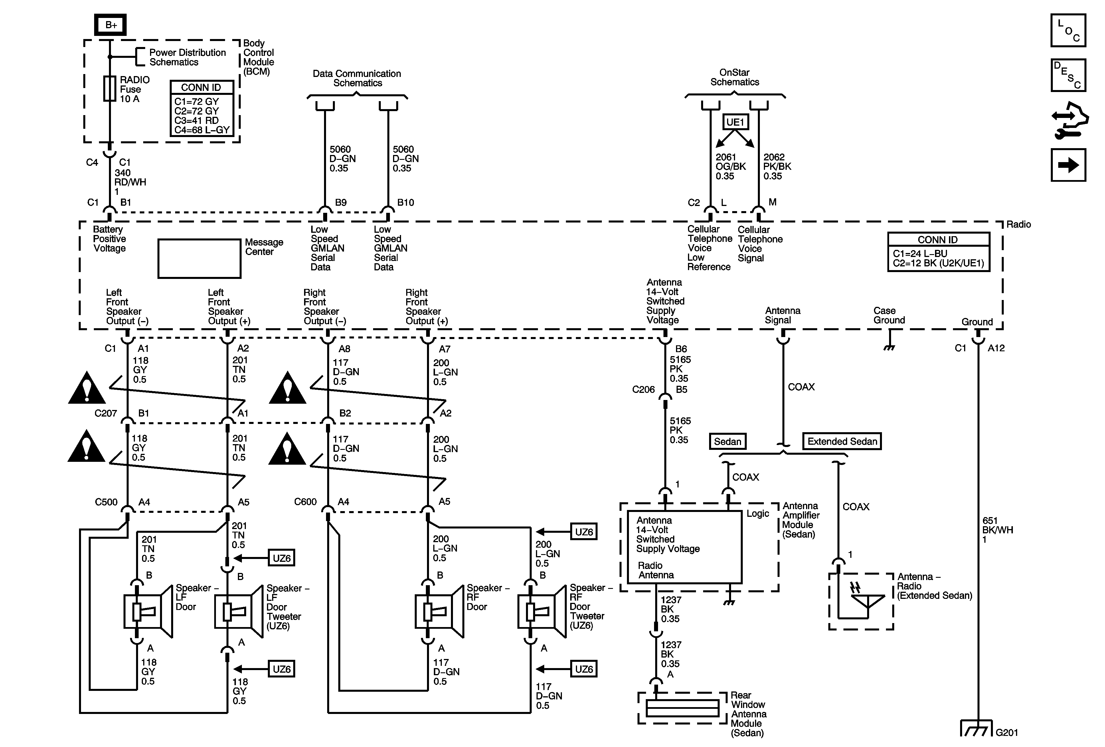
Power, Ground, Front Speakers, Antenna and References
Power, Ground, Front Speakers, Antenna and References
Master Electrical Component List
Radio/Audio System Description and Operation
Control Module References
Rear Speakers w/o UK6, U32 or U2K
Underhood Fuse Block IBCM 1, Body Control Module (BCM) AIRBAG (BATT), CLUSTER/THEFT, HVAC CTRL (BATT), IGN SENSOR and RADIO Fuses
Low Speed Serial Data
OnStar Schematics
G201
Entertainment/Communication Schematic Icons
Entertainment/Communication Schematic Icons
Entertainment/Communication Schematic Icons
Entertainment/Communication Schematic Icons