GM Service Manual Online
For 1990-2009 cars only
Makes
🢒
Chevrolet
🢒
2007
🢒
Malibu
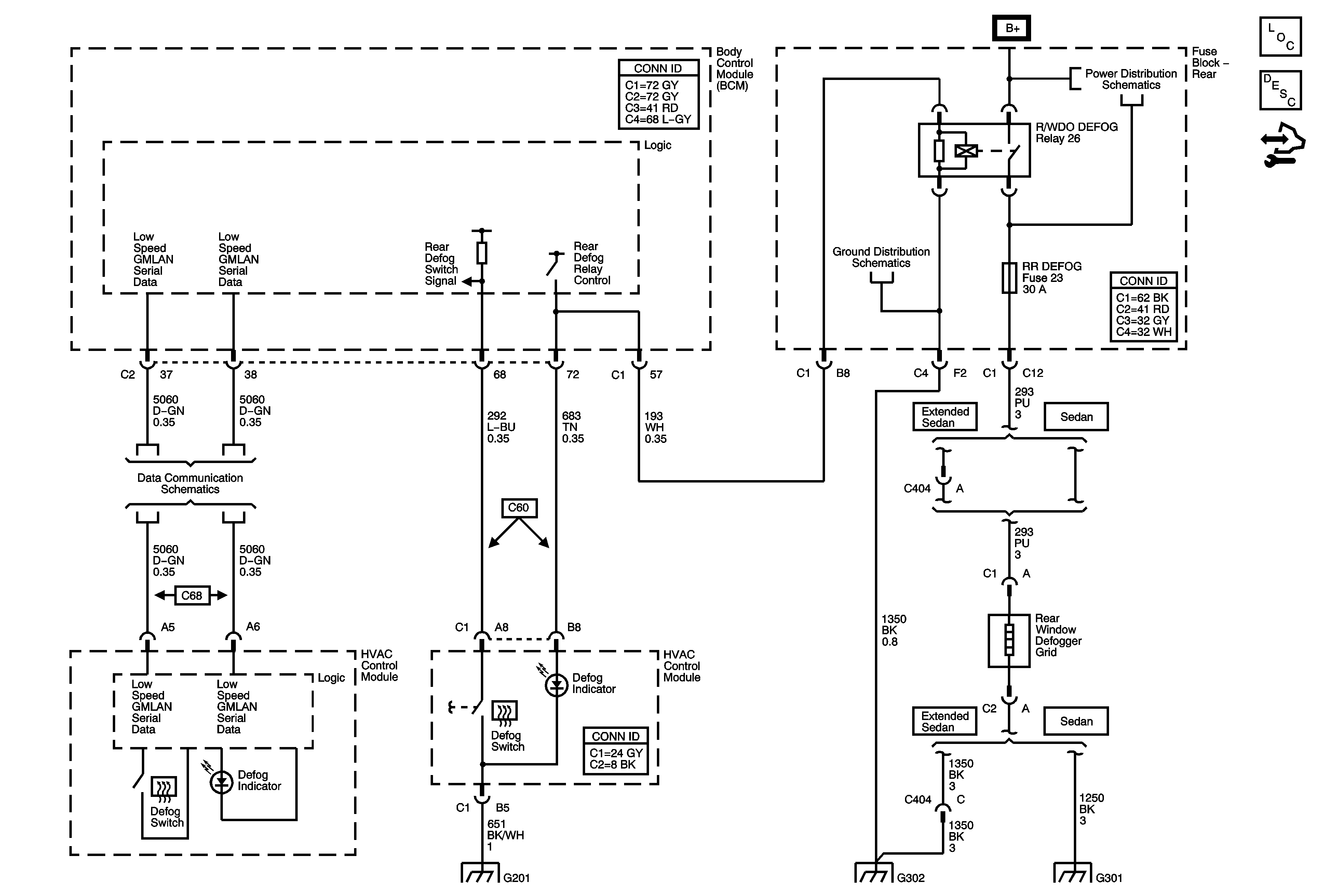
🢒 Defogger Schematics
Defogger Schematics
Master Electrical Component List
Rear Window Defogger Description and Operation
Control Module References
Underhood Fuse Block RBEC 1 and Rear Fuse Block AUX #2, BCK/UP LAMPS, CIG/AUX, HTD MIR, HTD SEAT, RKE/XM/DVD/UGD, RR DEFOG and S/ROOF Fuses
G302
Low Speed Serial Data
G201
G302
G301