GM Service Manual Online
For 1990-2009 cars only
Makes
🢒
Chevrolet
🢒
2007
🢒
Malibu
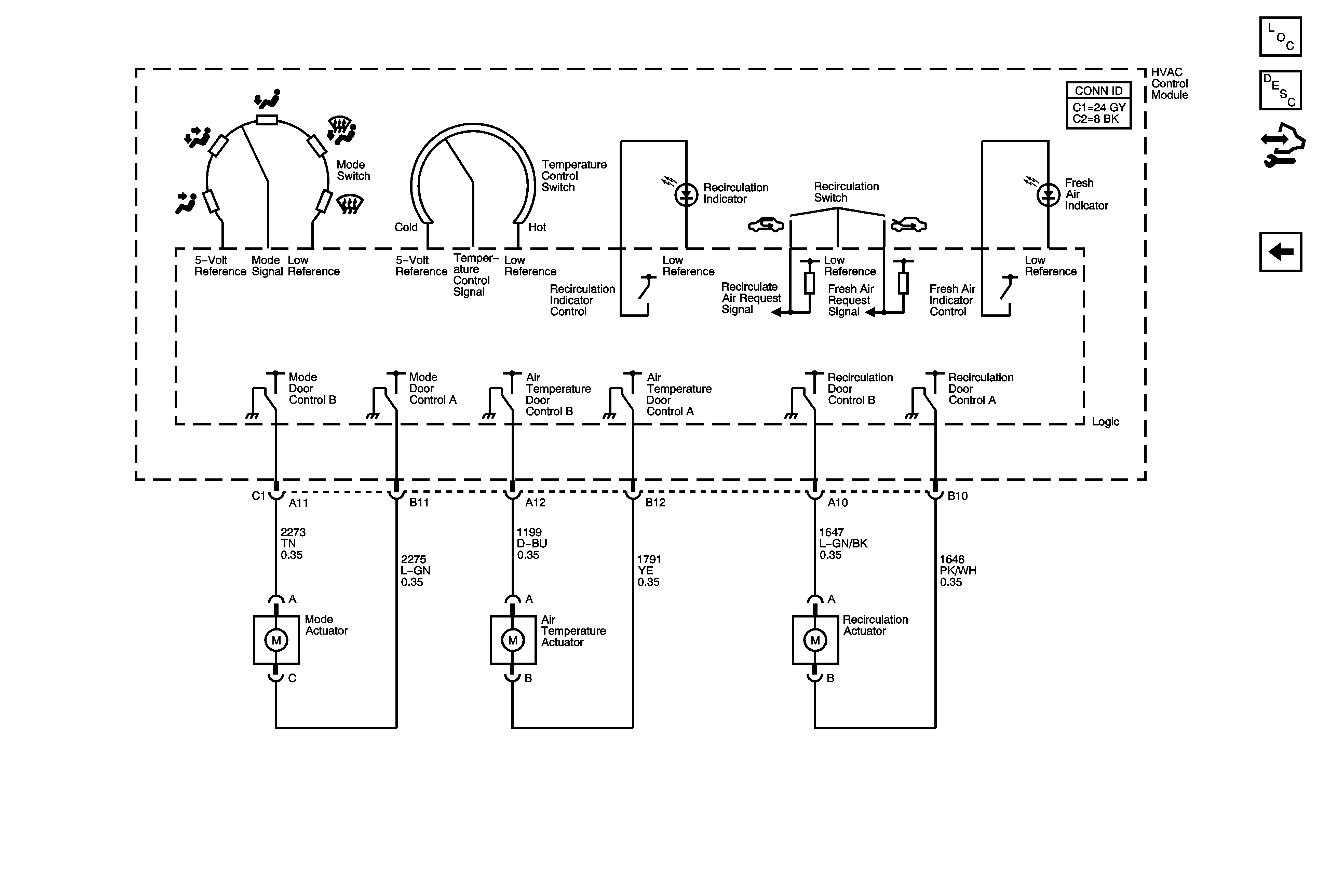
🢒 Air Temperature and Mode Controls
Air Temperature and Mode Controls
Air Temperature and Mode Controls
Master Electrical Component List
Air Delivery Description and Operation
Control Module References
Compressor Controls