GM Service Manual Online
For 1990-2009 cars only

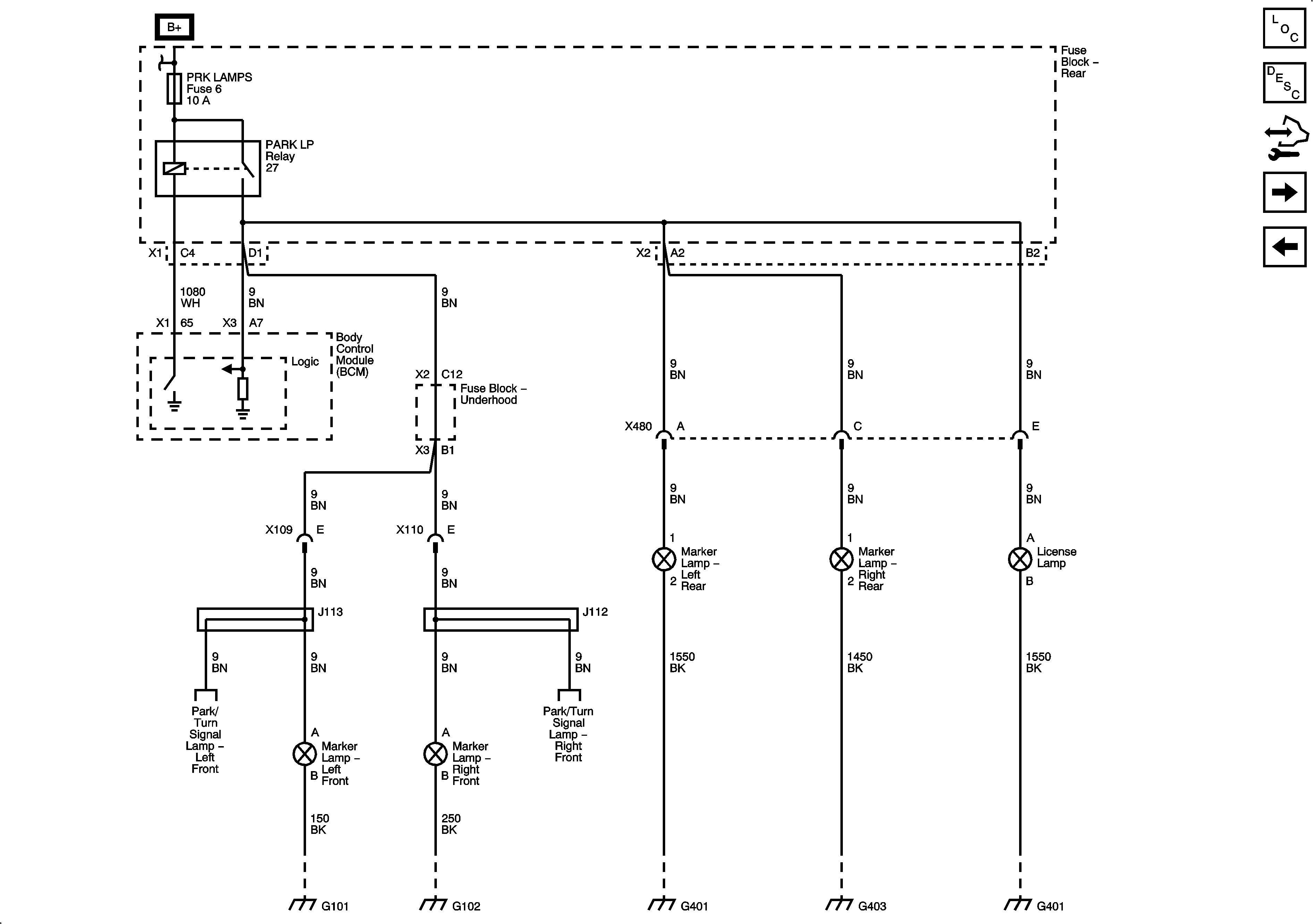
Marker and License Lamps

Marker and License Lamps


Object Number: 1979781  Size: FS
Master Electrical Component List
Exterior Lighting Systems Description and Operation
Backup Lamps
Park Lamps