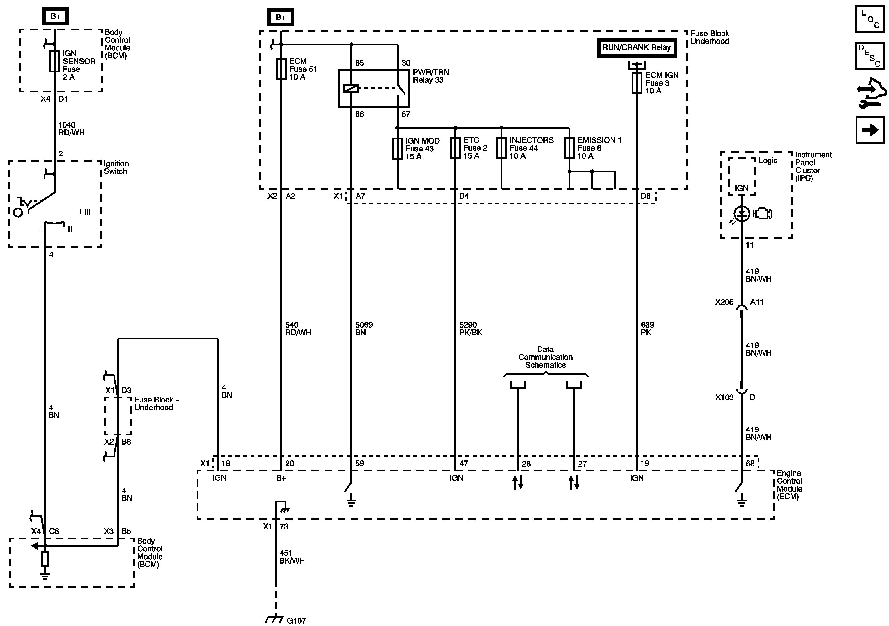
| Figure 1: |
Module Power, Ground, Serial Data and MIL
|
| Figure 2: |
5-Volt and Low References
|
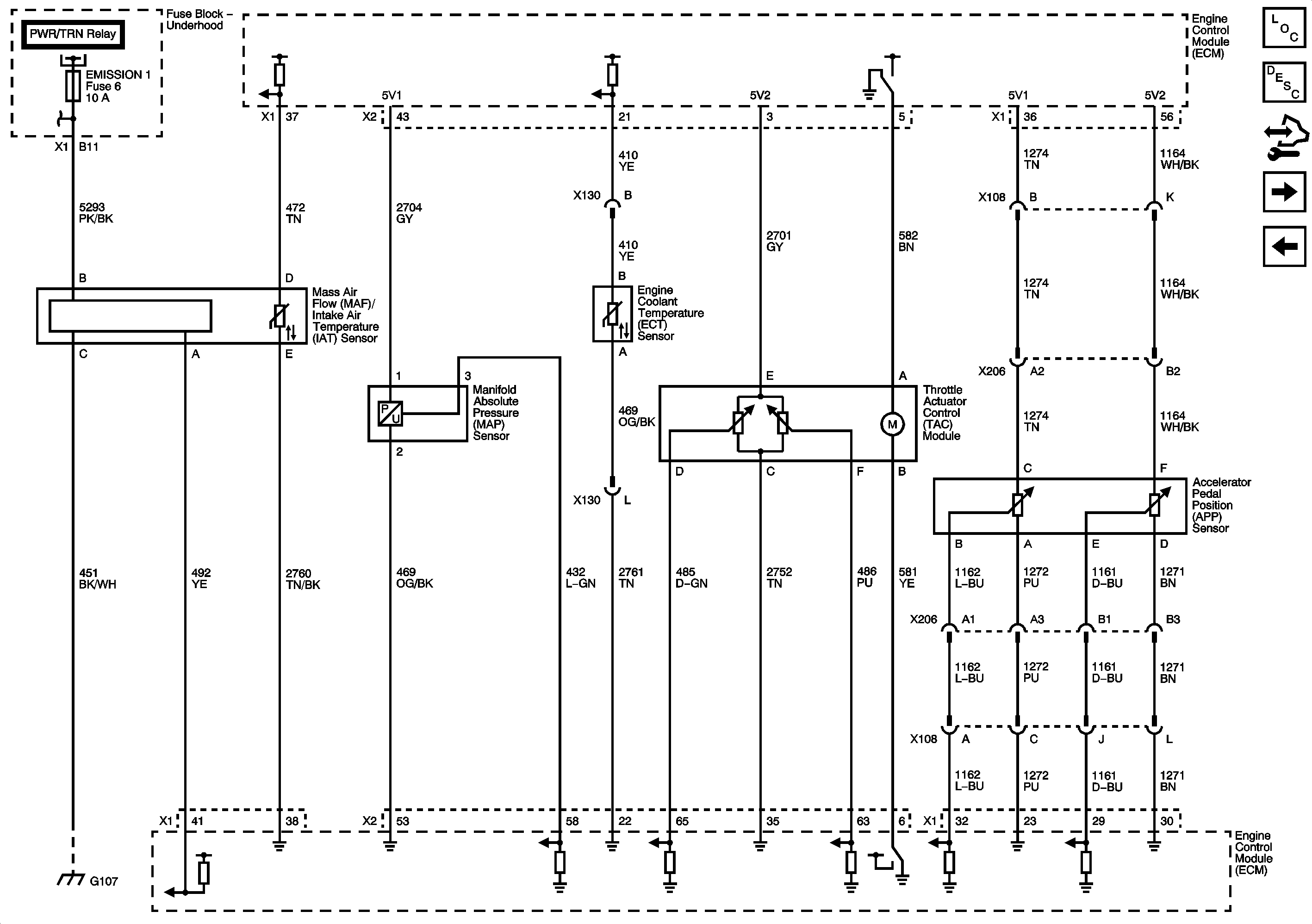
| Figure 3: |
Engine Data Sensors - Pressure, Temperature, and Throttle Controls
|
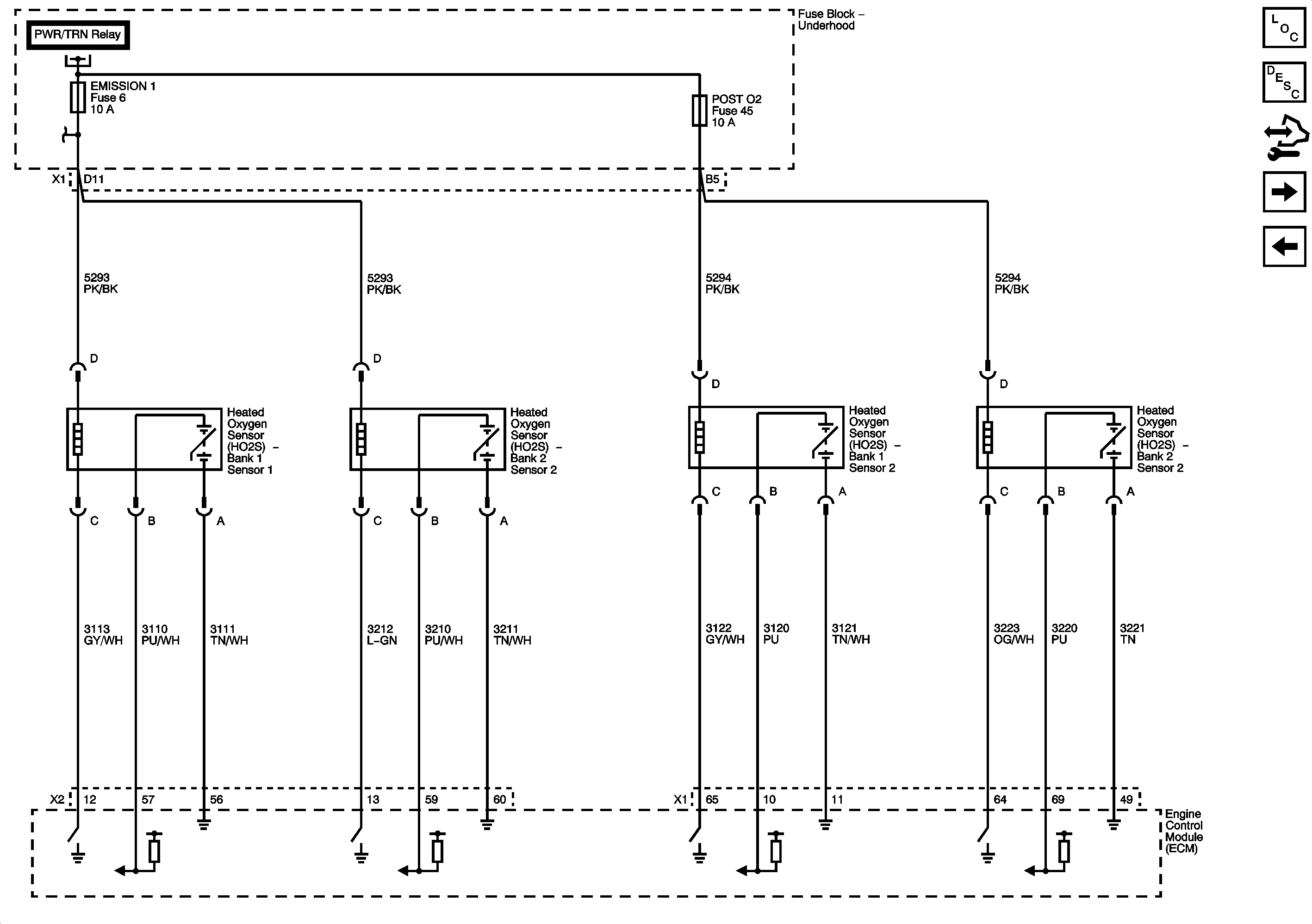
| Figure 4: |
Engine Data Sensors - HO2S
|
| Figure 5: |
Ignition Controls - Ignition System
|
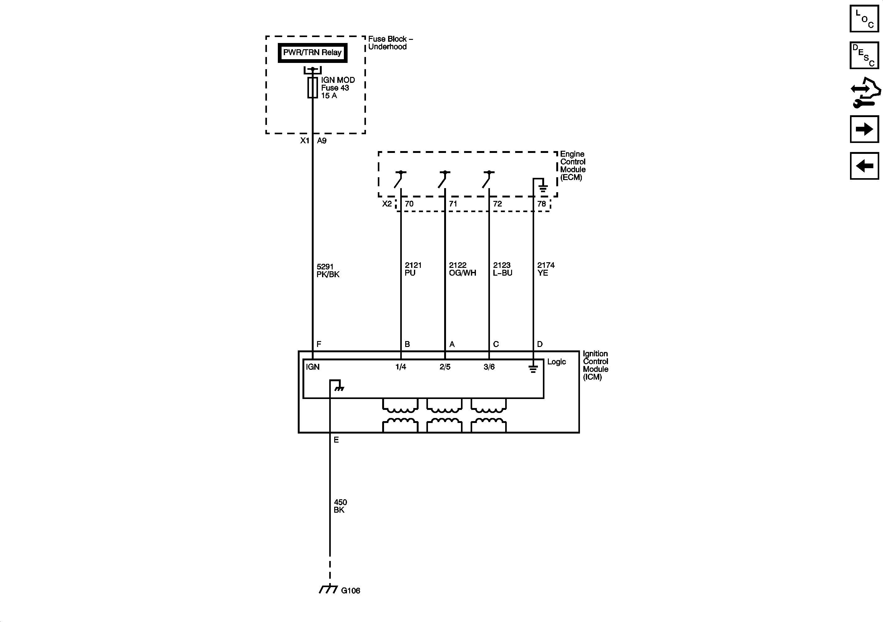
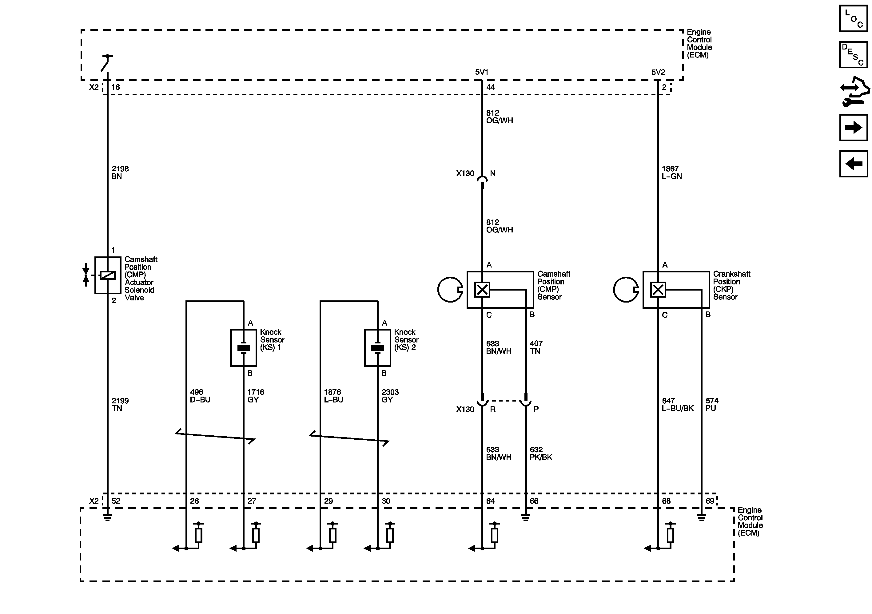
| Figure 6: |
Ignition Controls - Sensors
|
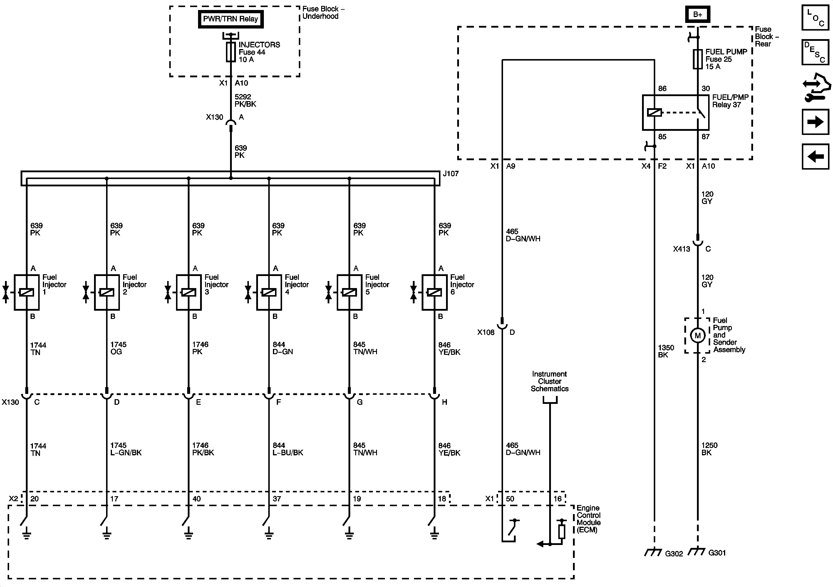
| Figure 7: |
Fuel Controls - Fuel Injectors and Fuel Pump
|
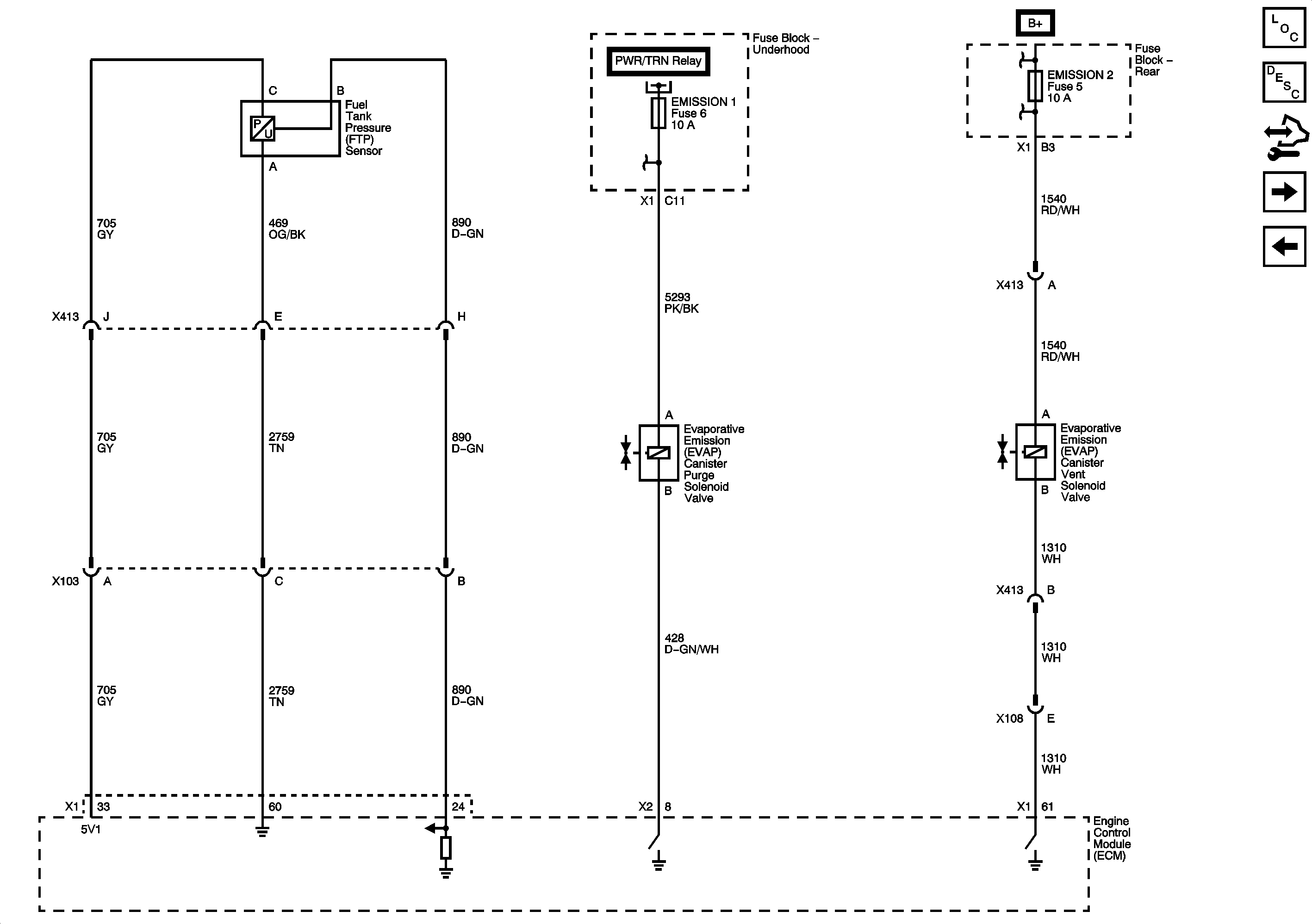
| Figure 8: |
Fuel Controls - EVAP Controls
|
| Figure 9: |
Monitored/Controlled Subsystem References
|