GM Service Manual Online
For 1990-2009 cars only

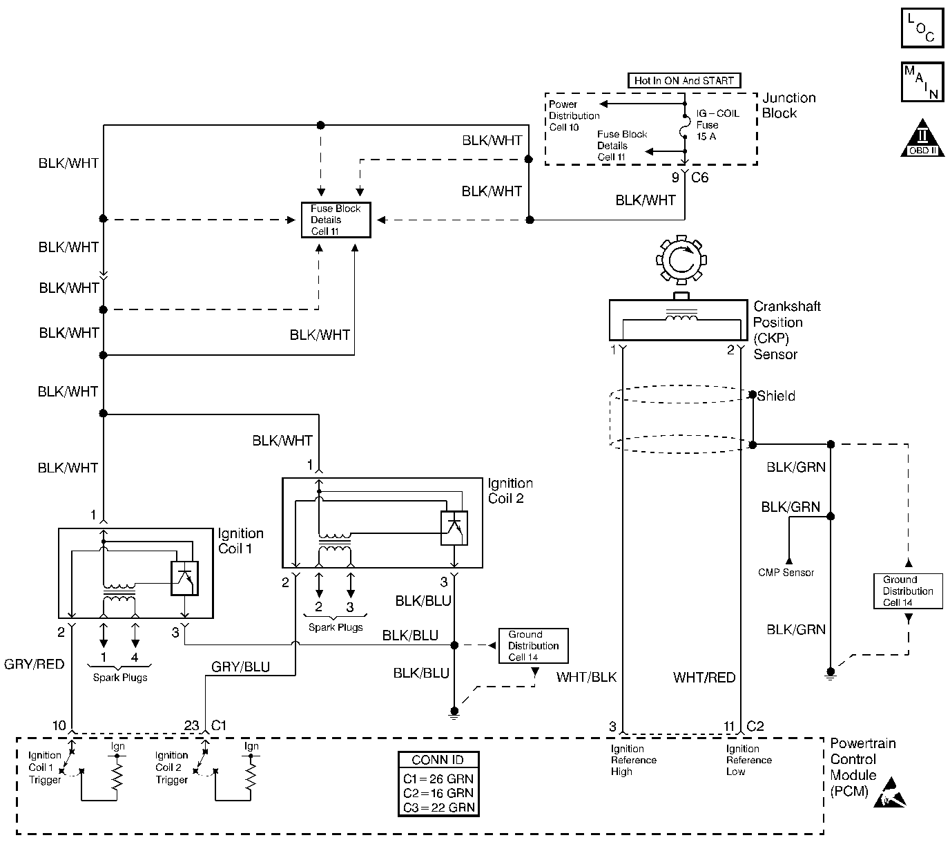
Object Number: 281962  Size: LF
Engine Controls Components
Cell 21: Ignition System
OBD II Symbol Description Notice
Handling ESD Sensitive Parts Notice

Circuit Description

Battery voltage is applied to the ignition coils when the ignition switch is turned to the ON or START positions. The ignition control module circuitry within the coil assemblies toggles the primary windings of the ignition coil in order to induce a high voltage in the secondary windings of the ignition coil. The powertrain control module (PCM) controls the ignition event based on numerous inputs including the crankshaft position sensor. The high voltage induced in the secondary windings of the ignition coils is applied through the spark plug wires to the spark plugs.

Diagnostic Aids

Check for any of the following conditions:

    • Check the battery condition and the engine cranking speed. The engine will not start and improper diagnosis may occur if the starting system is not operating to necessary levels. Refer to Starting System Check .
    • Water or foreign material can cause a no start during freezing weather. The engine may start after 5 or 6 minutes in a heated shop. The malfunction may not recur until the vehicle is parked overnight in freezing temperatures.
    • Low fuel pressure can result in a very lean air/fuel mixture which may be difficult to ignite. Refer to Fuel System Diagnosis .
    • Fouled or damaged spark plugs may cause an Engine Cranks But Will Not Run condition. Refer to Spark Plug Visual Diagnosis .
    • A vehicle that starts and runs after being brought to the shop for an Engine Cranks But Will Not Run complaint, may have an ignition system that is susceptible to moisture. Spray water on the ignition system components and wiring in order to check for an engine miss or stall.
    • Check for a malfunctioning main relay. A faulty main relay can cause no MIL and an engine that cranks but will not run. Refer to Main Relay Circuit Diagnosis .
    • Check for a faulty IG-COIL fuse.

An intermittent malfunction may be caused by a problem in the ignition system electrical circuit. Inspect the wiring harness and components for any of the following conditions:

    • Backed out terminals.
    • Improper mating of terminals.
    • Broken electrical connector locks.
    • Improperly formed or damaged terminals.
    • Faulty terminal to wiring connections.
    • Physical damage to the wiring harness.
    • Broken conductor inside the wire insulation.
    • Corrosion of electrical connections, splices, or terminals.

Test Description

The numbers below refer to the step numbers in the diagnostic table.

  1. The Powertrain OBD System Check prompts the technician to complete some basic checks and stores the freeze frame data on the scan tool if applicable. This creates an electronic copy of the data taken when the fault occurred. The information is then stored in the scan tool for later reference.

  2. The PCM relies on the CKP sensor for engine reference. Without engine reference signals there is no spark and no fuel injector pulse. A DTC P0335 sets after 3 seconds when cranking the engine if no CKP sensor signal is present.

  3. The PCM relies on the CKP sensor for engine reference. Without continuous accurate reference signals, there is no reliable spark or fuel injector pulse. The scan tool engine speed display should be about 260 RPM while cranking. If erratic values, such as sudden spikes in engine speed are displayed, the engine reference signal is not stable enough for the engine to start and run properly.

  4. The PCM relies on the CKP sensor for engine reference. Without continuous accurate reference signals, there is no reliable spark or fuel injector pulse. A CKP sensor Ignition Reference Low circuit that is shorted to ground will cause a faulty engine reference signal to be sent to the PCM, but will not set a CKP sensor DTC (P0335).

  5. This step checks the TP sensor, the ECT sensor, and the MAP sensor for a faulty signal. A faulty sensor input to the PCM may cause a fueling condition that results in a no start.

    This step checks to see if fuel system pressure is within specifications with the ignition ON and the fuel pump running. The fuel pump may be operated with the scan tool Output Control feature when the fuel level is greater than 20%.

  6. This step checks for adequate secondary ignition voltage at the spark plugs.

  7. This step checks to see if fuel system pressure is within specifications with the ignition ON and the fuel pump running. The fuel pump may be operated with the scan tool Output Control feature when the fuel level is greater than 20%.

  8. This step checks for faulty secondary ignition wires.

  9. This step checks for proper resistance of the Ignition coil secondary windings.

  10. This step checks the ignition control circuit from the PCM.

  11. This step checks for an ignition signal from the PCM while cranking the engine. The PCM sends a fluctuating voltage to the ignition coils after determining the engine speed from the CKP sensor.

Step

Action

Values

Yes

No

1

Did you perform the Powertrain On-Board Diagnostic System Check?

--

Go to Step 2

Go to Powertrain On Board Diagnostic (OBD) System Check

2

Check for DTCs with a scan tool.

Is a DTC P0335 set?

--

Go to DTC P0335 Crankshaft Position (CKP) Sensor Circuit

Go to Step 3

3

Observe the Engine Speed parameter on the scan tool while cranking the engine. Refer to the Test Description.

Was the engine speed indicated steady and within the specified value?

200-300 RPM

Go to Step 5

Go to Step 4

4

  1. Test the CKP sensor Ignition Reference Low circuit for a short to ground. Refer to the Test Description.
  2. Repair as necessary. Refer to Wiring Repairs in Wiring Systems.

Was a repair necessary?

--

Go to Step 30

Go to Step 29

5

  1. Turn ON the ignition, leaving the engine OFF.
  2. Check the scan tool data parameters of the following sensors:
  3. • ECT sensor
    • TP sensor
    • MAP sensor
  4. Locate the cause of any sensor reading that is not within expected values.
  5. Repair as necessary.

Was a repair necessary?

--

Go to Step 30

Go to Step 6

6

  1. Disconnect the fuel injector electrical connectors.
  2. Install a J 26792 spark tester or an equivalent to the #1 spark plug wire.
  3. Check for spark while cranking the engine.
  4. Re-install the spark plug wire and repeat Steps 2 thru 4 for each cylinder.

Did each spark plug wire have a good crisp blue spark while cranking the engine?

--

Go to Step 7

Go to Step 13

7

  1. Turn OFF the ignition.
  2. Install the J 34730-1A fuel pressure gauge or an equivalent. Refer to Fuel Pressure Gage Installation and Removal .
  3. Important: In order to obtain maximum fuel pressure it may be necessary to cycle the ignition ON to OFF to ON more than once.

  4. Turn ON the ignition, leaving the engine OFF (the fuel pump should run for approximately 2 seconds).
  5. Observe the fuel pressure with the fuel pump running.

Is the fuel pressure indicated within the specified values?

270 to 310 kPa (38.5 to 44.0 psi)

Go to Step 9

Go to Step 8

8

  1. Turn ON the ignition, leaving the engine OFF (the fuel pump should run for approximately 2 seconds).
  2. Observe the fuel pressure.

Did the fuel pressure gauge indicate any pressure greater than the specified value?

0 to 7.0 kPa (0 to 1.0 psi)

Go to Fuel System Diagnosis

Go to Fuel Pump Electrical Circuit Diagnosis

9

  1. Check for contaminated fuel.
  2. Repair as necessary.

Was a repair necessary?

--

Go to Step 30

Go to Step 10

10

  1. Check for fouled or incorrectly gapped spark plugs.
  2. Replace or repair as necessary. Refer to Spark Plug Replacement in Engine Electrical.
  3. Attempt to start the engine.

Did the engine start?

--

Go to Step 30

Go to Step 11

11

  1. Turn OFF the ignition.
  2. Disconnect all four fuel injector electrical connectors.
  3. Install a J 34730-2B injector test lamp or an equivalent into each fuel injector harness connector.
  4. Observe the injector test lamp for each injector while cranking the engine.

Did the injector test lamp flash for each injector while cranking the engine?

--

Go to Step 12

Go to Fuel Injector Circuit Diagnosis

12

Check for faulty fuel injectors. Refer to Fuel Injector Solenoid Coil Test - Engine Coolant Temperature Between 10-35 Degrees C (50-95 Degrees F) and Sequential Multiport Fuel Injector Balance Test .

Was a faulty fuel injector found and replaced?

--

Go to Step 30

Go to Step 27

13

Measure the resistance of each spark plug wire.

Is the resistance within the specified values?

3.0k to 6.7k ohms per ft.

Go to Step 14

Go to Step 28

14

  1. Check the spark plug wires and the ignition coil towers for the following conditions:
  2. • Cracks
    • Corrosion on terminals
    • Carbon tracking
    • Water intrusion
  3. Replace or repair as necessary.

Was a repair necessary?

--

Go to Step 30

Go to Step 15

15

  1. Disconnect both spark plug wires from the ignition coil suppling the cylinders with no spark.
  2. Connect a DMM across the high voltage terminals of the ignition coil.
  3. Measure the resistance of the secondary coil winding with the DMM.

Was the ignition coil resistance within the specified value?

20.4k to 27.6k ohms at 20°C (68°F)

Go to Step 16

Go to Step 26

16

  1. Disconnect the electrical connector from the ignition coil suppling the cylinders with no spark.
  2. Turn ON the ignition, leaving the engine OFF.
  3. Connect a test lamp from ground to the ignition feed circuit of the ignition coil (harness side).

Did the test lamp illuminate?

--

Go to Step 17

Go to Step 21

17

Connect a test lamp from B+ to the ground circuit of the ignition coil (harness side).

Did the test lamp illuminate?

--

Go to Step 18

Go to Step 20

18

  1. Turn OFF the ignition.
  2. Connect a DMM to the ignition control circuit of the ignition coil (harness side).
  3. Turn ON the ignition, leaving the engine OFF.
  4. Measure the voltage with the DMM.

Is the voltage within the specified value?

24-35 mV

Go to Step 19

Go to Step 22

19

Crank the engine while observing the DMM for the specified value (voltage).

Was the specified voltage observed while cranking the engine?

0.9-1.5 volts

Go to Step 25

Go to Step 24

20

Repair the open or the faulty connection in the ignition coil ground circuit. Refer to Wiring Repairs in Wiring Systems.

Is the action complete?

--

Go to Step 30

--

21

Repair the open in the ignition feed circuit of the ignition coil. Refer to Wiring Repairs in Wiring Systems.

Is the action complete?

--

Go to Step 30

--

22

  1. Check for an open or a short in the ignition control circuit.
  2. Repair as necessary. Refer to Wiring Repairs in Wiring Systems.

Was a repair necessary?

--

Go to Step 30

Go to Step 23

23

  1. Check for a faulty electrical connection at the PCM.
  2. Repair as necessary.

Was a repair necessary?

--

Go to Step 30

Go to Step 24

24

Replace the PCM. Refer to Powertrain Control Module Replacement .

Is the action complete?

--

Go to Step 30

--

25

  1. Check for a faulty electrical connection at the ignition coil.
  2. Repair as necessary.

Was a repair necessary?

--

Go to Step 30

Go to Step 26

26

Replace the faulty ignition coil. Refer to Ignition Coil Replacement .

Is the action complete?

--

Go to Step 30

--

27

  1. Check for any of the following engine mechanical conditions:
  2. • Worn or faulty camshaft
    • Leaking or sticking valves
    • Malfunctioning hydraulic valve lash adjusters
    • Leaking or sticking piston rings
    • Excessive valve deposits
    • Collapsed or sticking lifters
    • Weak valve springs
    • Incorrect valve timing
    • Leaking head gasket
  3. Repair as necessary. Refer to Engine Compression Test in Engine Mechanical.

Was a basic engine mechanical problem found and repaired?

--

Go to Step 30

Go to Diagnostic Aids

28

Replace any faulty spark plug wires.

Is the action complete?

--

Go to Step 30

--

29

Replace the CKP sensor. Refer to Crankshaft Position Sensor Replacement .

Is the action complete?

--

Go to Step 30

--

30

Start the vehicle and observe the MIL.

Does the MIL turn ON for approximately 3 seconds and then turn OFF?

--

System OK

Go to the applicable Diagnostic table