GM Service Manual Online
For 1990-2009 cars only
Makes
🢒
Chevrolet
🢒
1998
🢒
Metro
🢒
Restraints
🢒
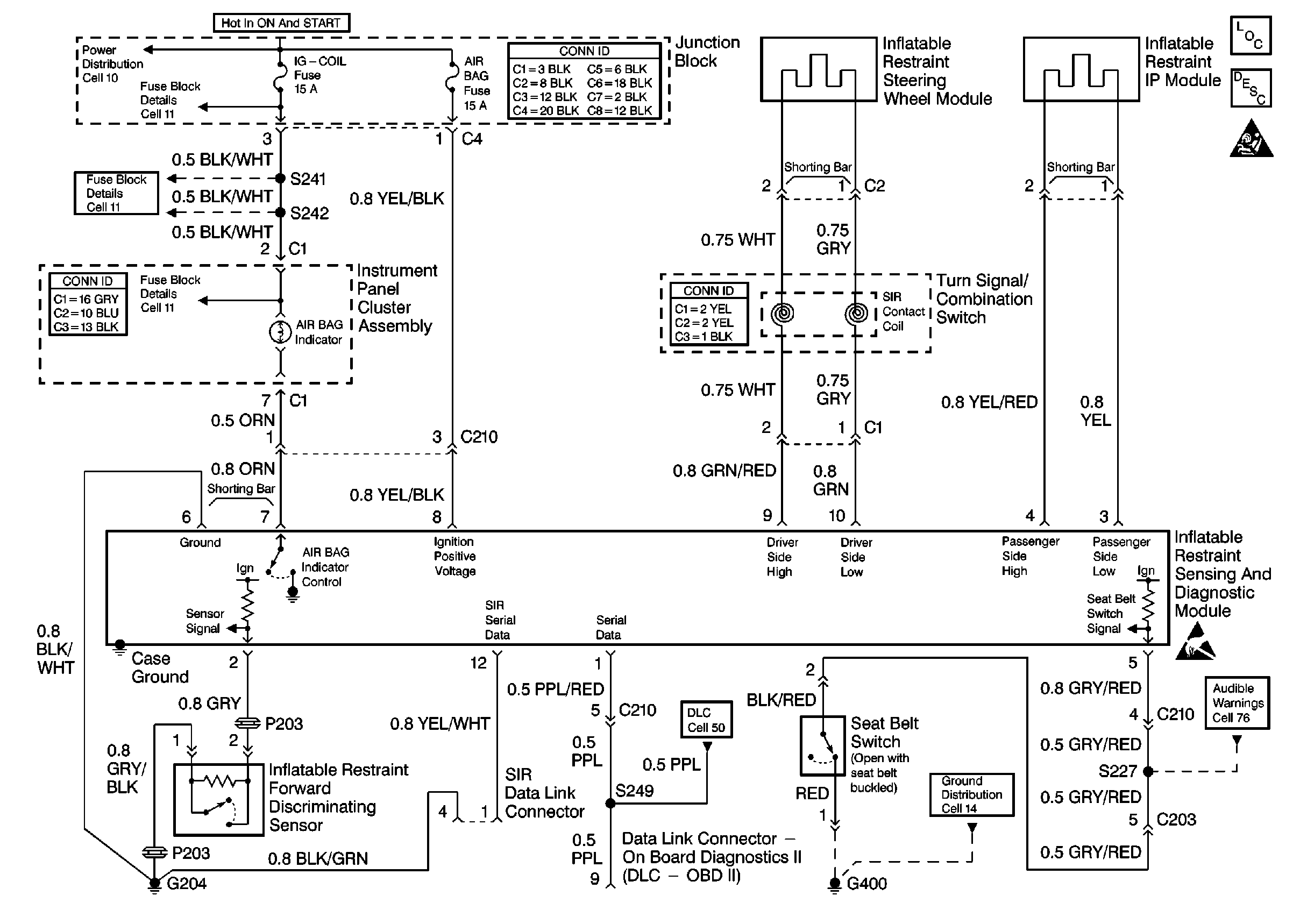
SIR
🢒 SIR Schematics
Cell 47