GM Service Manual Online
For 1990-2009 cars only
Makes
🢒
Chevrolet
🢒
1998
🢒
Metro
🢒
Body and Accessories
🢒
Wiring Systems
🢒 Power Distribution Schematics
Figure
1:
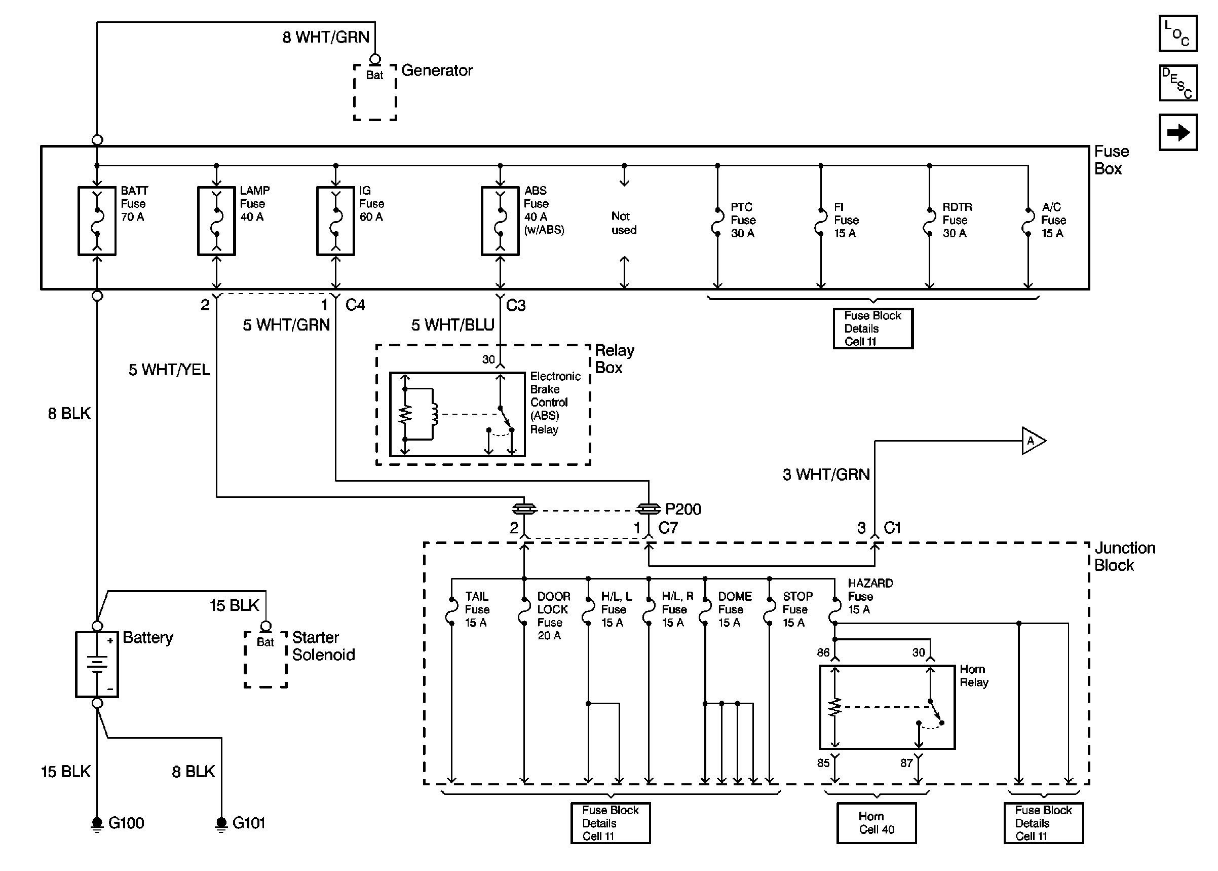
Cell 10: Starter Solenoid, Relay Box
Fuse Block Schematics
Horn Schematics
Fuse Block Schematics
Fuse Block Schematics
Power and Grounding Components
Data Link Connector Circuit Description
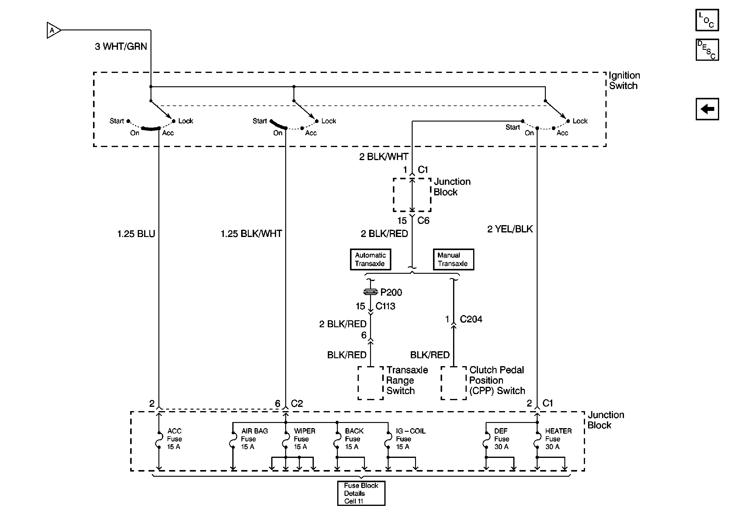
Cell 10: Ignition Switch
Cell 10: Ignition Switch
Figure
2:
Cell 10: Ignition Switch
Cell 10: Starter Solenoid, Relay Box
Fuse Block Schematics
Cell 10: Starter Solenoid, Relay Box
Data Link Connector Circuit Description
Power and Grounding Components