GM Service Manual Online
For 1990-2009 cars only
Makes
🢒
Chevrolet
🢒
1998
🢒
Metro
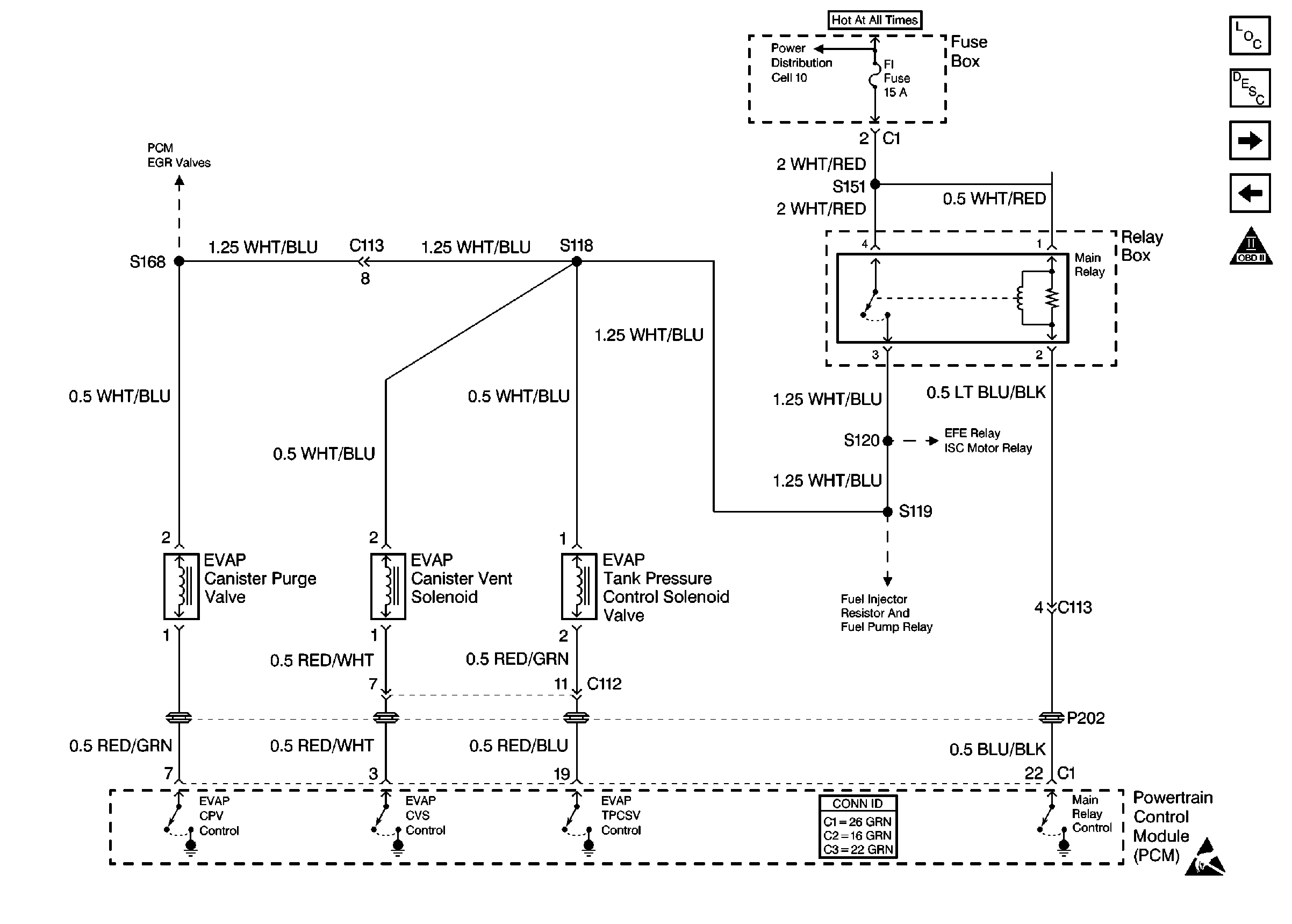
🢒 Cell 20: EVAP Controls
Cell 20: EVAP Controls
Cell 20: EVAP Controls