GM Service Manual Online
For 1990-2009 cars only
Makes
🢒
Chevrolet
🢒
1998
🢒
Metro
🢒 Ground Distribution Schematics
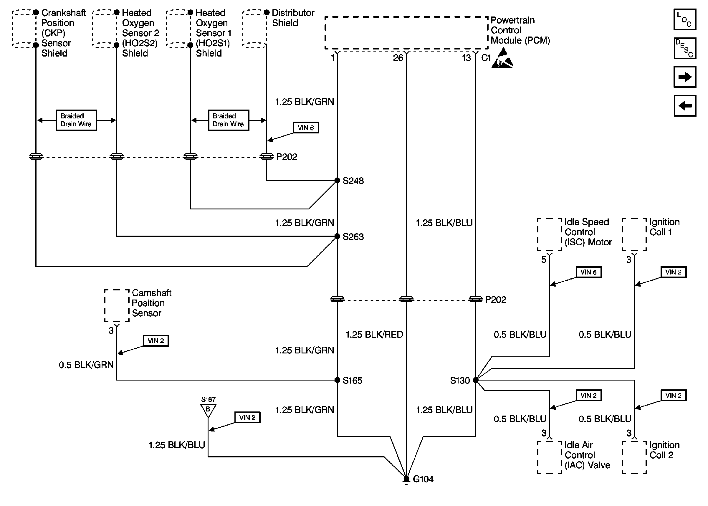
Ground Distribution Schematics
Cell 14: Camshaft Position Sensor, Powertrain Control Module (PCM)
Power and Grounding Components
Data Link Connector Circuit Description
Cell 14: Electronic Brake Control Module (EBCM)
Cell 14: A/C Refrigerant Pressure Switch
Cell 14: Instrument Panel Cluster Assembly, Data Link Connector (DLC)
Handling ESD Sensitive Parts Notice