GM Service Manual Online
For 1990-2009 cars only
Makes
🢒
Chevrolet
🢒
1999
🢒
Metro
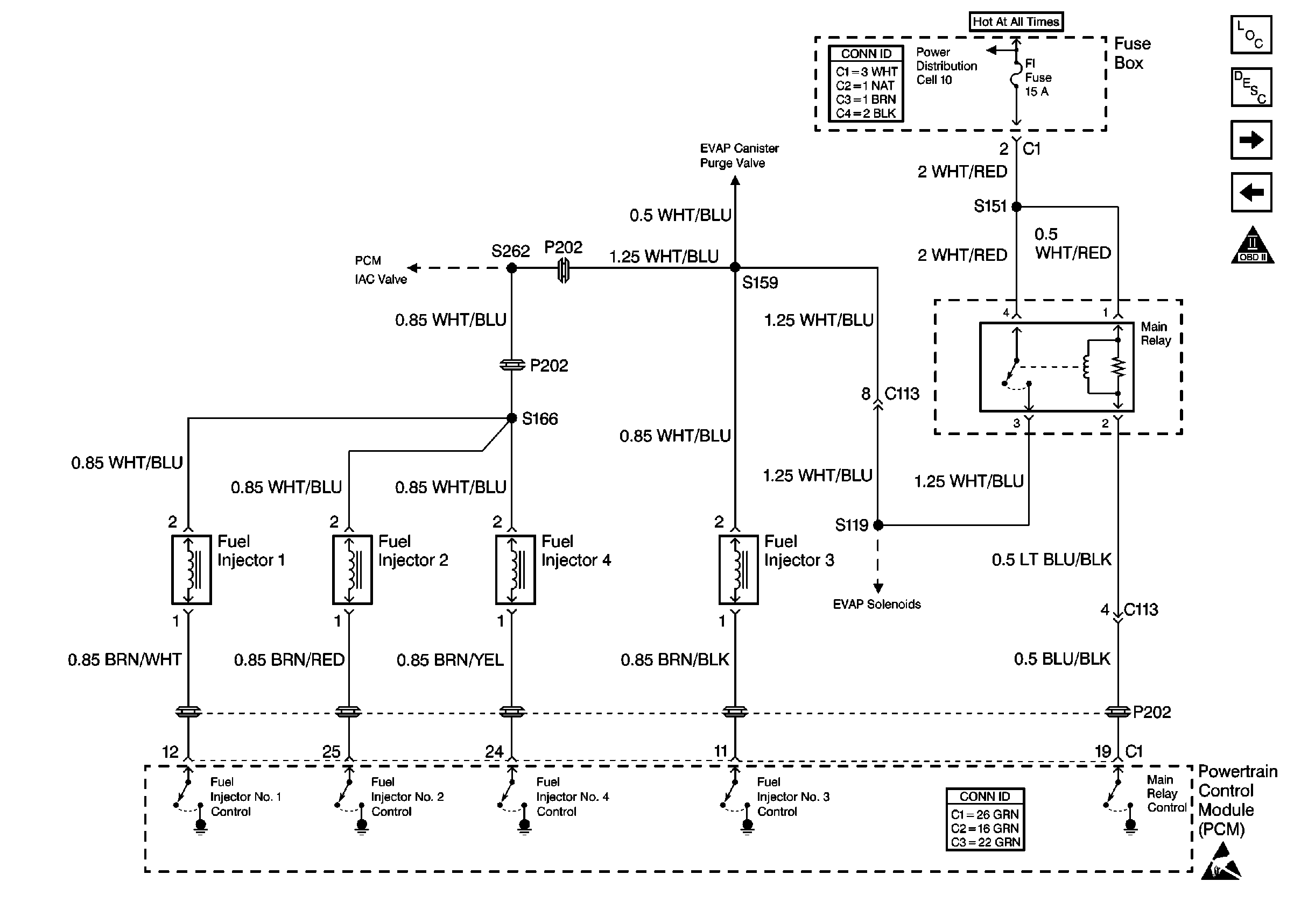
🢒 Cell 21: Fuel Injectors
Cell 21: Fuel Injectors
Cell 21: Fuel Injectors