GM Service Manual Online
For 1990-2009 cars only

Removal Procedure

    Caution: Unless directed otherwise, the ignition and start switch must be in the OFF or LOCK position, and all electrical loads must be OFF before servicing any electrical component. Disconnect the negative battery cable to prevent an electrical spark should a tool or equipment come in contact with an exposed electrical terminal. Failure to follow these precautions may result in personal injury and/or damage to the vehicle or its components.

  1. Remove the negative battery cable.
  2. Drain the engine cooling system. Refer to Cooling System Draining and Filling in Engine Cooling.
  3. Remove the air cleaner assembly.
  4. Remove the A/C compressor suction pipe bracket (if equipped).
  5. Loosen four water pump pulley bolts. Do not remove the bolts.
  6. Raise the vehicle. Support the vehicle. Refer to Lifting and Jacking the Vehicle in General Information.
  7. Remove the right lower splash shield.
  8. Remove the A/C compressor drive belt (if so equipped) by releasing the tensioner pulley and removing the belt from the crankshaft and compressor pulleys.

  9. Object Number: 185637  Size: SH
  10. Loosen the generator adjusting bolt (1), pivot the generator and remove the water pump/generator drive belt.
  11. Remove the crankshaft pulley. For 1.0L engine refer to Crankshaft Pulley Replacement in Engine Mechanical.
  12. For 1.3L engine refer to Crankshaft Pulley Replacement in Engine Mechanical.

  13. Remove the water pump pulley (four bolts).
  14. Remove the timing belt. For 1.0L engine refer to Timing Belt Replacement in Engine Mechanical.
  15. For 1.3L engine refer to Timing Belt Replacement in Engine Mechanical.

  16. Remove the oil level indicator (dipstick) guide tube.
  17. Remove the upper generator adjusting bracket from the water pump (one bolt).

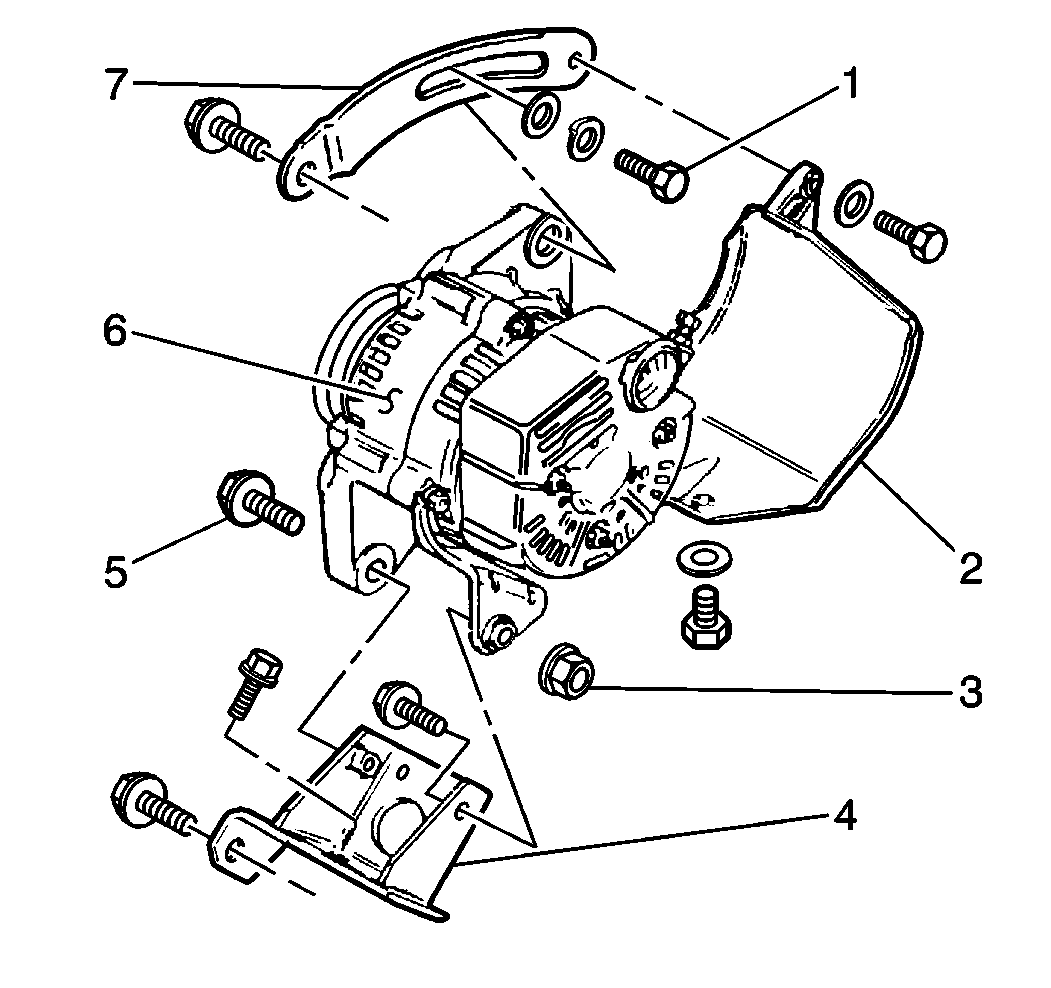
  18. Object Number: 185610  Size: SH
  19. Remove the rubber seals from the water pump.
  20. Remove the water pump mounting bolts and nuts.
  21. Remove the water pump and gasket from the vehicle.
  22. Clean the water pump and the gasket mating surfaces.

  23. Object Number: 185638  Size: SH
  24. Inspect the water pump by hand for smooth operation. If the pump does not rotate smoothly or produces abnormal noise, replace it.

Installation Procedure

  1. Install the new gasket to the engine block.
  2. Install the water pump.
  3. Notice: Use the correct fastener in the correct location. Replacement fasteners must be the correct part number for that application. Fasteners requiring replacement or fasteners requiring the use of thread locking compound or sealant are identified in the service procedure. Do not use paints, lubricants, or corrosion inhibitors on fasteners or fastener joint surfaces unless specified. These coatings affect fastener torque and joint clamping force and may damage the fastener. Use the correct tightening sequence and specifications when installing fasteners in order to avoid damage to parts and systems.

  4. Secure the water pump with mounting nuts and bolts.
  5. Tighten
    Tighten the water pump mounting nuts and bolts to 13 N·m (115 lb in).


    Object Number: 185610  Size: SH
  6. Install new rubber seals (1) to the water pump (2).
  7. Install the upper generator adjusting bracket to the water pump (one bolt).
  8. Tighten
    Tighten the upper generator mounting bracket bolt to 23 N·m (17 lb ft).

  9. Install the oil level indicator (dipstick) guide tube.
  10. Install the timing belt. For 1.0L engine refer to Timing Belt Replacement in Engine Mechanical.
  11. For 1.3L engine refer to Timing Belt Replacement in Engine Mechanical.

  12. Install the water pump pulley.
  13. Finger-tighten the four bolts.
  14. Install the crankshaft pulley. For 1.0L engine refer to Crankshaft Pulley Replacement in Engine Mechanical.
  15. For 1.3L engine refer to Crankshaft Pulley Replacement in Engine Mechanical.

  16. Install the water pump/generator drive belt to the crankshaft, water pump and generator pulleys.

  17. Object Number: 185637  Size: SH
  18. Install the lower generator cover plate (2).
  19. Tighten
    Tighten the lower generator cover bolts to 10 N·m (89 lb in).

  20. Install the A/C compressor drive belt (if so equipped) by releasing the tensioner pulley and installing the belt to the crankshaft and compressor pulleys.
  21. Install the right lower splash shield.
  22. Lower the vehicle.
  23. Tighten
    Tighten the water pump pulley mounting bolts to 24 N·m (18 lb ft).

  24. Adjust the water pump/generator drive belt tension to 98 N (22 lbs), or 6 to 8 mm (0.25-0.32 in) deflection.
  25. Tighten
    Tighten the upper generator adjustment bolt to 23 N·m (17 lb ft)

  26. Install the A/C compressor suction pipe bracket (if equipped).
  27. Install the air cleaner assembly to the vehicle.
  28. Refill the engine cooling system. Refer to Cooling System Draining and Filling in Engine Cooling.
  29. Connect the negative battery cable.