GM Service Manual Online
For 1990-2009 cars only

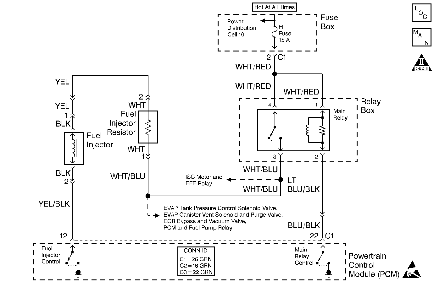
Object Number: 70342  Size: MF
Engine Controls Components
Cell 20: Fuel Controls
OBD II Symbol Description Notice
Handling ESD Sensitive Parts Notice

Circuit Description

The powertrain control module (PCM) energizes the solenoid coil of the fuel injector. When the fuel injector solenoid is energized, the solenoid operates the plunger, allowing pressurized fuel to be injected into the bore of the TBI unit. The fuel pump will pressurize the fuel injector as long as the engine is cranking, and the PCM is receiving ignition system reference pulses. The fuel pump will stop after 2 seconds if the PCM does not receive any ignition system reference pulses.

Diagnostic Aids

Check for a faulty fuel injector. There may be fuel spray at the fuel injector, but it may not be enough to start the engine. Normal fuel injector resistance is 0.5-1.5 ohms at 20°C (68°F). Check for a partly-blocked fuel injector nozzle if the fuel injector solenoid circuit and the fuel injector circuit are OK.

Check the resistor of the fuel injector for faulty electrical connections and for high resistance. A normal resistance is 1.9-2.8 ohms at 20°C (68°F).

An intermittent malfunction may be caused by a fault in the fuel injector electrical circuit. Inspect the wiring harness and the components for the following conditions:

    • Backed out terminals
    • Incorrect mating of terminals
    • Broken electrical connector locks
    • Incorrectly formed terminals or damaged terminals
    • Faulty terminal-to-wire connections
    • Physical damage to the wiring harness
    • A broken conductor inside the wire insulation
    • Corrosion of electrical connections, of splices, or of terminals

Test Description

The numbers below refer to the step numbers in the Diagnostic Table.

  1. The Powertrain OBD System Check prompts the technician to complete some basic checks and store the freeze frame data on the scan tool if applicable. This creates an electronic copy of the data taken when the fault occurred. The information is then stored in the scan tool for later reference.

  2. This step checks if the PCM is controlling the fuel injector signals.

  3. This step checks the fuel injector for the correct resistance.

  4. This step checks for voltage at the fuel injector.

  5. This step checks for an open or a short to ground in fuel injector control circuit, for a faulty PCM, or for a faulty fuel injector.

  6. This step checks for an open in the YEL wire, an open in the ignition feed circuit or for a faulty fuel injector resistor.

Step

Action

Value(s)

Yes

No

1

Did you perform the Powertrain On-Board Diagnostic System Check?

--

Go to Step 2

Go to Powertrain On Board Diagnostic (OBD) System Check

2

  1. Turn OFF the ignition.
  2. Disconnect the fuel injector electrical connector.
  3. Install the J 34730-2B fuel injector test lamp or an equivalent to the fuel injector harness electrical connector (harness side).

Does the fuel injector test lamp flash while the engine is cranking?

--

Go to Step 3

Go to Step 5

3

Measure the resistance of the fuel injector (fuel injector side) with a DMM.

Is the resistance within the specified value?

0.5 to 1.5 ohms at 20°C (68°F)

Go to Step 4

Go to Step 10

4

Important: The fuel injector may or may not have fuel spray.

Check for fuel restrictions or for a partly blocked fuel injector nozzle and repair as necessary.

Was a repair necessary?

--

Go to Step 17

Go to Fuel Pump Electrical Circuit Diagnosis

5

Is the injector test lamp ON all the time while cranking the engine?

--

Go to Step 6

Go to Step 7

6

  1. Check for a short to ground in the fuel injector control circuit between the PCM and the fuel injector.
  2. Repair as necessary.

Was a repair necessary?

--

Go to Step 17

Go to Step 12

7

  1. Remove the injector test lamp from the fuel injector electrical connector.
  2. Turn ON the ignition, leaving the engine OFF.
  3. Measure the voltage from the fuel injector connector cavity 1 to ground (harness side) using a DMM.

Is the voltage near the specified value?

B+

Go to Step 8

Go to Step 13

8

Connect a test lamp from the fuel injector electrical connector cavity 2 to B+ (harness side).

Does the test lamp flash while engine is cranking?

--

Go to Step 9

Go to Step 11

9

  1. Check for a faulty connection at the fuel injector harness connector.
  2. Repair as necessary.

Was a repair necessary?

--

Go to Step 17

Go to Step 10

10

Replace the fuel injector. Refer to Fuel Injector Replacement .

Is the action complete?

--

Go to Step 17

--

11

  1. Check for an open in the fuel injector control circuit.
  2. Repair as necessary.

Was a repair necessary?

--

Go to Step 17

Go to Step 12

12

Replace the PCM. Refer to Powertrain Control Module Replacement .

Is the action complete?

--

Go to Step 17

--

13

  1. Turn ON the ignition, leaving the engine OFF.
  2. Measure the voltage by backprobing the fuel injector resistor connector cavity 1 to ground using the DMM.

Is the voltage near the specified value?

B+

Go to Step 14

Go to Step 15

14

  1. Check for an open or a short to ground in the YEL wire between the fuel injector and the fuel injector resistor.
  2. Repair as necessary.

Was a repair necessary?

--

Go to Step 17

Go to Step 16

15

Repair the open in the ignition feed circuit between the fuel injector resistor and the main relay.

Is the action complete?

--

Go to Step 17

--

16

Replace the fuel injector resistor. Refer to Electronic Fuel Injection Resistor Replacement .

Is the action complete?

--

Go to Step 17

--

17

Operate the vehicle within the conditions under which the original symptom was noted.

Does the system now operate properly?

--

System OK

Go to Diagnostic Aids