GM Service Manual Online
For 1990-2009 cars only

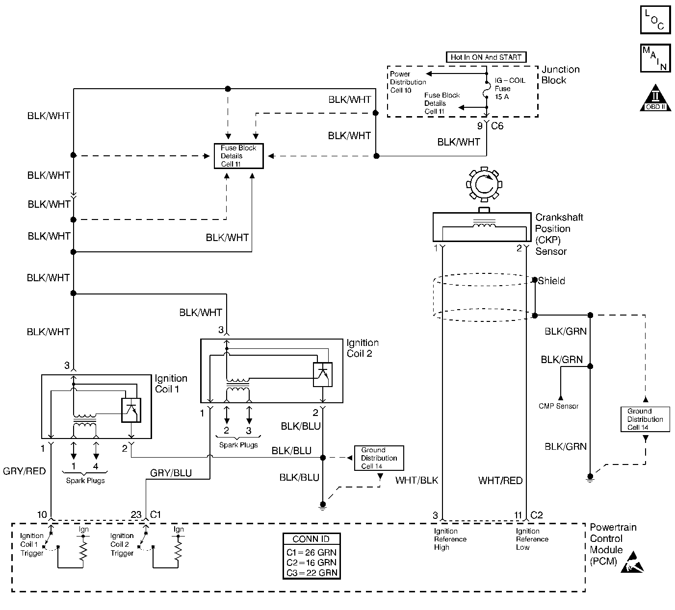
Object Number: 445556  Size: LF
Engine Controls Components
Cell 21: Ignition System
OBD II Symbol Description Notice
Handling ESD Sensitive Parts Notice

Circuit Description

The battery voltage is applied to the ignition coils when the ignition switch is turned to the ON position or to the START position. The circuitry within the ignition coil assemblies toggles the primary windings of the ignition coil in order to induce a high voltage in the secondary windings of the ignition coil. The powertrain control module (PCM) controls the ignition event based on numerous inputs including the crankshaft position sensor. The high voltage that is induced in the secondary windings of the ignition coils is applied through the spark plug wires to the spark plugs.

Diagnostic Aids

Check for any of the following conditions:

    • Check the battery condition and the engine cranking speed. The engine will not start, and incorrect diagnosis may occur if the starting system is not operating at necessary levels. Refer to Starting System Check .
    • Water or foreign material can cause a no start during freezing weather. The engine may start after 5 or 6 minutes in a heated shop. The malfunction may not occur again until the vehicle is parked overnight in freezing temperatures.
    • Low fuel pressure can result in a very lean air/fuel mixture which may be difficult to ignite. Refer to Fuel System Diagnosis .
    • Fouled spark plugs or damaged spark plugs may cause an Engine Cranks But Will Not Run condition. Refer to Spark Plug Visual Diagnosis .
    • A vehicle that starts and runs after an Engine Cranks But Will Not Run complaint may have an ignition system that is susceptible to moisture. Spray water on the ignition system components and on the wiring in order to check for an engine miss or for a stall.
    • Check for a malfunctioning main relay. A faulty main relay can cause an engine that cranks but will not run and prevent illumination of the MIL. Refer to Main Relay Circuit Diagnosis .
    • Check for a faulty ignition-coil fuse.

An intermittent malfunction may be caused by a fault in the ignition system electrical circuit. Inspect the wiring harness and the components for any of the following conditions:

    • Backed out terminals.
    • Incorrect mating of terminals.
    • Broken electrical connector locks.
    • Incorrectly formed terminals or damaged terminals.
    • Faulty terminal-to-wiring connections.
    • Physical damage to the wiring harness.
    • A broken conductor inside the wire insulation.
    • Corrosion of electrical connections, of splices, or of terminals.

Test Description

The numbers below refer to the step numbers on the diagnostic table.

  1. The Powertrain OBD System Check prompts the technician to complete some basic checks and stores the freeze frame data on the scan tool if applicable. This creates an electronic copy of the data that was stored when the fault occurred. The information is stored in the scan tool for later reference.

  2. The PCM uses the CKP sensor for engine reference. Without engine reference signals there is not any spark or any fuel injector pulse. DTC P0335 sets after 3 seconds of cranking the engine if the CKP sensor signal is not present.

  3. The PCM uses on the CKP sensor for engine reference. Without continuous accurate reference signals, there is not any reliable spark or any fuel injector pulse. The engine speed display should be approximately 260 RPM while cranking. If erratic values are displayed, the engine reference signal is not stable enough for the engine to start and to run correctly.

  4. The PCM uses on the CKP sensor for engine reference. Without continuous accurate reference signals, there is not any reliable spark or any reliable fuel injector pulse. An ignition reference low circuit that is shorted to ground causes a faulty reference signal to be sent to the PCM, but does not set DTC P0335.

  5. This step checks the TP sensor, the ECT sensor, and the MAP sensor for a faulty signal. A faulty sensor input to the PCM may cause a fueling condition that results in a no start.

    This step determines if the fuel system pressure is within specifications with the ignition ON and with the fuel pump running. The fuel pump may be operated with the Output Control feature of the scan tool if the fuel level is more than 20 percent.

  6. This step checks for adequate secondary ignition voltage at the spark plugs.

  7. This step determines if the fuel system pressure is within specifications with the ignition ON and with the fuel pump running. The fuel pump may be operated with the Output Control feature of the scan tool when the fuel level is more than 20 percent.

  8. This step checks for faulty secondary ignition wires.

  9. This step checks for correct resistance in the ignition coil secondary windings.

  10. This step checks the ignition control circuit from the PCM.

  11. This step checks for an ignition signal from the PCM while cranking the engine. The PCM sends a fluctuating voltage to the ignition coils after determining the engine speed from the CKP sensor.

Step

Action

Value(s)

Yes

No

1

Did you perform the Powertrain On-Board Diagnostic (OBD) System Check?

--

Go to Step 2

Go to Powertrain On Board Diagnostic (OBD) System Check

2

Check for DTCs with a scan tool.

Is a DTC P0335 set?

--

Go to DTC P0335 Crankshaft Position (CKP) Sensor Circuit

Go to Step 3

3

Observe the Engine Speed parameter on the scan tool while cranking the engine.

Is the indicated engine speed steady, and within the specified value?

200-300 RPM

Go to Step 5

Go to Step 4

4

  1. Test the ignition reference low circuit of the CKP sensor for a short to ground.
  2. Repair as necessary. Refer to Wiring Repairs in Wiring Systems.

Was a repair necessary?

--

Go to Step 30

Go to Step 29

5

  1. Turn ON the ignition, leaving the engine OFF.
  2. Check the scan tool data parameters of the following sensors:
  3. • The engine coolant temperature (ECT) sensor
    • The throttle position (TP) sensor
    • The manifold absolute pressure (MAP) sensor
  4. Locate the cause of any sensor reading that is not within expected values.
  5. Repair as necessary.

Was a repair necessary?

--

Go to Step 30

Go to Step 6

6

  1. Disconnect the fuel injector electrical connectors.
  2. Install a J 26792 spark tester or an equivalent to the #1 spark plug wire.
  3. Check for a spark while cranking the engine.
  4. Remove the #1 ignition coil.
  5. Re-install the spark plug wire.
  6. Install the spark tester to the ignition coil boot.
  7. Check for a spark while cranking the engine.
  8. Repeat Steps 2 thru 7 for the #2 ignition coil.

Did each cylinder have a good blue spark while cranking the engine?

--

Go to Step 7

Go to Step 13

7

  1. Turn OFF the ignition.
  2. Install the J 34730-1A fuel pressure gauge or an equivalent. Refer to Fuel Pressure Gage Installation and Removal .
  3. Important: In order to obtain maximum fuel pressure it may be necessary to cycle the ignition ON to OFF to ON more than once.

  4. Turn on the ignition, leaving the engine off.The fuel pump should run for approximately 2 seconds.
  5. Observe the fuel pressure with the fuel pump running.

Is the fuel pressure indicated within the specified values?

270 - 310 kPa (38.5 - 44.0 psi)

Go to Step 9

Go to Step 8

8

  1. Turn on the ignition, leaving the engine off.The fuel pump should run for approximately 2 seconds.
  2. Observe the fuel pressure.

Did the fuel pressure gauge indicate any pressure more than the specified value?

0 - 7.0 kPa (0 - 1.0 psi)

Go to Fuel System Diagnosis

Go to Fuel Pump Electrical Circuit Diagnosis

9

  1. Check for contaminated fuel.
  2. Repair as necessary.

Was a repair necessary?

--

Go to Step 30

Go to Step 10

10

  1. Check for fouled or incorrectly gapped spark plugs.
  2. Replace or repair the spark plugs as necessary. Refer to Spark Plug Replacement in Engine Electrical.
  3. Attempt to start the engine.

Did the engine start?

--

Go to Step 30

Go to Step 11

11

  1. Turn OFF the ignition.
  2. Disconnect the electrical connectors from all 4 fuel injectors .
  3. Install a J 34730-2B injector test lamp or an equivalent into each fuel injector harness connector.
  4. Observe the injector test lamp for each injector while cranking the engine.

Does the injector test lamp for each injector flash while the engine is cranking?

--

Go to Step 12

Go to Fuel Injector Circuit Diagnosis

12

Check for faulty fuel injectors. Refer to Fuel Injector Solenoid Coil Test - Engine Coolant Temperature Between 10-35 Degrees C (50-95 Degrees F) and to Sequential Multiport Fuel Injector Balance Test .

Was a faulty fuel injector found and replaced?

--

Go to Step 30

Go to Step 27

13

Measure the resistance of each spark plug wire.

Is the resistance within the specified values?

1.2 - 3.0k ohms/ft

Go to Step 14

Go to Step 26

14

  1. Check the spark plug wires and the ignition coil towers for the following conditions:
  2. • Cracks
    • Corrosion on terminals
    • Carbon tracking
    • Water intrusion
  3. Replace or repair any components as necessary. Refer to Spark Plug Wire Harness Replacement in Engine Electrical.

Was a repair necessary?

--

Go to Step 30

Go to Step 15

15

  1. Disconnect the spark plug wire and the ignition coil boot from the ignition coil that is not suppling the cylinders with a spark.
  2. Connect a DMM across the high voltage terminals of the ignition coil.
  3. Measure the resistance of the secondary coil winding.

Was the ignition coil resistance within the specified value?

8.5 - 11.5k ohms at 20°C (68°F)

Go to Step 16

Go to Step 28

16

  1. Disconnect the electrical connector from the ignition coil that is not suppling the cylinders with a spark.
  2. Turn on the ignition, leaving the engine off.
  3. Connect a test lamp between ground and the harness side of the ignition feed circuit of the ignition coil.

Did the test lamp illuminate?

--

Go to Step 17

Go to Step 21

17

Connect a test lamp from B+ to the harness side of the ground circuit of the ignition coil.

Did the test lamp illuminate?

--

Go to Step 18

Go to Step 20

18

  1. Turn OFF the ignition.
  2. Connect a DMM to the harness side of the ignition control circuit of the ignition coil.
  3. Turn on the ignition, leaving the engine off.
  4. Measure the voltage with the DMM.

Is the voltage within the specified value?

24-35 mV

Go to Step 19

Go to Step 22

19

Crank the engine while observing the DMM.

Was the specified voltage observed while cranking the engine?

0.9-1.5 V

Go to Step 25

Go to Step 24

20

Repair the open or the faulty connection in the ignition coil ground circuit. Refer to Wiring Repairs in Wiring Systems.

Is the action complete?

--

Go to Step 30

--

21

Repair the open in the ignition feed circuit of the ignition coil. Refer to Wiring Repairs in Wiring Systems.

Is the action complete?

--

Go to Step 30

--

22

  1. Check for an open and for a short in the ignition control circuit.
  2. Repair as necessary. Refer to Wiring Repairs in Wiring Systems.

Was a repair necessary?

--

Go to Step 30

Go to Step 23

23

  1. Check for a faulty electrical connection at the PCM.
  2. Repair as necessary.

Was a repair necessary?

--

Go to Step 30

Go to Step 24

24

Important: The replacement PCM must be programmed.

Replace the PCM. Refer to Powertrain Control Module Replacement .

Is the action complete?

--

Go to Step 30

--

25

  1. Check for a faulty electrical connection at the ignition coil.
  2. Repair as necessary.

Was a repair necessary?

--

Go to Step 30

Go to Step 26

26

Replace the faulty ignition coil. Refer to Ignition Coil Replacement .

Is the action complete?

--

Go to Step 30

-

27

  1. Check for any of the following engine mechanical conditions:
  2. • A worn camshaft or a faulty camshaft
    • Leaking valves or sticking valves
    • Leaking piston rings or sticking piston rings
    • Excessive valve deposits
    • Collapsed lifters or sticking lifters
    • Weak valve springs
    • Incorrect valve timing
    • A leaking head gasket
  3. Repair as necessary. Refer to Engine Compression Test in Engine Mechanical.

Was a basic engine mechanical concern found and repaired?

--

Go to Step 30

Go to Diagnostic Aids

28

Replace any faulty spark plug wires. Refer to Spark Plug Wire Harness Replacement in Engine Electrical.

Is the action complete?

--

Go to Step 30

-

29

Replace the CKP sensor. Refer to Crankshaft Position Sensor Replacement .

Is the action complete?

--

Go to Step 30

-

30

Start the vehicle, and observe the MIL.

Does the MIL turn OFF approximately 1 to 2 seconds after the engine is started?

--

System OK

Go to the applicable DTC table