GM Service Manual Online
For 1990-2009 cars only
Makes
🢒
Chevrolet
🢒
2000
🢒
Metro
🢒
Engine
🢒
Engine Electrical
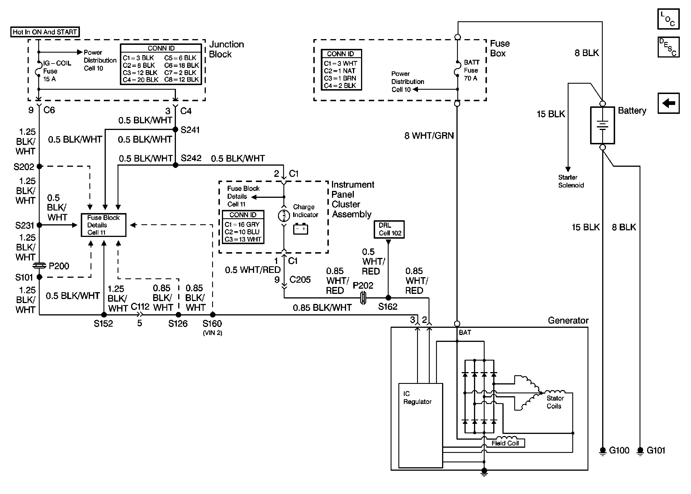
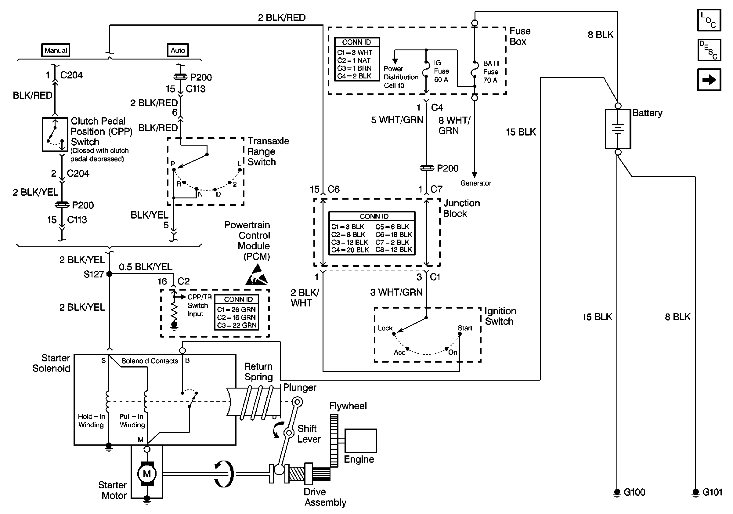
🢒 Starting and Charging Schematics
Figure
1:
Cell 30: Starting System
Figure
2:
Cell 30: Charging System