GM Service Manual Online
For 1990-2009 cars only
Makes
🢒
Chevrolet
🢒
2000
🢒
Metro
🢒
Body and Accessories
🢒
Lighting Systems
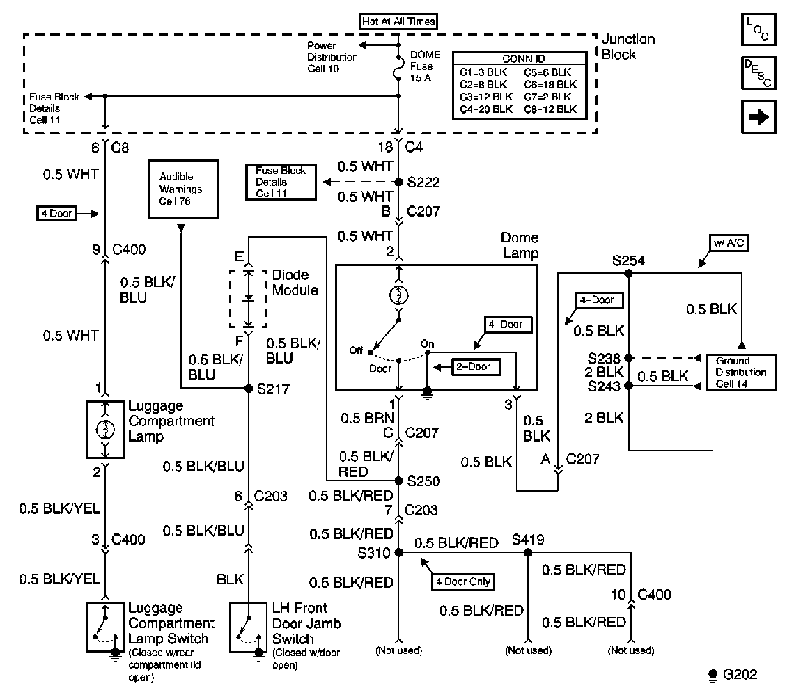
🢒 Interior Lights Schematics
Figure
1:
Cell 114: Diode Module
Figure
2:
Cell 114: Luggage Compartment Lamp