GM Service Manual Online
For 1990-2009 cars only
Makes
🢒
Chevrolet
🢒
2000
🢒
Metro
🢒
Body and Accessories
🢒
Instrument Panel, Gauges, and Console
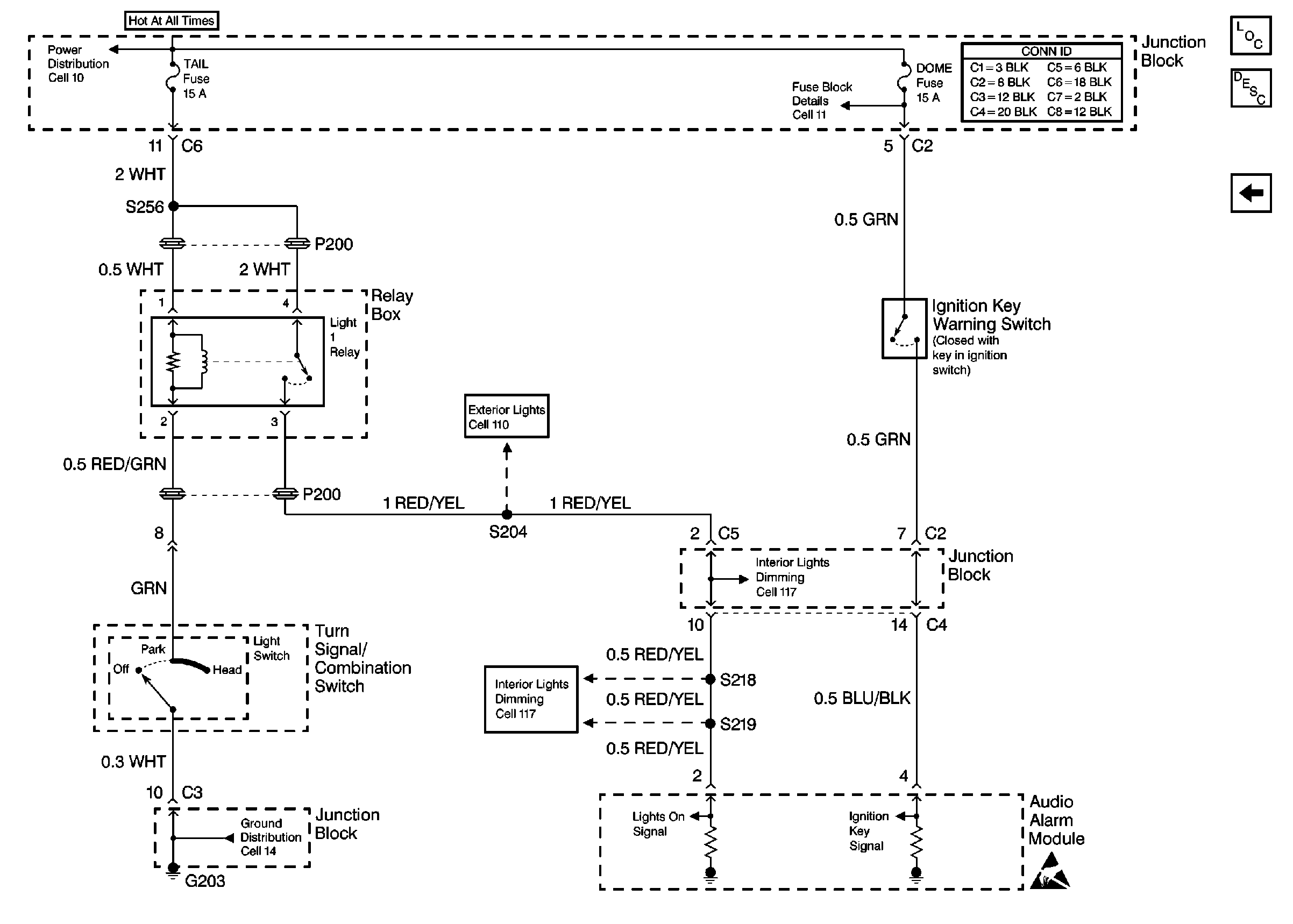
🢒 Audible Warnings Schematics
Figure
1:
Cell 76: Power, Ground, Seat Belt Switch and Door Jamb Switch
Figure
2:
Cell 76: Light Switch and Ignition Key Warning Switch