GM Service Manual Online
For 1990-2009 cars only
Makes
🢒
Chevrolet
🢒
2000
🢒
Metro
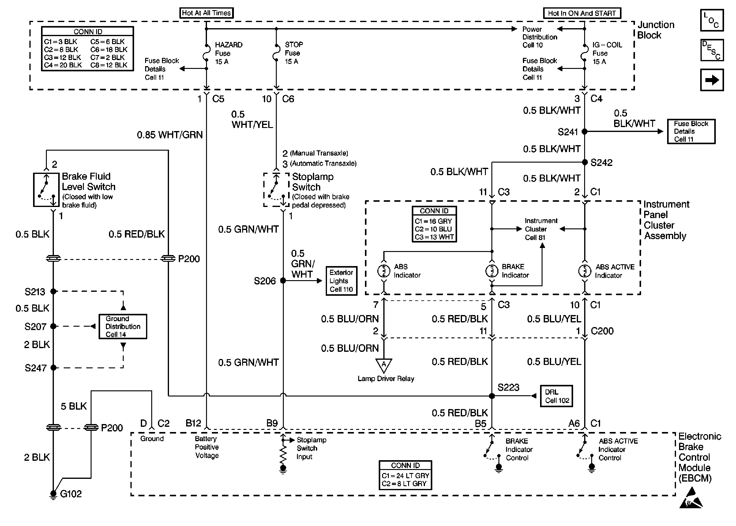
🢒 Cell 44: Power, Ground and Indicators
Cell 44: Power, Ground and Indicators
Cell 44: Power, Ground and Indicators