GM Service Manual Online
For 1990-2009 cars only
Makes
🢒
Chevrolet
🢒
2000
🢒
Metro
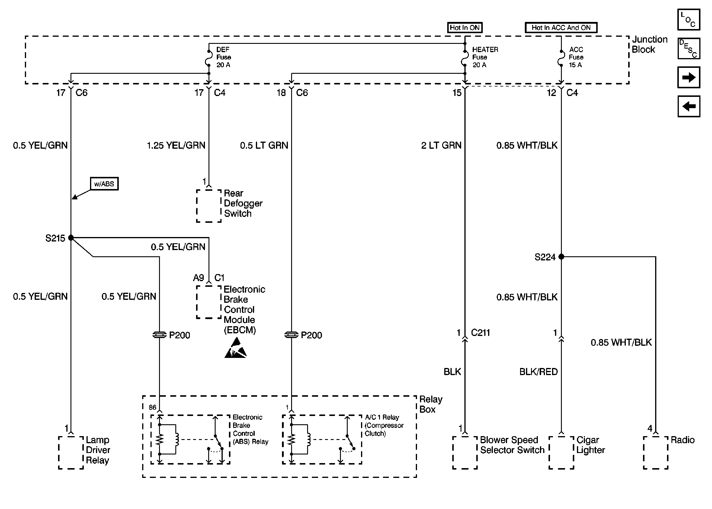
🢒 Cell 11: Def, Heater, ACC Fuses
Cell 11: Def, Heater, ACC Fuses
Cell 11: Def, Heater, ACC Fuses
Power and Grounding Components
Power and Grounding Description
Cell 11: PTC, FI, RDTR, and A/C Fuses
Cell 11: PTC, FI, RDTR, and A/C Fuses
Cell 11: Front and Rear Wiper Motors
Handling ESD Sensitive Parts Notice