GM Service Manual Online
For 1990-2009 cars only
Makes
🢒
Chevrolet
🢒
2000
🢒
Metro
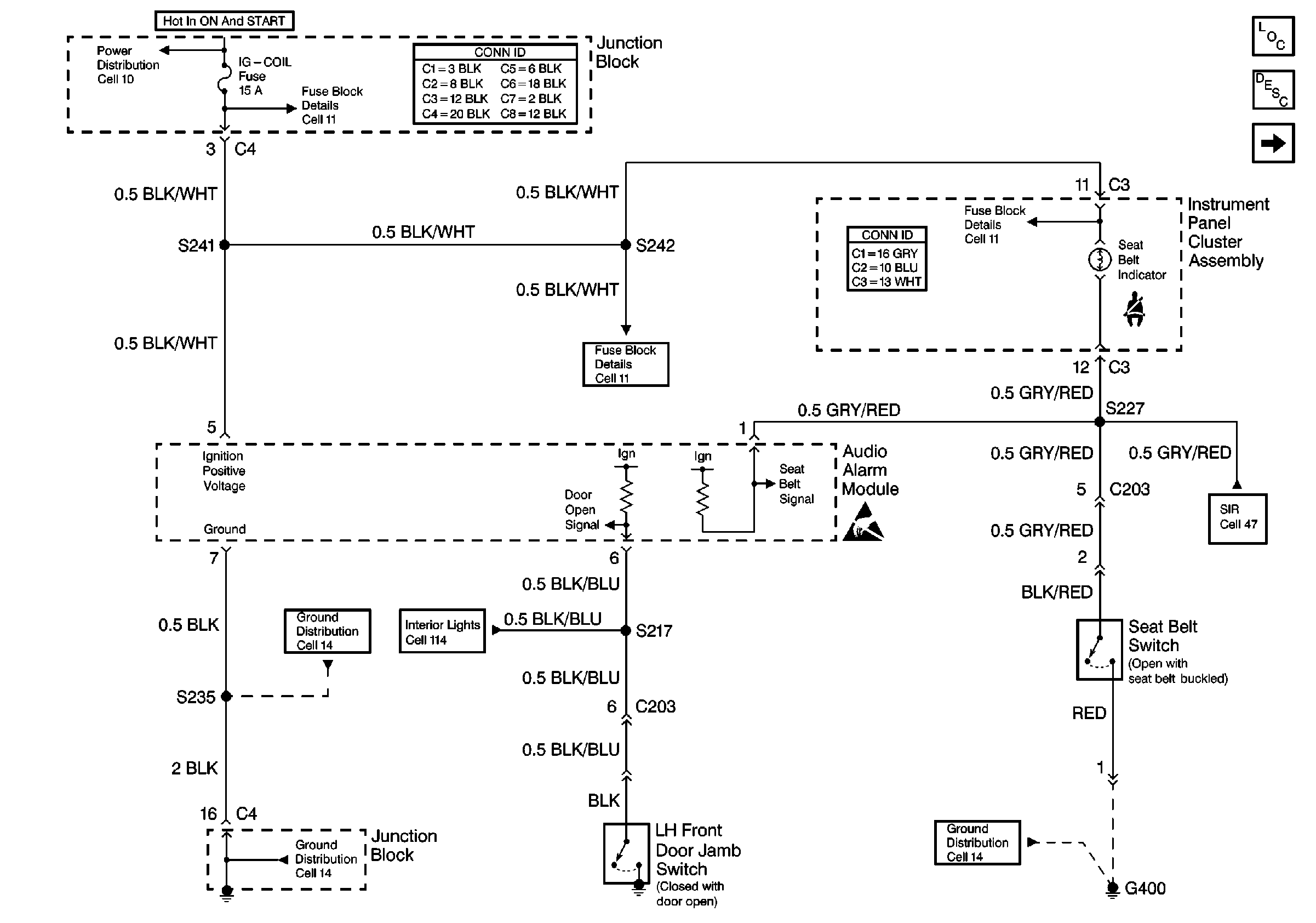
🢒 Cell 76: Power, Ground, Seat Belt Switch and Door Jamb Switch
Cell 76: Power, Ground, Seat Belt Switch and Door Jamb Switch
Cell 76: Power, Ground, Seat Belt Switch and Door Jamb Switch