GM Service Manual Online
For 1990-2009 cars only

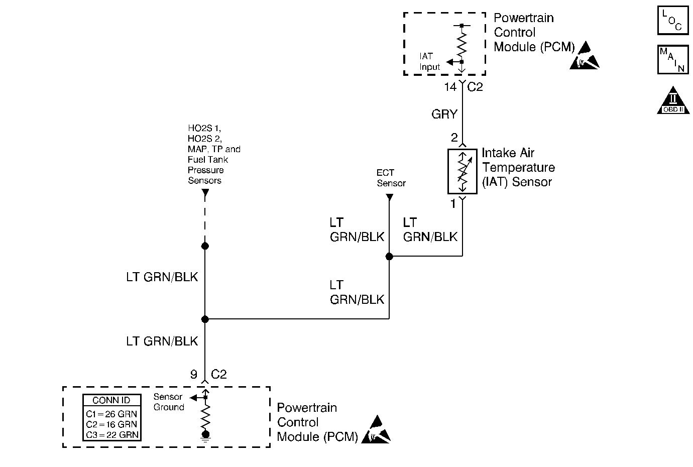
Object Number: 70351  Size: MF
Engine Controls Components
Cell 20: Engine Data Sensors
OBD II Symbol Description Notice
Handling ESD Sensitive Parts Notice
Handling ESD Sensitive Parts Notice

Circuit Description

The intake air temperature (IAT) sensor is a thermistor. A thermistor is a resistor whose value varies with temperature. The IAT sensors resistance is high when the outside air temperature is cold, and the IAT sensors resistance is low when the outside air temperature is warm. The IAT sensor is wired in series with a fixed resistor in the powertrain control module (PCM). The PCM applies 5 volts to the IAT sensor. The PCM monitors the voltage across the IAT sensor and converts the voltage into a temperature reading. The PCM will receive a high voltage input if the air temperature is cold. The PCM will receive a low voltage input if the air temperature is warm.

Conditions for Running the DTC

The ignition is ON.

Conditions for Setting the DTC

    • The IAT sensor signal voltage indicates that the intake air temperature is less than -40°C (-40°F).
    • The above condition is present for at least 0.5 seconds.

Action Taken When the DTC Sets

    • The PCM illuminates the malfunction indicator lamp (MIL).
    • The PCM records the operating conditions at the time that the diagnostic fails. The Freeze Frame buffer stores this information.
    • The PCM enters the Fail-Safe Function and assumes the intake air temperature is 20°C (68°F), while stopping EGR control.

Conditions for Clearing the MIL/DTC

    • The MIL turns OFF after three consecutive passing trips without a fault present.
    • A History DTC clears after 40 consecutive warm-up cycles without a fault.
    • Use the Clear DTC Information function on the scan tool, or disconnect the PCM battery feed in order to clear the DTC.

Diagnostic Aids

Check for any of the following conditions:

    • A faulty electrical connection to the PCM.
    • Use the Temperature vs Resistance table in order to check the IAT sensor at various temperature levels, and evaluate the possibility of a shifted sensor. A shifted sensor could result in a driveability complaint. Refer to Temperature Versus Resistance .
    • When a DTC P0108, P0113, P0118, and P0123 are set together, the cause could be an open ground circuit.
    • An IAT sensor signal circuit that is shorted to voltage may cause a DTC P0113 to set.

A fault in the IAT sensor electrical circuit may cause an intermittent malfunction. Inspect the wiring harness and the components for any of the following conditions:

    • Backed out terminals
    • Incorrect mating of terminals
    • Broken electrical connector locks
    • Incorrectly formed terminals or damaged terminals
    • Faulty terminal-to-wire connections
    • Physical damage to the wiring harness
    • A broken wire inside the insulation
    • Corrosion of electrical connections, of electrical splices, or of terminals

If a DTC P0113 cannot be duplicated, the Freeze Frame data can be useful in determining vehicle operating conditions when the DTC was set.

Test Description

The numbers below refer to the step numbers in the Diagnostic Table.

  1. The Powertrain OBD System Check prompts the technician to complete some basic checks, and to store the applicable freeze frame data on the scan tool. This creates an electronic copy of the data that was taken when the fault occurred. The scan tool stores the information for later reference.

  2. This step checks the current IAT sensor reading.

  3. This step determines if the fault is present.

  4. This step determines if there is a fault in the IAT circuit wiring.

Step

Action

Value(s)

Yes

No

1

Did you perform the Powertrain On-Board Diagnostic (OBD) System Check?

--

Go to Step 2

Go to Powertrain On Board Diagnostic (OBD) System Check

2

  1. Turn ON the ignition, leaving the engine OFF.
  2. Install a scan tool.
  3. Observe the IAT parameter on the scan tool data list.

Is the IAT display at the specified value or less than the specified value?

-40°C (-40°F)

Go to Step 4

Go to Step 3

3

  1. Turn ON the ignition, leaving the engine OFF.
  2. Clear the scan tool information.
  3. Operate the vehicle within the Freeze Frame conditions as noted.

Is a DTC P0113 set?

--

Go to Step 4

Go to Diagnostic Aids

4

  1. Disconnect the IAT sensor electrical connector.
  2. Jump the IAT sensor signal circuit and the sensor ground circuit together at the IAT sensor harness connector.
  3. Observe the IAT parameter on the scan tool.

Is the IAT display at the specified value?

119°C (246°F)

Go to Step 6

Go to Step 5

5

  1. Jump the IAT sensor signal circuit at the sensor harness connector to chassis ground.
  2. Observe the IAT parameter on the scan tool.

Is the IAT display at the specified value?

119°C (246°F)

Go to Step 7

Go to Step 8

6

  1. Check for a faulty connection at the IAT sensor.
  2. Repair as necessary.

Was a repair necessary?

--

Go to Step 12

Go to Step 10

7

  1. Turn OFF the ignition.
  2. Disconnect the PCM.
  3. Check the IAT sensor ground circuit for an open.
  4. Repair as necessary. Refer to Wiring Repairs in Wiring Systems.

Was a repair necessary?

--

Go to Step 12

Go to Step 9

8

  1. Turn OFF the ignition.
  2. Disconnect the PCM.
  3. Check the IAT sensor signal circuit for an open.
  4. Repair as necessary. Refer to Wiring Repairs in Wiring Systems.

Was a repair necessary?

--

Go to Step 12

Go to Step 9

9

  1. Check for a faulty terminal connection of the IAT sensor ground circuit at the PCM electrical connector.
  2. Repair as necessary. Refer to Wiring Repairs in Wiring Systems.

Was a repair necessary?

--

Go to Step 12

Go to Step 11

10

Replace the IAT sensor. Refer to Intake Air Temperature Sensor Replacement .

Is the action complete?

--

Go to Step 12

--

11

Replace the PCM. Refer to Powertrain Control Module Replacement .

Is the action complete?

--

Go to Step 12

12

  1. Clear the scan tool information, and road-test the vehicle within the Freeze Frame conditions which set the DTC.
  2. Review the scan tool data, and check the data for DTCs. The repair is complete if no DTCs are stored.

Does the scan tool display any DTCs?

--

Go to the Applicable DTC Table

System OK