GM Service Manual Online
For 1990-2009 cars only

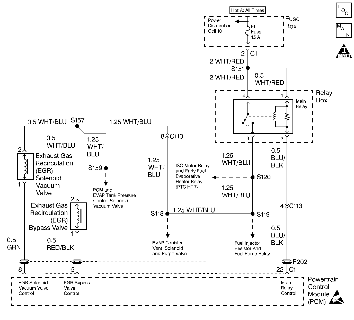
Object Number: 70568  Size: LF
Engine Controls Components
Cell 20: EGR Controls and EFE Heater
OBD II Symbol Description Notice
Handling ESD Sensitive Parts Notice

Circuit Description

The exhaust gas recirculation (EGR) system controls the formation of NOx (Oxides of Nitrogen) emissions by recirculating the exhaust gases into the combustion chamber. The powertrain control module (PCM) uses the expected changes in the manifold absolute pressure (MAP) sensor readings in order to evaluate the performance of the EGR system. The PCM applies full manifold vacuum to the EGR valve while monitoring the MAP sensor signal. The PCM suspects that the EGR valve flow is incorrect when the monitored MAP sensor pressure change is either too large or too small.

Conditions for Running the DTC

    • Barometric pressure is greater than or equal to 75 kPa.
    • Engine coolant temperature is between 80°C and 110°C (176°F and 230°F).
    • Intake air temperature is between -10°C and 50°C (14°F and 122°F).

Conditions for Setting the DTC

Intake pressure change during steady state driving conditions (EGR valve is OPEN):

    • Engine speed is between 1,500 and 4,000 RPM.
    • Vehicle speed is greater than 32 km/h (20 mph).
    • Engine speed change is less than 150 RPM / 25 ms.
    • The change in throttle position is less than 0.244 degrees in 16 firing events.
    • The EGR valve is commanded CLOSED as the intake pressure difference diagnostic runs for 2 seconds, once per drive cycle.
    • The intake pressure difference diagnostic indicates that EGR flow is more than expected or less than expected.

Intake pressure change during deceleration (EGR valve is CLOSED):

    • Initial engine speed is between 3,500 and 4,000 RPM.
    • Initial vehicle speed is greater than 60 km/h (40 mph).
    • After 290 seconds from engine start in fuel shut-off mode.
    • The EGR valve is commanded OPEN as the intake pressure difference diagnostic runs for 2 seconds, once per drive cycle.
    • The intake pressure difference diagnostic indicates that EGR flow is more than expected or less than expected.

Action Taken When the DTC Sets

    • The PCM illuminates the malfunction indicator lamp (MIL) after two consecutive ignition cycles in which the diagnostic runs with the fault active.
    • The PCM records the operating conditions at the time the diagnostic fails. This information is stored in the Freeze Frame buffer.

Conditions for Clearing the MIL/DTC

    • The MIL turns OFF after three consecutively passing trips without a fault present.
    • A History DTC clears after 40 consecutive warm-up cycles without a fault.
    • Use the scan tool Clear DTC Information function in order to clear the DTC.

Diagnostic Aids

A DTC P0400 is more likely to set during a combination of highway and city driving. Operate the vehicle in stop and go situations with short trips on the highway in order to validate a DTC P0400.

Clear the DTC information. Road test the vehicle while monitoring the EGR System test in the MIL/System Status selection under System Information on the scan tool. When the EGR System test indicates complete with a YES status, check for a DTC P0400 under Last Test Failed. If there is no DTC P0400 indicated, the DTC is intermittent and the EGR System diagnostic is indicating OK at this time.

Normal engine operating temperature is specified as 80°C (176°F) or above.

Check for any of the following conditions:

    • A blocked or leaking exhaust manifold to EGR pressure transducer hose
    • Faulty vacuum hose connections
    • Leaking, deteriorated, or blocked vacuum hoses
    • Incorrectly routed vacuum hoses
    • An EGR valve that is stuck closed, stuck open, or binding.
    • An EGR pressure transducer malfunction.
    • An EGR solenoid vacuum valve or an EGR bypass valve malfunction.
    • An incorrect PCM can cause a DTC P0400 to set. Check that the correct PCM is installed in the vehicle as required for proper emission certification.
    • A faulty electrical connection at the PCM.

Perform functional checks of the individual EGR system components. Refer to Exhaust Gas Recirculation (EGR) System Diagnosis .

A DTC P0400 may set when the expected change in MAP is greater than or less than the expected value, during the operation of the EGR bypass valve. Investigate any condition that can affect the accuracy of the MAP sensor readings.

    • Retarded ignition timing
    • Restricted exhaust system
    • Faulty vacuum supply hoses to the MAP sensor

An intermittent malfunction may be caused by a fault in the EGR control system electrical circuits. Inspect the wiring harness and components for any of the following conditions:

    • Backed out terminals
    • Improper mating of terminals
    • Broken electrical connector locks
    • Improperly formed or damaged terminals
    • Faulty terminal to wire connections
    • Physical damage to the wiring harness
    • A broken wire inside the insulation
    • Corrosion of electrical connections, splices, or terminals

If a DTC P0400 cannot be duplicated, the information included in the Freeze Frame data can be useful in determining vehicle operating conditions when the DTC was first set.

Test Description

The numbers below refer to the step numbers in the Diagnostic Table.

  1. The Powertrain OBD System Check prompts the technician to complete some basic checks and store the freeze frame data on the scan tool if applicable. This creates an electronic copy of the data taken when the fault occurred. The information is then stored in the scan tool for later reference.

  2. Checks for an EGR valve that is staying open.

  3. This step determines if there are faults in the EGR valve or EGR bypass valve components. If the EGR valve and the EGR bypass valve are operating normally, the engine will run rough or even stall when the EGR bypass valve solenoid is commanded ON. The EGR bypass valve output control is disabled by the PCM until the engine has reached a normal operating temperature of at least 80°C (176°F) and all DTCs are cleared.

  4. This step determines if a fault is present in the EGR back pressure transducer or the EGR solenoid vacuum valve. When the engine is cold the EGR valve should not operate when engine RPM is raised. Bring the engine to operating temperatures and raise the RPM. The EGR valve should move accordingly.

  5. Steps 2 thru 4 test for the normal operation of the EGR valve. This step checks whether the malfunction that caused the DTC P0400 is still present. Driving the vehicle under these conditions will verify that the fault is present. The DTC P0400 diagnostic can be monitored on the scan tool under the MIL/System Status selection of System Information. When the EGR System test displays a YES status (indicating that the purge system diagnostic is completed) check for a DTC P0400 in the Last Test Failed screen of the scan tool. If there is no DTC P0400 displayed the EGR system diagnostic has run and passed, indicating that no malfunction was present this time. DTCs MUST BE CLEARED in order to view the CURRENT STATUS of the system diagnostics being performed. Do not forget that the MIL/System Status tests only indicate that the test has run, not whether the test passed or failed. The Last Test Failed screen must be checked for related DTCs in order to determine the outcome of the diagnostic test involved. If a DTC P0400 resets, the fault could be an out of specification MAP sensor reading.

  6. Determine the cause of the incorrect flow of exhaust gas.

  7. After completing the diagnostic procedures and no open or short was found in the EGR bypass valve control circuit, replace the PCM with a known good unit and retest.

  8. This step checks the operation of the EGR solenoid vacuum valve. Turning ON the EGR solenoid vacuum valve with a scan tool will bleed off the ported manifold vacuum signal causing the vacuum gauge to read zero. The EGR solenoid vacuum valve output control is disabled by the PCM until the engine has reached a normal operating temperature of at least 80°C (176°F) and all DTCs are cleared. The PCM will abort control of the EGR solenoid vacuum valve when engine speed exceeds 3,000 RPM.

  9. This step checks the operation of the EGR solenoid vacuum valve. Turning OFF the EGR solenoid vacuum valve with a scan tool will allow ported manifold vacuum to reach the vacuum gauge. The EGR solenoid vacuum valve output control is disabled by the PCM until the engine has reached a normal operating temperature of at least 80°C (176°F) and all DTCs are cleared. The PCM will abort control of the EGR solenoid vacuum valve when engine speed exceeds 3,000 RPM.

  10. This step checks for a malfunction in the MAP sensor. If the MAP sensor input to the PCM is not within specific values when the P0400 diagnostic is run, a DTC P0400 may set.

Step

Action

Value(s)

Yes

No

1

Did you perform the Powertrain On-Board Diagnostic (OBD) System Check?

--

Go to Step 2

Go to Powertrain On Board Diagnostic (OBD) System Check

2

  1. Start the engine.
  2. Run the engine to normal operating temperature.

Does the engine run rough or is the idle unstable?

--

Go to Step 6

Go to Step 3

3

  1. Install a scan tool.
  2. Turn ON the EGR bypass valve with the scan tool.

Did the engine idle speed drop and did the engine run rough?

--

Go to Step 4

Go to Step 8

4

  1. Place the transmission in neutral and apply the parking brake.
  2. Observe the EGR valve diaphragm while accelerating the engine.

Did the EGR valve diaphragm open when the engine was accelerated?

--

Go to Step 5

Go to Step 15

5

  1. Clear the scan tool information.
  2. Operate the vehicle within the Freeze Frame conditions as specified or until the EGR System test is complete. Refer to Test Description.
  3. Check for a DTC P0400.

Did a DTC P0400 set?

--

Go to Step 33

Fault not Present-Go to Diagnostic Aids

6

Disconnect the vacuum hose at the EGR valve.

Did the engine smooth out or did the engine idle stabilize?

--

Go to Step 7

Go to Step 9

7

  1. Connect a vacuum gauge to the vacuum hose from the EGR valve.
  2. Disconnect the EGR bypass valve electrical connector.

Did the vacuum gauge reading drop to the specified value?

0 in. Hg

Go to Step 28

Go to Step 31

8

Caution: If the EGR valve is hot, wear gloves in order to prevent personal injury.

Lift up on the EGR valve diaphragm while observing engine performance.

Did the engine idle speed drop and did the engine run rough?

--

Go to Step 10

Go to Step 9

9

  1. Remove the EGR valve.
  2. Physically inspect the valve and the intake manifold for the following conditions:
  3. • EGR valve pintle stuck open or closed.
    • Carbon deposits
    • Plugged passages
    • Ruptured diaphragm
  4. Repair as necessary.

Was a repair necessary?

--

Go to Step 34

Go to Step 26

10

  1. Connect a vacuum gauge to the vacuum hose from the EGR valve.
  2. Turn ON the EGR bypass valve with the scan tool while observing the vacuum gauge.

Does the vacuum gauge indicate the specified range?

17-22 in. Hg

Go to Step 26

Go to Step 11

11

  1. Run the engine at normal operating temperature.
  2. Check for any of the following conditions at the EGR bypass valve:
  3. • No manifold vacuum from the intake manifold vacuum port.
    • Leaking or damaged vacuum hoses.
    • Clogged or restricted vacuum hoses or passages.
  4. Repair as necessary.

Was a repair necessary?

--

Go to Step 34

Go to Step 12

12

  1. Disconnect the EGR bypass valve electrical connector.
  2. Turn ON the ignition, leaving the engine OFF.
  3. Probe the EGR bypass valve control circuit with a test lamp connected to B+.
  4. Turn ON the EGR bypass valve with the scan tool.

Did the test lamp illuminate?

--

Go to Step 13

Go to Step 14

13

  1. Turn ON the ignition, leaving the engine OFF.
  2. Probe the ignition positive voltage circuit to the EGR bypass valve with a test lamp connected to ground.

Did the test lamp illuminate?

--

Go to Step 31

Go to Step 29

14

  1. Check the EGR bypass valve control circuit for an open between the PCM and the EGR bypass valve.
  2. Repair as necessary. Refer to Wiring Repairs in Wiring Systems.

Was a repair necessary?

--

Go to Step 34

Go to Step 32

15

  1. Connect a vacuum gauge to the vacuum port on the EGR back pressure transducer side of the EGR solenoid vacuum valve.
  2. With the engine running at normal operating temperature, raise the engine speed to 2,500 RPM.
  3. Turn ON the EGR solenoid vacuum valve with a scan tool while observing the vacuum gauge.

Does the vacuum gauge indicate the specified value?

0 in. Hg

Go to Step 16

Go to Step 23

16

  1. Continue to operate the engine at 2,500 RPM.
  2. Turn OFF the EGR solenoid vacuum valve with the scan tool while observing the vacuum gauge.

Does the vacuum gauge indicate the specified value?

5 in. Hg

Or More

Go to Step 17

Go to Step 20

17

  1. Remove the EGR back pressure transducer.
  2. Place a finger over the EGR back pressure transducer tube Q and blow into tube P.

Does air pass through the filter part of the transducer?

--

Go to Step 18

Go to Step 19

18

  1. Connect a vacuum pump to tube P.
  2. Plug tube Q with your finger.
  3. Blow air into tube A while applying vacuum to tube P at the same time.
  4. Stop blowing into tube A.
  5. Vacuum should be obtainable on the vacuum pump gauge when performing step 2 and the gauge should read zero in step 3.

Did the EGR back pressure transducer fail either test?

--

Go to Step 19

Go to Step 33

19

Replace the EGR back pressure transducer. Refer to Exhaust Gas Recirculation Back Pressure Sensor Replacement .

Is the action complete?

--

Go to Step 34

--

20

  1. Continue to operate the engine at 2,500 RPM.
  2. Disconnect the EGR solenoid vacuum valve electrical connector while observing the vacuum gauge.

Does the vacuum gauge indicate the specified value?

5 in. Hg

Or More

Go to Step 22

Go to Step 21

21

  1. Check for ported vacuum to the EGR solenoid vacuum valve. If not OK, inspect the vacuum source and vacuum hoses for blockage and leaks.
  2. Repair as necessary.

Was a repair necessary?

--

Go to Step 34

Go to Step 27

22

  1. Check the EGR solenoid vacuum valve control circuit for a short to ground between the PCM and the EGR solenoid vacuum valve.
  2. Repair as necessary. Refer to Wiring Repairs in Wiring Systems.

Was a repair necessary?

--

Go to Step 34

Go to Step 32

23

  1. Turn ON the ignition, leaving the engine OFF.
  2. Probe the ignition positive voltage circuit to the EGR solenoid vacuum valve, with a test lamp connected to ground.

Did the test lamp illuminate?

--

Go to Step 24

Go to Step 30

24

  1. Turn ON the ignition, leaving the engine OFF.
  2. Probe the EGR solenoid vacuum valve control circuit with a test lamp connected to B+.
  3. Turn ON the EGR solenoid vacuum valve with the scan tool.

Did the test lamp illuminate?

--

Go to Step 27

Go to Step 25

25

  1. Check the EGR solenoid vacuum valve control circuit for an open between the PCM and the EGR solenoid vacuum valve.
  2. Repair as necessary. Refer to Wiring Repairs in Wiring Systems.

Was a repair necessary?

--

Go to Step 34

Go to Step 32

26

Replace the EGR valve. Refer to Exhaust Gas Recirculation Valve Replacement .

Is the action complete?

--

Go to Step 34

--

27

Replace the EGR solenoid vacuum valve. Refer to Exhaust Gas Recirculation Solenoid Vacuum Valve Replacement .

Is the action complete?

--

Go to Step 34

--

28

  1. Check the EGR bypass valve control circuit for a short between the PCM and the EGR bypass valve.
  2. Repair as necessary. Refer to Wiring Repairs in Wiring Systems.

Was a repair necessary?

--

Go to Step 34

Go to Step 32

29

Repair the open in the ignition positive voltage circuit to the EGR bypass valve. Refer to Wiring Repairs in Wiring Systems.

Is the action complete?

--

Go to Step 34

--

30

Repair the open in the ignition positive voltage circuit to the EGR solenoid vacuum valve. Refer to Wiring Repairs in Wiring Systems.

Is the action complete?

--

Go to Step 34

--

31

Replace the EGR bypass valve. Refer to Exhaust Gas Recirculation Bypass Valve Replacement .

Is the action complete?

--

Go to Step 34

--

32

Replace the PCM. Refer to Powertrain Control Module Replacement .

Is the action complete?

--

Go to Step 34

--

33

  1. Inspect the MAP sensor for any of the following conditions:
  2. • A faulty or incorrectly calibrated (shifted) MAP sensor
    • A faulty vacuum input to the MAP sensor
    • A faulty electrical circuit or connection to the MAP sensor
  3. Repair as necessary.

Was a repair necessary?

--

Go to Step 34

Go to Diagnostic Aids

34

  1. Perform the scan tool Clear DTC Information function and road test vehicle within Freeze Frame conditions that set the DTC.
  2. Review the scan tool data and check for DTCs. The repair is complete if no DTCs are stored.

Are any DTCs displayed on the scan tool?

--

Go to the Applicable DTC Table.

System OK