GM Service Manual Online
For 1990-2009 cars only
Table 1: EFE Heater Relay Circuit

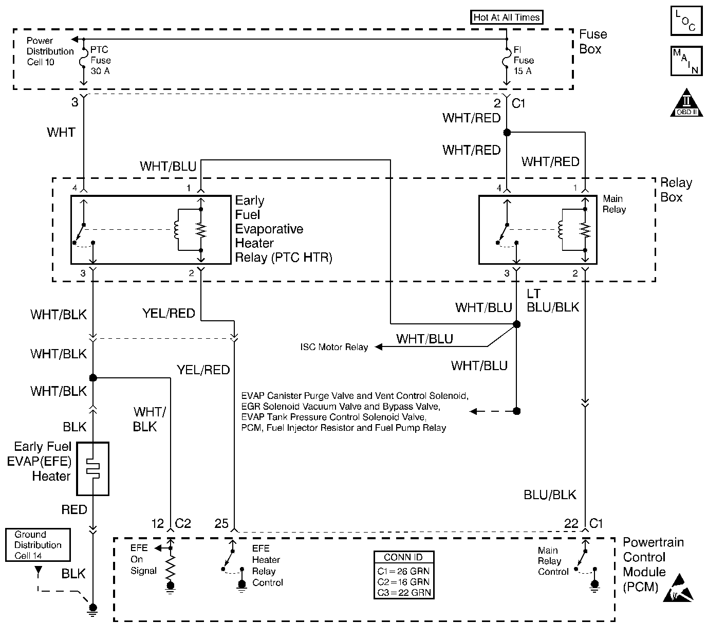
Object Number: 70585  Size: LF
Engine Controls Components
Cell 20: EGR Controls and EFE Heater
OBD II Symbol Description Notice
Handling ESD Sensitive Parts Notice

Circuit Description

The early fuel evaporation (EFE) heater provides a rapid heating of the air/fuel mixture during cold start conditions. Rapid heating provides quick fuel evaporation and a more even distribution of fuel. Rapid heating also reduces exhaust emission levels. The EFE heater is operated by a relay that is controlled by the powertrain control module (PCM). The EFE heater is a positive temperature coefficient design that is turned on when the engine is cold and running faster than 800 RPM. The PCM turns off the EFE relay when the engine reaches operating temperature or anytime the engine speed is reduced to idle.

Conditions for Running the DTC

    • The engine is running.
    • Barometric pressure is greater than 75 kPa.
    • Intake air temperature is -10°C to 50°C (14°F to 122°F).

Conditions for Setting the DTC

The EFE On Signal circuit voltage is less than 2.5 volts with the EFE heater ON.

OR

The EFE On Signal circuit voltage is greater than 0.3 volts with the EFE heater OFF.

Either condition is present for 5 seconds or more.

Action Taken When the DTC Sets

    • The malfunction indicator lamp (MIL) illuminates after two consecutive ignition cycles in which the diagnostic runs with the fault active.
    • The PCM records the operating conditions at the time that the diagnostic fails. This information will be stored in the Freeze Frame buffer.

Conditions for Clearing the DTC

    • The MIL turns OFF after 3 consecutive passing trips without a fault present.
    • A History DTC clears after 40 consecutive warm-up cycles without a fault.
    • Use the Clear DTC Information function, or disconnect the PCM battery feed in order to clear the DTC.

Diagnostic Aids

Check for any of the following conditions:

    • Check the resistance of the EFE heater relay. The resistance between terminal 1 and terminal 2 is 79-95 ohms at 20°C (68°F). The resistance between terminal 3 and terminal 4 is infinite.
    • The electrical contacts of the EFE heater relay may be pitted or sticking. Replace the EFE heater relay if tapping gently on the relay or wiggling the relay causes a change in the relay's operation.
    • The performance of the EFE heater relay may be affected by temperature. If the vehicle sits outside overnight, run the engine for 30 minutes before you check the EFE heater relay.
    • Check for a faulty electrical connection to the PCM.

An intermittent malfunction may be caused by a fault in the EFE heater electrical circuit. Inspect the wiring harness and the components for any of the following conditions:

    • Backed out terminals
    • Incorrect mating of terminals
    • Broken electrical connector locks
    • Incorrectly formed terminals or damaged terminals
    • Faulty terminal-to-wire connections
    • Physical damage to the wiring harness
    • A broken wire inside the insulation
    • Corrosion of electrical connections, of splices, or of terminals

If DTC P1250 cannot be duplicated, the Freeze Frame data can be useful in determining the vehicle operating conditions when the DTC was first set.

Use the following relay cavity table in order to locate the correct cavities to probe during diagnosis. The table layout corresponds to the cavity layout of the relay block.

EFE Heater Relay Circuit

Relay Cavity Identification

Switch Power

Switch Load

Coil Power

Coil Ground

Test Description

The numbers below refer to the step numbers in the Diagnostic Table.

  1. The Powertrain OBD System Check prompts the technician to complete some basic checks and store the freeze frame data on the scan tool if applicable. This creates an electronic copy of the data taken when the fault occurred. The information is then stored in the scan tool for later reference.

  2. This step will verify whether the EFE heater relay circuit is always ON. The EFE heater relay should only be grounded when the engine is running and the ECT sensor is reading less than 80°C (176°F).

  3. This step will verify whether the PCM is providing a ground path for the EFE heater relay circuit. Terminal 2 of the EFE heater relay is grounded by the PCM only when the engine is running and the ECT sensor is reading less than 80°C (176°F).

Step

Action

Value(s)

Yes

No

1

Did you perform the Powertrain On-Board Diagnostic (OBD) System Check?

--

Go to Step 2

Go to Powertrain On Board Diagnostic (OBD) System Check

2

Check for an open in the PTC fuse.

Was an open fuse found?

--

Go to Step 15

Go to Step 3

3

  1. Turn OFF the ignition.
  2. Remove the EFE heater relay from the relay box.
  3. Turn ON the ignition, leaving the engine OFF.
  4. Probe terminal 4 (relay box side) using a test lamp connected to ground. Refer to the Relay Cavity Identification table in Diagnostic Aids.

Does the test lamp illuminate?

--

Go to Step 4

Go to Step 7

4

Probe terminal 1 of the EFE heater relay (relay box side) using a test lamp connected to ground.

Does the test lamp illuminate?

--

Go to Step 5

Go to Step 8

5

  1. Turn OFF the ignition.
  2. Probe terminal 2 of the EFE heater relay (relay box side), using a test lamp connected to B+.
  3. Turn ON the ignition, leaving the engine OFF.
  4. Observe the test lamp.

Does the test lamp illuminate?

--

Go to Step 10

Go to Step 6

6

  1. Install a scan tool.
  2. Observe the ECT sensor parameter on the scan tool.
  3. Let the engine cool down until the ECT sensor display is less than the specified value.
  4. Start the engine.
  5. Probe terminal 2 of the EFE heater relay (relay box side), with the test lamp connected to B+.

Did the test lamp illuminate?

75°C (167°F)

Go to Step 11

Go to Step 9

7

  1. Test for any of the following conditions:
  2. • Test for an open in the ignition positive voltage circuit between the PTC fuse and the EFE heater relay.
    • Test for the cause of no ignition positive voltage in the PTC fuse circuit.
  3. Repair as necessary. Refer to Wiring Repairs in Wiring Systems.

Is the action complete?

--

Go to Step 20

--

8

  1. Test for an open in the ignition positive voltage circuit between the main relay and the EFE heater relay.
  2. Repair as necessary. Refer to Wiring Repairs in Wiring Systems.

Was a repair necessary?

--

Go to Step 20

Go to Main Relay Circuit Diagnosis

9

  1. Check for an open in the EFE heater relay control circuit between the EFE heater relay and the PCM.
  2. Repair as necessary. Refer to in Wiring Repairs Wiring Systems.

Was a repair necessary?

--

Go to Step 20

Go to Step 19

10

  1. Check for a short in the EFE heater relay control circuit between the EFE heater relay and the PCM.
  2. Repair as necessary. Refer to Wiring Repairs in Wiring Systems.

Was a repair necessary?

--

Go to Step 20

Go to Step 19

11

  1. Turn OFF the ignition.
  2. Install the EFE heater relay to the relay box.
  3. Disconnect the EFE heater electrical connector.
  4. Connect a test lamp from the EFE heater ignition positive voltage circuit (from the EFE heater relay) to ground.
  5. Start the engine when the ECT sensor display is less than the specified value.

Does the test lamp illuminate?

75°C (167°F)

Go to Step 12

Go to Step 16

12

Measure the resistance of the EFE Heater with a DMM.

Is the EFE heater resistance within the specified value?

0.5-3.0 ohms at 20°C (68°F)

Go to Step 13

Go to Step 17

13

  1. Test for an open in the EFE heater ground circuit.
  2. Repair as necessary. Refer to in Wiring Repairs Wiring Systems.

Was a repair necessary?

--

Go to Step 20

Go to Step 14

14

  1. Test the EFE On Signal circuit for an open and a short to ground or voltage.
  2. Repair as necessary. Refer to Wiring Repairs in Wiring Systems.

Was a repair necessary?

--

Go to Step 20

Go to Step 19

15

Repair the short to ground in the PTC fuse circuit. Refer to Wiring Repairs in Wiring Systems.

Is the action complete?

--

Go to Step 20

--

16

  1. Test for an open in the EFE heater ignition positive voltage circuit between the EFE heater relay and the EFE heater.
  2. Repair as necessary. Refer to Wiring Repairs in Wiring Systems.

Was a repair necessary?

--

Go to Step 20

Go to Step 18

17

Replace the EFE heater. Refer to EFE Heater Replacement .

Is the action complete?

--

Go to Step 20

--

18

Replace the EFE heater relay. Refer to EFE Heater Relay Replacement .

Is the action complete?

--

Go to Step 20

--

19

Replace the PCM. Refer to Powertrain Control Module Replacement .

Is the action complete?

--

Go to Step 20

--

20

Operate the vehicle within the conditions under which the original concern was noted.

Does the system operate properly with no DTCs?

--

System OK

Go to the Applicable Diagnostic Table