GM Service Manual Online
For 1990-2009 cars only

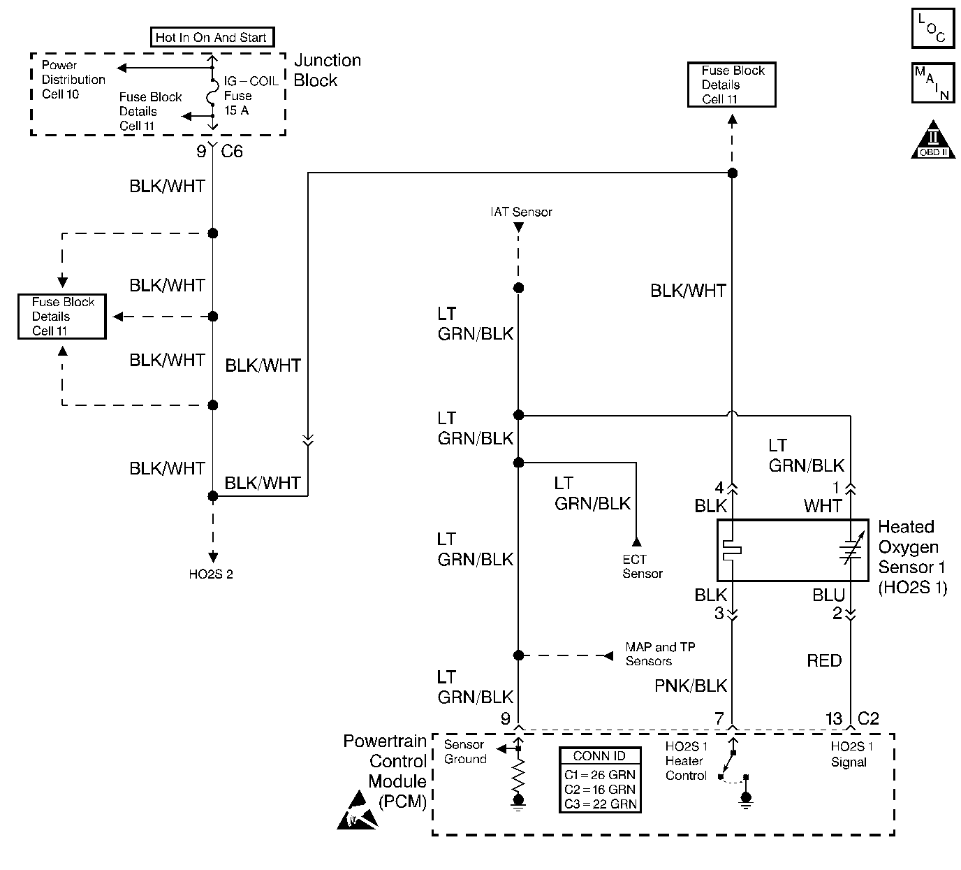
Object Number: 280863  Size: LF
Engine Controls Components
Cell 21: HO2S Sensors
OBD II Symbol Description Notice
Handling ESD Sensitive Parts Notice

Circuit Description

The heated oxygen sensor (HO2S) produces a voltage that varies between 100-900 mV. The powertrain control module (PCM) monitors this voltage and determines from the exhaust oxygen content if the air/fuel mixture is correct. If the voltage input at the PCM is about 100 mV, the HO2S indicates a lean air/fuel mixture. If the voltage input is about 900 mV, the HO2S indicates a rich air/fuel mixture. The PCM constantly monitors the HO2S signal during closed-loop operation, and corrects the air/fuel mixture by changing the fuel-injector pulse width. A DTC P0132 will be set if the HO2S 1 voltage remains excessively high for an extended period of time.

Conditions for Running the DTC

    • The barometric pressure is more than 75 kPa.
    • The intake air temperature is between -10°C and +70°C (14°F-158°F).
    • The fuel tank level is more than 25 percent.
    • The engine coolant temperature is above 80°C (176°F).
    • The vehicle speed exceeds 50 km/h (30 mph) for 2 minutes, after which the vehicle is idled for 2 minutes.
    • The engine is running at a steady speed.

Conditions for Setting the DTC

The minimum HO2S voltage is more than 600 mV.

Action Taken When the DTC Sets

    • The PCM illuminates the malfunction indicator lamp (MIL) after two consecutive ignition cycles in which the diagnostic runs with the fault active.
    • The PCM records the operating conditions at the time that the diagnostic fails. This information is stored in the Freeze Frame buffer.

Conditions for Clearing the DTC

    • The MIL turns OFF after 3 consecutive trips during which the diagnostic runs and does not detect a fault.
    • A History DTC clears after 40 consecutive warm-up cycles without a fault.
    • Use the Clear DTC Information function of the scan tool, or disconnect the PCM battery feed in order to clear the DTC.

Diagnostic Aids

DTC P0132 is likely to set during city driving. Avoid operating the vehicle on the highway when validating a DTC P0132.

Clear the DTCs. Road-test the vehicle while monitoring the HO2S test, which is found on the scan tool in the MIL/System Status selection under System Information. When the scan tool indicates YES, check for DTC P0132 under Last Test Failed. If DTC P0132 is not listed, the condition is intermittent, and the HO2S system is OK at this time.

Check for any of the following conditions:

    • Check for good PCM-to-engine electrical grounds.
    • Incorrect fuel pressure.The fuel mixture can become too rich if the fuel pressure is too high, and DTC P0132 may set. Refer to Fuel System Diagnosis .
    • A fuel injector that is leaking or incorrectly calibrated
    • A saturated EVAP canister or a faulty EVAP purge control. Refer to Evaporative Emission Control System Diagnosis .
    • A leaking fuel--pressure regulator.Fuel that leaks past the fuel-pressure regulator diaphragm can enter the engine through the vacuum passage to the regulator and cause a rich condition.A shorted HO2S.An HO2S that is shorted to voltage will display a reading of more than 1.0 volt on the scan tool.
    • Water contamination of the HO2S can cause high HO2S voltage. A DTC P0132 that occurs more frequently if driving through standing water or operating the vehicle in wet driving conditions can indicate water intrusion. Replace the HO2S if the sensor is affected by moisture. A faulty electrical connection to the PCM
    • An intermittent malfunction may be caused by a fault in the HO2S 1 electrical circuit.

Inspect the wiring harness and the components for any of the following conditions: Backed out terminals

    • Incorrect mating of terminals
    • Broken electrical connector locks
    • Incorrectly formed terminals or damaged terminals
    • Faulty terminal-to-wire connections
    • Physical damage to the wiring harness
    • A broken wire inside the insulation
    • Corrosion of electrical connections, of splices, or of terminals
    • If DTC P0132 cannot be duplicated, the Freeze Frame data can be useful in determining the vehicle operating conditions when the DTC first set.

Test Description

The numbers below refer to the step numbers in the Diagnostic Table.

  1. The Powertrain OBD system check prompts the technician to complete some basic checks, and to save the applicable freeze frame data on the scan tool. This creates an electronic copy of the data that was taken when the fault occurred. The scan tool saves the information for later reference.

  2. This step determines if the fault is present.The vehicle must be at operating temperature.

  3. This step checks if the malfunction that caused the DTC P0132 is still present. Drive the vehicle under the specified conditions to verify that the fault is present. Monitor the DTC P0132 diagnostic using the MIL/System Status selection of System Information on the scan tool. The HO2S test displays a YES status which indicates that the purge system diagnostic is completed.If the HO2S test displays a YES status, check for a DTC P0132 in the Last Test Failed screen of the scan tool. If DTC P0132 is not displayed, the HO2S system diagnostic has run and passed.This indicates that a malfunction was not present this time. DTCs MUST BE CLEARED in order to view the CURRENT STATUS of the system diagnostics that are being performed. Remember that the MIL/System Status tests only indicate that the test has run.The test will not indicate if the test passed or failed. Check the Last Test Failed screen for related DTCs in order to determine the results of the diagnostic test that is involved.

  4. This step checks for an open in the HO2S 1 ground circuit.

  5. This step checks for a short in the HO2S 1 signal circuit.

Step

Action

Value(s)

Yes

No

1

Did you perform the Powertrain On-Board Diagnostic (OBD) System Check?

--

Go to Step 2

Go to Powertrain On Board Diagnostic (OBD) System Check

2

Are any other HO2S 1 DTCs set, except for a P0131 and except for a P0132?

--

Go to the Applicable DTC Table

Go to Step 3

3

  1. Start the engine.
  2. Run the engine in order to attain normal operating temperature.
  3. Increase the engine speed to 2000 RPM for 1 minute.
  4. Monitor the HO2S 1 voltage with a scan tool.

Does the HO2S 1 voltage switch below the specified value and above the specified value?

300-600 mV

Go to Step 4

Go to Step 5

4

  1. Turn ON the ignition, leaving the engine OFF.
  2. Perform the Clear DTC Information function on the scan tool.
  3. Operate the vehicle within the Freeze Frame conditions as specified, or until the HO2S test is complete. Refer to the Test Description.

Does the HO2S 1 voltage switch below the specified value and above the specified value?

300-600 mV

Go to Diagnostic Aids

Go to Step 5

5

  1. Disconnect the HO2S 1 electrical connector.
  2. Probe the HO2S 1 ground circuit, on the harness side, with a test lamp connected to B+.

Does the test lamp illuminate?

--

Go to Step 6

Go to Step 7

6

Observe the HO2S 1 parameter on the scan tool with the sensor electrical connector disconnected.

Is the voltage displayed below the specified value?

100 mV

Go to Step 9

Go to Step 8

7

  1. Check for an open in the HO2S 1 ground circuit.
  2. Repair as necessary. Refer to Wiring Repairs in Wiring Systems.

Was a repair necessary?

--

Go to Step 11

Go to Step 10

8

  1. Check the HO2S 1 signal circuit for a short to voltage.
  2. Repair as necessary. Refer to Wiring Repairs in Wiring Systems.

Was a repair necessary?

--

Go to Step 11

Go to Step 10

9

Replace the HO2S 1.Refer to Heated Oxygen Sensor Replacement .

Is the action complete?

--

Go to Step 11

--

10

Replace the PCM.

Is the action complete?

--

Go to Step 11

--

11

  1. Perform the Clear DTC Information function on the scan tool, and road-test the vehicle within the Freeze Frame conditions which set the DTC.
  2. Review the scan tool data, and check the data for DTCs. The repair is complete if no DTCs are displayed.

Are any DTCs displayed on the scan tool?

--

Go to the Applicable DTC Table

System OK