GM Service Manual Online
For 1990-2009 cars only

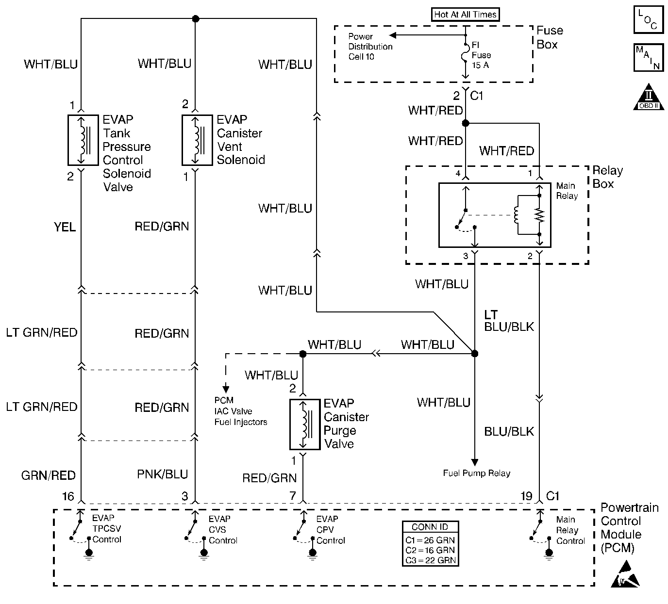
Object Number: 281964  Size: LF
Engine Controls Components
Cell 21: EVAP Controls
OBD II Symbol Description Notice
Handling ESD Sensitive Parts Notice

Circuit Description

The EVAP control system leak detection diagnostic strategy is based on applying vacuum to the EVAP system and monitoring vacuum decay. The PCM monitors the vacuum level via the fuel tank pressure sensor input. The PCM turns ON the EVAP canister purge valve and the EVAP vent solenoid, allowing engine manifold pressure (vacuum) to draw a small vacuum on the entire evaporative emission system. If sufficient vacuum cannot be maintained over a given period of time, a large leak (or a malfunction) is suspected and a DTC P0455 sets.

The EVAP control system as defined by federal regulation includes the following components:

    • The fuel tank
    • The EVAP vent solenoid
    • The fuel tank pressure sensor
    • The fuel pipes and hoses
    • The vapor lines
    • The fuel filler cap
    • The EVAP tank pressure control valve
    • The EVAP canister
    • The purge lines
    • The EVAP canister purge valve

Conditions for Running the DTC

    • The engine coolant temperature is between 70°C-110°C (158°-230°F).
    • The intake air temperature isbetween -10°C and +70°C (14°-158°F).
    • The barometric pressure is more than 75 kPa.
    • The fuel tank level is between 25-75 percent.
    • The EVAP canister is purging

Conditions for Setting the DTC

The purge accumulation time is more than 200 seconds.

Action Taken When the DTC Sets

    • The PCM illuminates the malfunction indicator lamp (MIL).
    • The PCM records the operating conditions at the time the diagnostic fails. This information is stored in the Freeze Frame buffer.

Conditions for Clearing the MIL/DTC

    • The MIL turns OFF after three consecutive trips during which the diagnostic runs and no fault is detected.
    • A History DTC clears after 40 consecutive warm-up cycles without a fault.
    • Use the scan tool Clear DTC Information function or disconnect the PCM battery feed in order to clear the DTC.

Diagnostic Aids

The EVAP Purge diagnostic checks for many of the faults that can cause a DTC P0455 to set. Perform the scan tool Clear DTC Information function. Road test the vehicle while monitoring the EVAP Purge test in the MIL/System Status selection under System Information on the scan tool. When the EVAP Purge test indicates complete with a YES status, check for a DTC P0440 under Last Test Failed. If there is no DTC P0455 indicated the EVAP Purge diagnostic is indicating OK at this time and the DTC P0455 is intermittent.

An intermittent DTC P0455 can be caused by a faulty EVAP canister. An EVAP canister that has released carbon particles can cause the EVAP canister purge solenoid valve to fail (leak) intermittently. Inspect the EVAP purge system for carbon contamination before returning the vehicle to service. Refer to Evaporative Emission System Cleaning .

A DTC P0455 is more likely to set during city driving. Avoid operating the vehicle for long periods on the highway when validating a DTC P0455.

A DTC P0455 can be caused by any of the following conditions:

    • A faulty or loose fuel cap
    • A damaged or disconnected source vacuum line
    • A damaged or leaking EVAP purge line
    • A damaged or leaking EVAP vent hose
    • A damaged or leaking fuel tank vapor line
    • A leaking or faulty EVAP canister purge valve
    • A leaking or faulty EVAP tank pressure control solenoid valve
    • A leaking or faulty EVAP vent solenoid
    • Leaking or faulty ORVR hoses and components
    • A cracked or punctured EVAP canister
    • A leaking fuel sender assembly O-ring
    • A leaking fuel tank or fuel filler neck
    • Blockage or restrictions in the EVAP system hoses, lines, or components
    • Faulty fuel tank pressure control valves
    • A faulty or erratic fuel tank pressure sensor
    • A fuel level sensor malfunction

A fuel level sensor that indicates an incorrect fuel level may cause the EVAP control system leak check diagnostic to run at the wrong time. An EVAP control system leak check diagnostic that runs at the wrong time may indicate a leak when none exists. Check the fuel level sensor accuracy by observing the fuel level sensor scan tool parameter before and after adding 3.8 liters (1 gallon) of fuel. The scan tool display should increase by babout 7 percent after adding the fuel. If a change of 7 percent is not indicated, check the fuel level sensor by performing the diagnostic for a DTC P0461. Refer to DTC P0461 Fuel Level Sensor Performance .

An intermittent malfunction may be caused by a fault in an EVAP control system electrical circuit. Inspect the wiring harness and components for any of the following conditions:

    • Backed out terminals
    • Improper mating of terminals
    • Broken electrical connector locks
    • Improperly formed or damaged terminals
    • Poor terminal to wire connections
    • Physical damage to the wiring harness
    • A broken wire inside the insulation
    • Corrosion of electrical connections, splices, or terminals

For functional checks of the EVAP control system components, refer to Evaporative Emission Control System Diagnosis .

If the DTC P0455 cannot be duplicated, the information included in the Freeze Frame data can be useful in determining vehicle operating conditions when the DTC was first set.

Test Description

The numbers below refer to the step numbers in the Diagnostic Table.

  1. The Powertrain OBD System Check prompts the technician to complete some basic checks and to store the Freeze Frame data on the scan tool, if applicable. This creates an electronic copy of the data taken when the fault occurred. The information is stored in the scan tool for later reference.

  2. This step checks for other EVAP DTCs. Diagnose any DTCs other than a DTC P0440 first.

  3. This step checks the components that supply manifold vacuum to the EVAP canister purge valve.

  4. This step checks the operation of the EVAP canister purge valve. The EVAP canister purge valve duty cycle control is disabled by the PCM when any DTCs are stored, when engine speed is indicated, and until the engine has reached a normal operating temperature of at least 80°C (176°F).

  5. This step checks the operation of the fuel tank pressure control valves. The fuel tank pressure control valves will regulate fuel tank pressure to approximately 18.6-25 mm Hg (10-14 in. H2O) when the EVAP canister vent solenoid is open, or OFF. If the pressure indicated is less than the specified value after 2 minutes, there could be a faulty fuel tank pressure control valve, a faulty EVAP tank pressure control solenoid vacuum valve, or a system leak.

  6. This step checks the operation of the EVAP tank pressure control solenoid valve. When the EVAP tank pressure control solenoid vacuum valve is opened, or turned ON, the pressure in the fuel tank, bypasses the fuel tank pressure control valves, and drops to zero if the EVAP canister vent solenoid is open, or OFF.

  7. Use the ultrasonic leak detector in order to locate any leaks after pressurizing the EVAP system. If you were sent here from step 9, the leak is probably located between the fuel tank pressure control valve valves and the fuel tank, or the fuel tank itself. If you were sent here from step 10, the leak is probably located between the EVAP canister purge valve and the fuel tank pressure control valves.

  8. A leaking, stuck open, or not operating EVAP canister vent solenoid will prevent the EVAP system from holding any pressure greater than 18.6 mm Hg (10 in. H2O). Inspect the EVAP canister vent solenoid electrical circuit for an open that could prevent the solenoid from turning ON.

  9. This step checks for the proper operation of the fuel tank pressure sensor. With the fuel tank filler pipe open to the atmosphere, the fuel tank pressure sensor should read near zero. The fuel tank pressure sensor reading will vary with changes in atmospheric pressure. The specified value in step 13, is typical of atmospheric pressure near sea level. If the scan tool reading is significantly more or less than the specified value, the fuel tank pressure sensor may be faulty. The fuel tank pressure sensor is diagnosed in DTC P0450 EVAP System Pressure Sensor Circuit .

  10. This step checks whether the malfunction that caused the DTC P0455 is still present. The DTC P0455 diagnostic can be monitored on the scan tool under the MIL/System Status selection of System Information. When the EVAP Purge test displays a YES status, indicating that the purge system diagnostic is completed, check for a DTC P0455 in the Last Test Failed screen of the scan tool. If there is no DTC P0455 displayed the EVAP purge system diagnostic has run and passed, indicating that no malfunction was present this time. DTCs MUST BE CLEARED in order to view the CURRENT STATUS of the system diagnostics being performed. Do not forget that the MIL/System Status tests only indicate that the test has run, not whether the test passed or failed. The Last Test Failed screen must be checked for related DTCs in order to determine the outcome of the diagnostic test involved.

  11. A short to ground will keep the EVAP tank pressure control solenoid vacuum valve open and cause the system to fail. Inspect the control circuit wiring and the PCM for a short to ground and repair as necessary. The EVAP tank pressure control solenoid valve output control is disabled by the PCM when any DTCs are stored, when engine speed is indicated, and until the engine has reached a normal operating temperature of at least 80°C (176°F).

  12. This step checks the operation of the EVAP canister vent solenoid. The EVAP canister vent solenoid output control is disabled by the PCM when any DTCs are stored, when engine speed is indicated, and until the engine has reached a normal operating temperature of at least 80°C (176°F).

  13. This step checks the operation of the EVAP tank pressure control solenoid valve. The EVAP tank pressure control solenoid vacuum valve output control is disabled by the PCM when any DTCs are stored, when engine speed is indicated, and until the engine has reached a normal operating temperature of at least 80°C (176°F).

  14. This step checks for a stuck open or leaking EVAP tank pressure control solenoid valve.

  15. This step checks the EVAP canister for blockage or restrictions.

  16. The DTC P0455 diagnostic can be monitored on the scan tool under the MIL/System Status selection of System Information. When the EVAP Purge test displays a YES status, indicating that the purge system diagnostic is completed, check for a DTC P0455 in the Last Test Failed screen of the scan tool. If there is no DTC P0455 displayed the EVAP purge system diagnostic has run and passed, indicating that no malfunction was present this time. DTCs MUST BE CLEARED in order to view the CURRENT STATUS of the system diagnostics being performed. Do not forget that the MIL/System Status tests only indicate that the test has run, not whether the test passed or failed. The Last Test Failed screen must be checked for related DTCs in order to determine the outcome of the diagnostic test involved.

Step

Action

Value(s)

Yes

No

1

Did you perform the Powertrain On-Board Diagnostic (OBD) System Check?

--

Go to Step 2

Go to Powertrain On Board Diagnostic (OBD) System Check

2

Install a scan tool and check for DTCs.

Are any other EVAP codes set with the exception of a P0440?

--

Go to the applicable DTC table

Go to Step 3

3

  1. Inspect the entire evaporative system for the following:
  2. • Loose or faulty fuel filler cap
    • Loose hose connections
    • Damaged or deteriorated hoses
    • Clogged hoses
    • Missing or damaged components
    • Faulty terminal connections on all of the related components
  3. Repair any conditions as necessary.

Was a repair necessary?

--

Go to Step 40

Go to Step 4

4

  1. Check for manifold vacuum at the EVAP canister purge valve.
  2. Repair as necessary.

Was a repair necessary?

--

Go to Step 40

Go to Step 5

5

Caution: Do not breathe the air through the EVAP component tubes or hoses. The fuel vapors inside the EVAP components may cause personal injury.

  1. Turn ON the ignition, leaving the engine OFF.
  2. Disconnect the EVAP canister purge valve vacuum hoses from the intake manifold and from the EVAP canister purge pipe.
  3. Blow air into the EVAP canister purge valve vacuum hose that was disconnected from the EVAP canister purge pipe. Air should not pass through the EVAP canister purge valve and exit from the intake manifold hose.
  4. Command the EVAP canister purge valve ON by adjusting the duty cycle to 100%, using a scan tool.
  5. Blow air into the EVAP canister purge valve vacuum hose that was disconnected from the EVAP canister purge pipe. Air should pass through the EVAP canister purge valve and exit from the intake manifold hose.

Did the EVAP canister purge valve pass both inspections?

--

Go to Step 8

Go to Step 6

6

  1. Turn ON the ignition, leaving the engine OFF.
  2. Use a test lamp connected to ground in order to probe the ignition positive voltage circuit, terminal 2, at the EVAP canister purge valve electrical connector on the harness side

Did the test lamp illuminate?

--

Go to Step 7

Go to Step 33

7

  1. Probe the EVAP canister purge valve control circuit, terminal 1, at the EVAP canister purge valve electrical connector with a test lamp connected to B+.
  2. Monitor the test lamp while performing step 3.
  3. Command the EVAP canister purge valve ON by adjusting the duty cycle from 0 to 100% with the scan tool.

Did the test lamp flash and then come on steadily when you reach 100% duty cycle?

--

Go to Step 32

Go to Step 36

8

  1. Turn ON the ignition, leaving the engine OFF.
  2. Remove the fuel filler cap and install the J 41415-30 Gas Cap Adapter.
  3. Connect the J 41413 EVAP Pressure/Purge Cart to the gas cap adapter.
  4. Command the EVAP canister vent solenoid OFF with a scan tool.
  5. Pressurize the EVAP system to the first specified value using the EVAP cart. Monitor the pressure using the gauge on the cart.
  6. Turn the rotary switch on the cart to the hold position and observe the EVAP pressure gauge.

Did the pressure decrease to less than the second specified value in less than 2 minutes?

28 mm Hg (15 in H2O)

18.6 mm Hg (10 in H2O)

Go to Step 9

Go to Step 10

9

  1. Command the EVAP canister vent solenoid ON with the scan tool.
  2. Pressurize the EVAP system to the first specified value using the EVAP cart. Monitor the pressure using the gauge on the cart.
  3. Turn the rotary switch on the cart to the hold position and observe the EVAP pressure gauge.

Did the pressure decrease to less than the second specified value in less than 2 minutes?

28 mm Hg (15 in H2O)

18.6 mm Hg (10 in H2O)

Go to Step 11

Go to Step 16

10

  1. Observe the EVAP pressure gauge while performing the next step.
  2. With the EVAP system still pressurized to the specified value, turn ON the EVAP tank pressure control solenoid valve.

Did the pressure indicated on the EVAP pressure gauge drop to zero when the EVAP tank pressure control solenoid valve was turned ON?

18.6 mm Hg (10 in H2O)

Go to Step 11

Go to Step 15

11

  1. Command the EVAP canister vent solenoid ON with the scan tool.
  2. Continually attempt to pressurize the EVAP system to the specified value.
  3. Inspect for leaks in the EVAP system with the ultrasonic leak detector. In order to examine the top tank connections partially lower the fuel tank.

Did the EVAP system pass the leak inspection and hold pressure near the specified value?

56 mm Hg (30 in H2O)

Go to Step 13

Go to Step 12

12

Perform any of the following repairs that are responsible for the EVAP system leak:

  1. Replace any leaking EVAP control system component.
  2. Replace any leaking EVAP lines or hoses.
  3. Repair or replace a leaking or staying open EVAP canister vent solenoid. Refer to Evaporative Emission Canister Vent Solenoid Replacement .

Is the action complete?

--

Go to Step 40

--

13

  1. Turn OFF the ignition.
  2. Remove the fuel filler cap.
  3. Turn ON the ignition, leaving the engine OFF.
  4. Select the fuel tank pressure sensor parameter on the scan tool.

Did the scan tool display the specified value?

0.0-0.9 mm Hg (0.0-0.5 in H2O)

Go to Step 14

Go to DTC P0450 Fuel Tank Pressure Sensor Circuit

14

  1. Perform the scan tool Clear DTC Information function.
  2. Operate the vehicle within the Freeze Frame conditions as specified or until the EVAP Purge test is complete.
  3. Check for DTCs.

Did a DTC P0455 set?

--

Go to Step 19

Go to Diagnostic Aids

15

  1. Turn ON the ignition, leaving the engine OFF.
  2. Turn the EVAP canister vent solenoid ON and OFF with the scan tool, while listening near the rear seat, for the solenoid to CLICK ON and CLICK OFF.

Did you hear the EVAP canister vent solenoid turn ON and OFF when commanded by the scan tool?

--

Go to Step 25

Go to Step 19

16

  1. Test for a short to ground in the control circuit of the EVAP tank pressure control solenoid valve.
  2. Repair the circuit as necessary. Refer to Wiring Repairs in Wiring Systems.

Was a repair necessary?

--

Go to Step 40

Go to Step 17

17

Caution: Do not breathe the air through the EVAP component tubes or hoses. The fuel vapors inside the EVAP components may cause personal injury.

  1. Remove the fuel tank. Refer to Fuel Tank Replacement .
  2. Remove both fuel tank pressure control valves. Refer to Fuel Tank Pressure Control Valve Replacement .
  3. Important: The fuel tank pressure control valve will not allow air to flow from the fuel tank side to the canister side until the pressure on the tank side is greater than 3.5 kPa (0.5 psi).

  4. From the fuel tank side (black), blow air hard into the valve.

Did air flow through the valve to the canister side (orange or green) when blown hard?

--

Go to Step 18

Go to Step 35

18

From the canister side (orange or green), blow gently through the fuel tank pressure control valve. Air should flow through the valve to the fuel tank side (black), even when blown softly.

Did air flow through the valve to the fuel tank side (black) when blown softly?

--

Go to Step 27

Go to Step 35

19

  1. Remove the rear seat cushion. Refer to Rear Seat Cushion Replacement in Seats.
  2. Disconnect the fuel tank EVAP harness electrical connector C311.
  3. Turn ON the ignition, leaving the engine OFF.
  4. Connect a test lamp from the ignition positive voltage terminal to the EVAP canister vent solenoid control circuit terminal of connector C311 on the body harness side.
  5. Observe the test lamp while commanding the EVAP canister vent solenoid ON and OFF with the scan tool.

Did the test lamp illuminate only when commanded ON with the scan tool?

--

Go to Step 21

Go to Step 20

20

  1. Inspect the EVAP canister vent solenoid circuit for any of the following conditions:
  2. • The ignition positive voltage circuit for an open
    • The solenoid control circuit for an open or a short
  3. Repair any conditions as necessary. Refer to Wiring Repairs in Wiring Systems.

Was a repair necessary?

--

Go to Step 40

Go to Step 39

21

  1. Remove the fuel tank. Refer to Fuel Tank Replacement .
  2. Inspect the EVAP system lines, hoses, and connections for any blockage or restrictions.
  3. Repair any conditions as necessary.

Was a repair necessary?

--

Go to Step 40

Go to Step 22

22

  1. Remove the EVAP canister vent solenoid.
  2. Attempt to apply the specified value of vacuum to the canister side of the EVAP canister vent solenoid with a hand vacuum pump.

Does the EVAP canister vent solenoid hold vacuum?

15 in Hg

Go to Step 34

Go to Step 23

23

  1. Apply 12 volts to the EVAP canister vent solenoid.
  2. Apply the specified value of vacuum to the canister side of the EVAP canister vent solenoid with a hand vacuum pump.

Does the EVAP canister vent solenoid hold vacuum?

15 in Hg

Go to Step 24

Go to Step 34

24

  1. Test for an open or a short in the EVAP canister vent solenoid wiring harness between the solenoid and body harness connector C311.
  2. Repair any conditions as necessary. Refer to Connector Repairs or Wiring Repairs in Wiring Systems.

Was a repair necessary?

--

Go to Step 40

Go to Step 31

25

  1. Remove the rear seat cushion. Refer to Rear Seat Cushion Replacement in Seats.
  2. Disconnect the fuel tank EVAP harness electrical connector C311.
  3. Turn ON the ignition, leaving the engine OFF.
  4. Connect a test lamp from the ignition positive voltage terminal to the EVAP tank pressure control solenoid valve control circuit terminal of connector C311 on the body harness side.
  5. Observe the test lamp while commanding the EVAP tank pressure control solenoid valve ON and OFF with the scan tool.

Did the test lamp illuminate only when commanded ON with the scan tool?

--

Go to Step 26

Go to Step 30

26

  1. Remove the fuel tank. Refer to Fuel Tank Replacement .
  2. Inspect the EVAP tank pressure control solenoid valve lines, hoses, and connections for any blockage or restrictions.
  3. Repair as necessary.

Was a repair necessary?

--

Go to Step 40

Go to Step 27

27

Caution: Do not breathe the air through the EVAP component tubes or hoses. The fuel vapors inside the EVAP components may cause personal injury.

  1. Remove the EVAP tank pressure control solenoid valve. Refer to Evaporative Emission Tank Pressure Control Solenoid Valve Replace .
  2. Blow air into side port of the EVAP tank pressure control solenoid valve.

Did the air pass through the valve and out through the port on the top of the EVAP tank pressure control solenoid valve?

--

Go to Step 38

Go to Step 28

28

  1. Apply 12 volts to the EVAP tank pressure control solenoid valve.
  2. Blow air into side port of the EVAP tank pressure control solenoid valve.

Did the air pass through the valve and out through the port on the top of the EVAP tank pressure control solenoid valve?

--

Go to Step 29

Go to Step 38

29

Repair the open or the short in the EVAP tank pressure control solenoid valve wiring harness between the solenoid and body harness connector C311. Refer to Connector Repairs or Wiring Repairs in Wiring Systems.

Is the action complete?

--

Go to Step 40

--

30

  1. Inspect the EVAP tank pressure control solenoid valve circuit for any of the following conditions:
  2. • The ignition positive voltage circuit for an open
    • The solenoid control circuit for an open or a short
  3. Repair any conditions as necessary. Refer to Wiring Repairs in Wiring Systems.

Was a repair necessary?

--

Go to Step 40

Go to Step 39

31

Caution: Do not breathe the air through the EVAP component tubes or hoses. The fuel vapors inside the EVAP components may cause personal injury.

  1. Disconnect the EVAP canister vapor hose at the FLVV.
  2. Disconnect the other 3 hoses from the EVAP canister.
  3. Blow air into the hose connected to the tank port of the EVAP canister. There should be no restriction of air flow through the canister and exiting the 3 other ports.

Did the air pass through the EVAP canister and exit the three other ports?

--

Go to Diagnostic Aids

Go to Step 32

32

Replace the EVAP canister. Refer to Evaporative Emission Canister Replacement .

Is the action complete?

--

Go to Step 40

--

33

Repair the open in the ignition positive voltage circuit between EVAP canister purge valve and the main relay. Refer to Wiring Repairs in Wiring Systems.

Is the action complete?

--

Go to Step 40

--

34

Replace the EVAP canister vent solenoid. Refer to Evaporative Emission Canister Vent Solenoid Replacement .

Is the action complete?

--

Go to Step 40

--

35

Replace any faulty fuel tank pressure control valves. Refer to Fuel Tank Pressure Control Valve Replacement .

Is the action complete?

--

Go to Step 40

--

36

  1. Check for an open or a short in the EVAP canister purge valve control circuit.
  2. Repair any conditions as necessary. Refer to Wiring Repairs in Wiring Systems.

Was a repair necessary?

--

Go to Step 40

Go to Step 39

37

Notice: The EVAP canister may have released carbon particles which caused this part to fail and may cause damage to other components. Check the EVAP canister for loose carbon before returning the vehicle to service.

Replace the EVAP canister purge valve. Refer to Evaporative Emission Canister Purge Solenoid Valve Replacement .

Is the action complete?

--

Go to Step 40

--

38

Replace the EVAP tank pressure control solenoid valve. Refer to Evaporative Emission Tank Pressure Control Solenoid Valve Replace .

Is the action complete?

--

Go to Step 40

--

39

Replace the PCM.

Is the action complete?

--

Go to Step 40

--

40

  1. Perform the scan tool Clear DTC Information funtion and road test the vehicle within the Freeze Frame conditions that set the DTC or until the EVAP Purge test is complete.
  2. Review the scan tool data and check for DTCs. The repair is complete if no DTCs are stored.

Are any DTCs displayed on the scan tool?

--

Go to the applicable DTC table

System OK