GM Service Manual Online
For 1990-2009 cars only

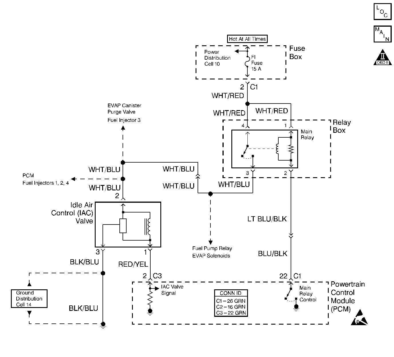
Object Number: 281958  Size: LF
Engine Controls Components
Cell 21: Idle Air Control
OBD II Symbol Description Notice
Handling ESD Sensitive Parts Notice

Circuit Description

The powertrain control module (PCM) controls the idle air control (IAC) valve and regulates the airflow through the idle air bypass passage. The amount of the airflow through the idle air bypass passage determines the idle speed. Engine load regulates the IAC valve. The IAC valve that is not functioning correctly could cause a stalling condition.

Condition for Running the DTC

The engine is running at a steady speed.

Conditions for Setting the DTC

The PCM does not receive a closed signal from the IAC valve after the engine is started.

Action Taken When the DTC Sets

    • The PCM illuminates the malfunction indicator lamp (MIL) after two consecutive ignition cycles in which the diagnostic runs with the fault active.
    • The PCM records operating conditions at the time that the diagnostic fails. The Freeze Frame buffer stores this information.

Conditions for Clearing the MIL/DTC

    • The MIL turns off after three consecutive drive cycles without a fault present.
    • A DTC will clear after 40 consecutive warm-up cycles without a fault.
    • Use the Clear DTC Information function on the scan tool, or disconnect the PCM battery feed in order to clear the DTC.

Diagnostic Aids

Check for any of the following conditions:

    • An incorrect engine idle speed--Refer to Idle Speed Inspection .
    • A restricted air intake system--Check for a collapsed air intake duct, for a restricted air filter element, or for foreign objects that are blocking the air intake system.
    • Inspect the throttle body for any of the following conditions:
       - Check the throttle plate for smooth movement and for even movement.
       - Check for excessive deposits in the IAC passage.
       - Check for excessive deposits in the throttle bore or on the throttle plate.
       - Check for objects that are blocking the IAC passage or the throttle bore.
    • Check the accelerator cable for the correct adjusment and for the correct free-play. Refer to Accelerator Cable Adjustment .
    • Check for a large vacuum leak. Check for a crankcase ventilation valve that is installed incorrectly or is faulty, or for a disconnected brake booster hose.These conditions can cause a large vacuum leak.

A fault in the IAC valve electrical circuit may cause an intermittent malfunction. Inspect the wiring harness and the components for any of the following conditions:

    • Backed out terminals
    • Incorrect mating of terminals
    • Broken electrical connector locks
    • Incorrectly formed terminals or damaged terminals
    • Faulty terminal-to-wire connections
    • Physical damage to the wiring harness
    • A broken wire inside the insulation
    • Corrosion of electrical connections, of splices, or of terminals

If a DTC P0505 cannot be duplicated, the Freeze Frame data can be useful in determining vehicle operating conditions when the DTC was set.

Test Description

The numbers below refer to the step numbers in the diagnostic table.

  1. The Powertrain OBD System Check prompts the technician to complete some basic checks, and to save the applicable Freeze Frame data on the scan tool. This creates an electronic copy of the data that was taken when the fault occurred. The scan tool saves the information for later reference.

  2. Inspecting for these conditions may find a problem and may reduce the diagnostic time.

  3. This step checks the battery positive voltage circuit from the IAC valve for an open or for a short.

  4. This step checks the battery positive voltage circuit from the IAC valve for the correct voltage reading.

  5. This step checks the IAC valve ground circuit.

  6. This step checks the IAC valve control circuit for an open or for a short.

  7. This step checks if the fault is from the PCM or from the IAC valve.

Step

Action

Value(s)

Yes

No

1

Did you perform the Powertrain On-Board Diagnostic (OBD) System Check?

--

Go to Step 2

Go to Powertrain On Board Diagnostic (OBD) System Check

2

  1. Start the engine.
  2. Run the engine in order to obtain normal operating temperature.
  3. Turn OFF all electrical accessories.
  4. Install a scan tool.
  5. Monitor the IAC duty cycle parameter on the scan tool.

Does the scan tool display indicate the IAC duty cycle is within the specified range?

8-25 %

Go to Diagnostic Aids

Go to Step 3

3

  1. Check for any of the following conditions:
  2. • Vacuum leaks
    • Vacuum lines and vacuum hoses that are routed incorrectly
    • Split vacuum lines and hoses or damaged vacuum lines and hoses
    • Blockage in the inlet air ducts and passages
    • A plugged air filter element
  3. Repair any conditions as necessary.

Was a repair necessary?

--

Go to Step 14

Go to Step 4

4

  1. Disconnect the IAC valve electrical connector.
  2. Turn ON the ignition, leaving the engine OFF.
  3. Probe terminal 2 on the harness side of the IAC valve electrical connector with a test lamp connected to ground.

Did the test lamp illuminate?

--

Go to Step 5

Go to Step 6

5

Probe terminal 2 on the harness side of the IAC valve electrical connector with a DMM.

Did the DMM read the specified value?

B+

Go to Step 7

Go to Step 6

6

Repair the open or the short in the battery positive voltage circuit between the IAC valve and the main relay. Refer to Wiring Repairs in Wiring Systems.

Is the action complete?

--

Go to Step 14

--

7

Probe terminal 3 on the harness side of the IAC valve with a test lamp connected to battery positive voltage.

Did the test lamp illuminate?

--

Go to Step 9

Go to Step 8

8

Repair the open in the IAC valve ground circuit. Refer to Wiring Repairs in Wiring Systems.

Is the action complete?

--

Go to Step 14

--

9

  1. Turn OFF the ignition.
  2. Connect the IAC valve electrical connector to the IAC valve.
  3. Disconnect the PCM connector C3 from the PCM.
  4. Back out the control circuit terminal at the AC valve from the PCM connector C3.
  5. Connect the PCM connector to the PCM, leaving the IAC terminal out of the PCM.
  6. Turn ON the ignition, leaving the engine OFF.
  7. Probe the IAC valve control circuit using a DMM.

Does the DMM read the specified value?

B+

Go to Step 10

Go to Step 11

10

  1. Start the engine.
  2. Monitor the engine speed parameter on the scan tool.
  3. Probe the IAC valve control circuit using a test lamp to ground.

Does the engine speed increase when the test lamp is contacting the terminal?

--

Go to Step 13

Go to Step 12

11

  1. Check the IAC valve control circuit for an open or for a short between the IAC valve and the PCM.
  2. Repair as necessary. Refer to Wiring Repairs in Wiring Systems.

Was a repair necessary?

--

Go to Step 14

Go to Step 12

12

Replace the IAC Valve. Refer to Idle Air Control Valve Replacement .

Is the action complete?

--

Go to Step 14

--

13

Replace the PCM.

Is the action complete?

--

Go to Step 14

--

14

  1. Perform the Clear DTC Information function on the scan tool, and road-test the vehicle within the Freeze Frame conditions which set the DTC.
  2. Review scan tool data and check for DTCs. The repair is complete if no DTCs are displayed.

Does the scan tool display any DTCs?

--

Go to the applicable DTC table

System OK