GM Service Manual Online
For 1990-2009 cars only

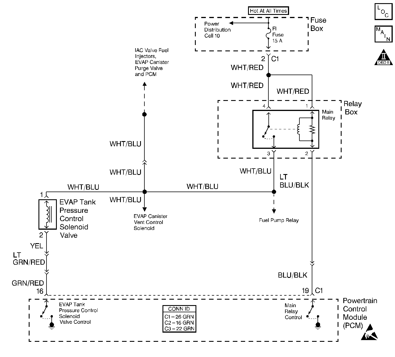
Object Number: 460609  Size: LF
Engine Controls Components
Cell 21: EVAP Controls
OBD II Symbol Description Notice
Handling ESD Sensitive Parts Notice

Circuit Description

A vacuum signal from the EVAP tank pressure control solenoid valve operates the tank pressure control valve. The powertrain control module (PCM) controls the EVAP tank pressure control solenoid vacuum valve. The PCM opens the tank pressure control valve if the engine is running and if the fuel level is within a specified range. The tank pressure control valve opens in order to allow the flow of fuel vapors from the fuel tank to the EVAP canister. The DTC P1410 diagnostic determines if there is a failure in EVAP tank pressure control solenoid vacuum valve.

Conditions for Running the DTC

    • The engine is running at a steady speed.
    • The engine is operating in Close Loop.
    • The fuel tank level is between 25 and 75 percent.

Conditions for Setting the DTC

If the fuel level is higher than a specified value, low voltage is indicated in the solenoid control circuit when the diagnostic runs.

Action Taken When the DTC Sets

    • The PCM illuminates the malfunction indicator lamp (MIL) after two consecutive ignition cycles in which the diagnostic runs with the fault active.
    • The PCM records the operating conditions at the time that the diagnostic fails. The Freeze Frame buffer stores this information.

Conditions for Clearing the MIL/DTC

    • The MIL turns OFF after three consecutive trips, during which the diagnostic runs and there are not any faults that are detected.
    • A History DTC clears after 40 consecutive warm-up cycles without a fault.
    • Use the Clear DTC Information function on the scan tool, or disconnect the PCM battery feed in order to clear the DTC.

Diagnostic Aids

Check for faulty electrical connections to the PCM.

A malfunctioning fuel level sensor may cause a DTC P1410 to set.

A fault in the circuits in the EVAP tank pressure control solenoid valve may cause an intermittent malfunction. Inspect the wiring harness and the components for any of the following conditions:

    • Backed out terminals
    • Incorrect mating of terminals
    • Broken electrical connector locks
    • Incorrectly formed terminals or damaged terminals
    • Faulty terminal-to-wire connections
    • Physical damage to the wiring harness
    • A broken wire inside the insulation
    • Corrosion of electrical connections, of splices, or of terminals

If a DTC P1410 cannot be duplicated, the Freeze Frame data can be useful in determining vehicle operating conditions when the DTC was set.

Test Description

The numbers below refer to the step numbers in the Diagnostic Table.

  1. The Powertrain OBD System Check prompts the technician to complete some basic checks and to store the Freeze Frame data on the scan tool, if applicable. This creates an electronic copy of the data taken when the fault occurred. The information is then stored in the scan tool for later reference.

  2. This step checks the operation of the evaporative emissions (EVAP) tank pressure control solenoid valve. The EVAP tank pressure control solenoid vacuum valve output control is disabled by the PCM when any DTCs are stored, when engine speed is indicated, and until the engine has reached a normal operating temperature of at least 80°C (176°F).

  3. This step checks for a stuck open or leaking EVAP tank pressure control solenoid valve.

Step

Action

Value(s)

Yes

No

1

Did you perform the Powertrain On-Board Diagnostic (OBD) System Check?

--

Go to Step 2

Go to Powertrain On Board Diagnostic (OBD) System Check

2

  1. Remove the rear seat cushion. Refer to Rear Seat Cushion Replacement in Seats.
  2. Disconnect the 3 cavity, fuel tank EVAP solenoid electrical connector C311.
  3. Turn ON the ignition, leaving the engine OFF.
  4. Connect a test lamp from the ignition positive voltage terminal to the EVAP tank pressure control solenoid valve control circuit terminal of connector C311 on the body harness side.
  5. Observe the test lamp while commanding the EVAP tank pressure control solenoid valve ON and OFF with the scan tool.

Did the test lamp illuminate only when the solenoid was commanded ON with the scan tool?

--

Go to Step 4

Go to Step 3

3

  1. Inspect the EVAP tank pressure control solenoid valve circuit for any of the following conditions:
  2. • The ignition positive voltage circuit for an open
    • The solenoid control circuit for an open or a short
  3. Repair any condittions as necessary. Refer to Wiring Repairs in Wiring Systems.

Was a repair necessary?

--

Go to Step 11

Go to Step 10

4

  1. Remove the fuel tank. Refer to Fuel Tank Replacement .
  2. Inspect the EVAP tank pressure control solenoid for faulty electrical connections.
  3. Repair as necessary.Refer to Wiring Repairs in Wiring Systems.

Was a repair necessary?

--

Go to Step 11

Go to Step 5

5

  1. Remove the EVAP tank pressure control solenoid valve. Refer to Evaporative Emission Tank Pressure Control Solenoid Valve Replace .
  2. Measure the resistance of the EVAP tank pressure control solenoid valve with a DMM.

Is the resistance of the EVAP tank pressure control solenoid valve within the specified value?

30-34ohms at 20°C (68°F)

Go to Step 6

Go to Step 9

6

Caution: Do not breathe the air through the EVAP component tubes or hoses. The fuel vapors inside the EVAP components may cause personal injury.

Blow air into side port of the EVAP tank pressure control solenoid valve.

Did the air pass through the valve and out through the port on the top of the EVAP tank pressure control solenoid valve?

--

Go to Step 9

Go to Step 7

7

  1. Apply 12 volts to the EVAP tank pressure control solenoid valve.
  2. Blow air into side port of the EVAP tank pressure control solenoid valve.

Did the air pass through the valve and out through the port on the top of the EVAP tank pressure control solenoid valve?

--

Go to Step 8

Go to Step 9

8

  1. Inspect for an open or a short in the EVAP tank pressure control solenoid valve wiring harness between the solenoid and the body harness connector C311.
  2. Repair as necessary. Refer to Wiring Repairs or Connector Repairs in Wiring Systems.

Was a repair necessary?

--

Go to Step 11

Go to Diagnostic Aids

9

Replace the EVAP tank pressure control solenoid valve. Refer to Evaporative Emission Tank Pressure Control Solenoid Valve Replace .

Is the action complete?

--

Go to Step 11

--

10

Replace the PCM.

Is the action complete?

--

Go to Step 11

--

11

  1. Perform the scan tool Clear DTC Information funtion and road test the vehicle within the Freeze Frame conditions that set the DTC.
  2. Review the scan tool data and check for DTCs. The repair is complete if no DTCs are stored.DTCs.

Are any DTCs displayed on the scan tool?

--

Go to the applicable DTC table

System OK