GM Service Manual Online
For 1990-2009 cars only
Makes
🢒
Chevrolet
🢒
2001
🢒
Metro
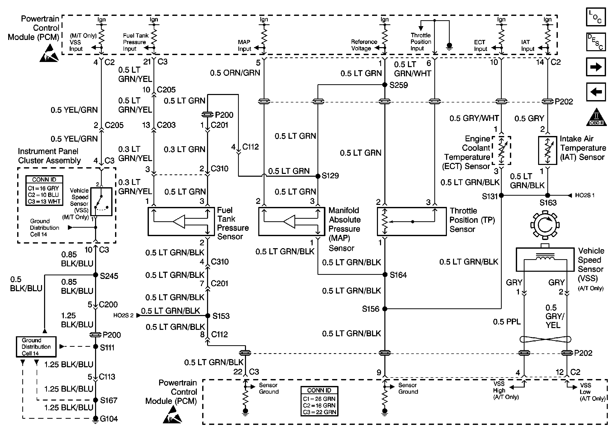
🢒 Cell 21: Engine Data Sensors
Cell 21: Engine Data Sensors
Cell 21: Engine Data Sensors