GM Service Manual Online
For 1990-2009 cars only
Makes
🢒
Chevrolet
🢒
1997
🢒
Monte Carlo
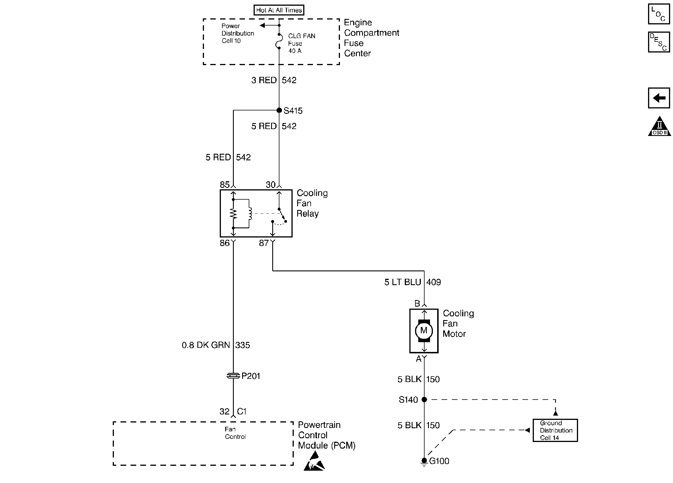
🢒 Cooling Fan Relay, Cooling Fan Motor
Cooling Fan Relay, Cooling Fan Motor
Cooling Fan Relay, Cooling Fan Motor
Engine Controls Components
Electric Cooling Fan
A/C Compressor Clutch Relay, A/C Compressor Clutch
OBD II Symbol Description Notice
Handling ESD Sensitive Parts Notice