GM Service Manual Online
For 1990-2009 cars only

Removal Procedure

  1. Remove the right side instrument panel insulator. Refer to Insulator Replacement - IP in Instrument Panel, Gages and Console.
  2. Remove the instrument panel compartment. Refer toCompartment Replacement - IP in Instrument Panel, Gages and Console.

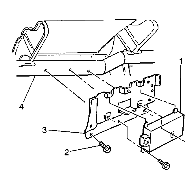
  3. Object Number: 294423  Size: SH
  4. Remove the theft deterrent module bracket mounting bolts (2).
  5. Remove the theft deterrent module bracket from the cross car beam (4).
  6. Remove the theft deterrent module mounting bolts from the bracket (3).
  7. Remove the theft deterrent module from the bracket.
  8. Disconnect the electrical connector from the module.

Installation Procedure


    Object Number: 294423  Size: SH
  1. Connect the electrical connector to the module.
  2. Slide the upper portion of the module into the bracket slots.
  3. Notice: Use the correct fastener in the correct location. Replacement fasteners must be the correct part number for that application. Fasteners requiring replacement or fasteners requiring the use of thread locking compound or sealant are identified in the service procedure. Do not use paints, lubricants, or corrosion inhibitors on fasteners or fastener joint surfaces unless specified. These coatings affect fastener torque and joint clamping force and may damage the fastener. Use the correct tightening sequence and specifications when installing fasteners in order to avoid damage to parts and systems.

  4. Install the theft deterrent module bolts to the bracket (3).
  5. Tighten
    Tighten the theft deterrent module bolts to 3 N·m (27 lb in)

  6. Install the theft deterrent module bracket to the cross car beam (4).
  7. Install the theft deterrent bracket mounting bolts (2).
  8. Tighten
    Tighten the bolts to 3 N·m (27 lb in).

  9. Install the instrument panel compartment. Refer to Compartment Replacement - IP in Instrument Panel, Gages and Console.
  10. Install the right side instrument panel insulator. Refer to Insulator Replacement - IP in Instrument Panel, Gages and Console.