GM Service Manual Online
For 1990-2009 cars only

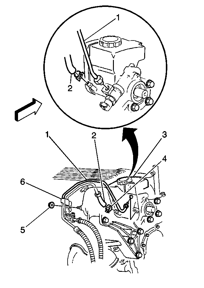
Power Steering Pressure Pipe/Hose Replacement 3.1L

Removal Procedure

  1. Place a drain pan under the vehicle.

  2. Object Number: 283000  Size: MH
  3. Remove the power steering pressure line from the power steering pump (1).
  4. Remove the retaining nut from the stud that holds the power steering lines bracket (5).
  5. Remove the power steering pressure line from the power steering lines bracket (6).

  6. Object Number: 417973  Size: SH
  7. Remove the power steering line from the power steering gear performing the following steps:
  8. 5.1. The power steering pressure line is the lower line at the power steering gear.
    5.2. Using a 18 mm (crow's foot line wrench with a 2 foot long, 3/8 inch drive extension.
    5.3. Access the line from the engine compartment, between the rocker arm cover and the front of the dash mat.
  9. Raise and support the vehicle. Refer to Lifting and Jacking the Vehicle in General Information.

  10. Object Number: 417973  Size: SH
  11. Remove the power steering pressure line from the clamps on the power steering gear.
  12. Remove the power steering pressure line from the poweer steering gear.
  13. Remove the power steering pressure line from the vehicle.

Installation Procedure

  1. Position the power steering pressure line to the vehicle.
  2. Install the power steering pressure line to the clamp on the power steering gear.
  3. Lower the vehicle.

  4. Object Number: 417973  Size: SH

    Notice: Use the correct fastener in the correct location. Replacement fasteners must be the correct part number for that application. Fasteners requiring replacement or fasteners requiring the use of thread locking compound or sealant are identified in the service procedure. Do not use paints, lubricants, or corrosion inhibitors on fasteners or fastener joint surfaces unless specified. These coatings affect fastener torque and joint clamping force and may damage the fastener. Use the correct tightening sequence and specifications when installing fasteners in order to avoid damage to parts and systems.

  5. Use a 18 mm crow's foot line wrench with a 2 foot long, 3/8 inch drive extension, Install the power steering pressure line to the power steering gear.
  6. Tighten
    Tighten the power steering pressure line fitting to the power steering gear to 27 N·m (20 lb ft).


    Object Number: 283000  Size: MH
  7. Install the power steering pressure line to power steering lines bracket (6).
  8. Install the retaining nut to the power steering lines bracket stud (5).
  9. Install the power steering pressure line to the power steereing pump (1).
  10. Tighten
    Tighten the power steering pressure line fitting to the power steering pump to 27 N·m (20 lb ft).

  11. Fill the power steering system with power steering fluid. Refer to Checking and Adding Power Steering Fluid .
  12. Bleed the power steering system. Refer to Power Steering System Bleeding .
  13. Inspect the power steering system for leaks. Refer to Power Steering Gear and Pump Leaks .
  14. Remove the drain pan from under the vehicle.

Power Steering Pressure Pipe/Hose Replacement 3.8L

Removal Procedure

  1. Remove the accessory drive belt. Refer to Drive Belt Replacement in Engine Mechanical - 3.8L.
  2. Place a drain pan under the vehicle.

  3. Object Number: 294335  Size: SH
  4. Remove the power steering pressure line from the power steering gear performing the following steps:
  5. 3.1. The power steering pressure line is the lower line at the power steering gear.
    3.2. Using a 18 mm (crow's foot line wrench with a 2 foot long, 3/8 inch drive extension.
    3.3. Access the power steering pressure line from the engine compartment, between the rocker arm cover and the front of the dash mat.
  6. Raise and support the vehicle. Refer to Lifting and Jacking the Vehicle in General Information.
  7. Remove the tire and wheel assembly.Refer to Tire and Wheel Removal and Installation .

  8. Object Number: 282134  Size: MH
  9. Remove the power steering pressure line (2) from the power steering lines retaining clip (1) on the power steering gear.
  10. Remove the power steering pressure line from the vehicle.

Installation Procedure

  1. Position the power steering pressure line to the vehicle.

  2. Object Number: 282134  Size: MH
  3. Install the power steering pressure line (2) to the power steering lines retaining clip (1) on the power steering gear.
  4. Notice: Use the correct fastener in the correct location. Replacement fasteners must be the correct part number for that application. Fasteners requiring replacement or fasteners requiring the use of thread locking compound or sealant are identified in the service procedure. Do not use paints, lubricants, or corrosion inhibitors on fasteners or fastener joint surfaces unless specified. These coatings affect fastener torque and joint clamping force and may damage the fastener. Use the correct tightening sequence and specifications when installing fasteners in order to avoid damage to parts and systems.

  5. Install the power steering pressure line to the power steering pump.
  6. Tighten
    Tighten the power steering pressure line fitting to the power steering pump to 27 N·m (20 lb ft).

  7. Install the tire and wheel assembly.Refer to Tire and Wheel Removal and Installation .
  8. Lower the vehicle.

  9. Object Number: 294335  Size: SH

    Notice: Use the correct fastener in the correct location. Replacement fasteners must be the correct part number for that application. Fasteners requiring replacement or fasteners requiring the use of thread locking compound or sealant are identified in the service procedure. Do not use paints, lubricants, or corrosion inhibitors on fasteners or fastener joint surfaces unless specified. These coatings affect fastener torque and joint clamping force and may damage the fastener. Use the correct tightening sequence and specifications when installing fasteners in order to avoid damage to parts and systems.

  10. Install the power steering pressure hose to the power steering gear.
  11. Use a 18 mm crow's foot line wrench with a 2 foot long, 3/8 inch drive extension.

    Tighten
    Tighten the power steering pressure hose fitting to the power steering gear to 27 N·m (20 lb ft).

  12. Install the accessory drive belt. Refer to Drive Belt Replacement in Engine Mechanical - 3.8L.
  13. Fill the power steering system with power steering fluid. Refer to Checking and Adding Power Steering Fluid .
  14. Bleed the power steering system. Refer to Power Steering System Bleeding .
  15. Inspect the power steering system for leaks. Refer to Power Steering Gear and Pump Leaks .
  16. Remove the drain pan from under the vehicle.