GM Service Manual Online
For 1990-2009 cars only
Makes
🢒
Chevrolet
🢒
1998
🢒
Monte Carlo
🢒
Body and Accessories
🢒
Lighting Systems
🢒 Interior Lights Schematics
Figure
1:
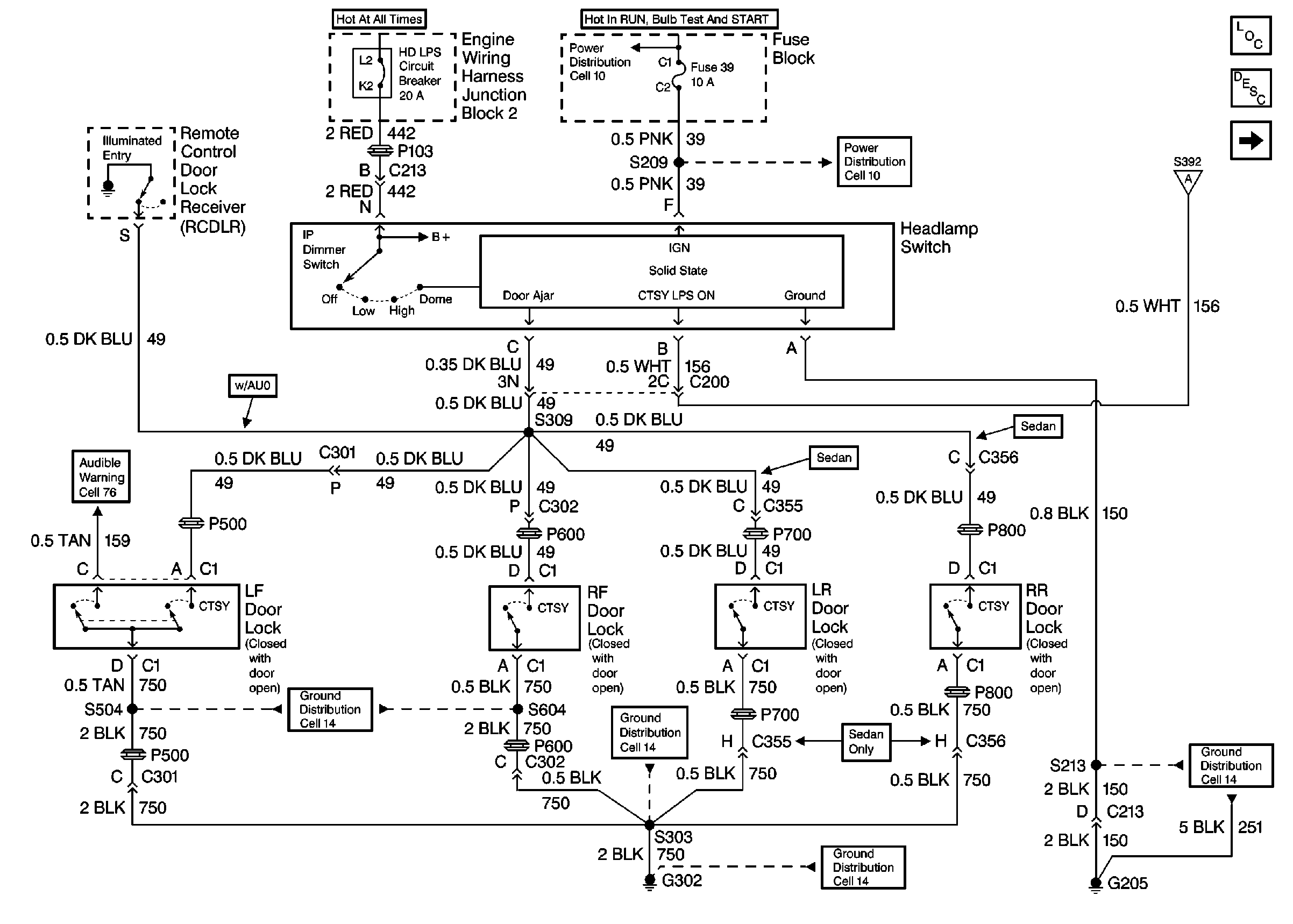
Cell 114: Power, Headlamp Switch, RCDLR, Door Locks
Audible Warnings Schematics
Ground Distribution Schematics
Ground Distribution Schematics
Ground Distribution Schematics
Ground Distribution Schematics
Power Distribution Schematics
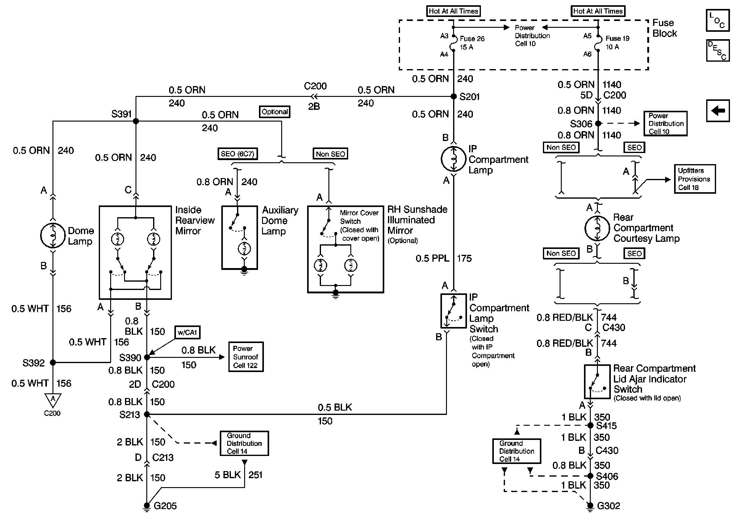
Cell 114: Power, Dome Lamp, Mirrors, IP/Rear Compartment Lamps, LiD Ajar Switch
Power Distribution Schematics
Lighting Systems Components
Interior Lights Circuit Description
Cell 114: Power, Dome Lamp, Mirrors, IP/Rear Compartment Lamps, LiD Ajar Switch
Figure
2:
Cell 114: Power, Dome Lamp, Mirrors, IP/Rear Compartment Lamps, Lid Ajar Switch
Cell 114: Power, Headlamp Switch, RCDLR, Door Locks
Ground Distribution Schematics
Ground Distribution Schematics
Upfitter Provision Schematics
Power Distribution Schematics
Power Distribution Schematics
Lighting Systems Components
Interior Lights Circuit Description
Cell 114: Power, Headlamp Switch, RCDLR, Door Locks