GM Service Manual Online
For 1990-2009 cars only

Removal Procedure

  1. Remove the front seat. Refer to Seat Replacement .
  2. Remove the adjuster from the seat. Refer to Front Seat Adjustment .
  3. Disconnect the drive cables. Refer to Seat Horizontal and Vertical Drive Cable Replacement .
  4. Place the adjuster into a vise.

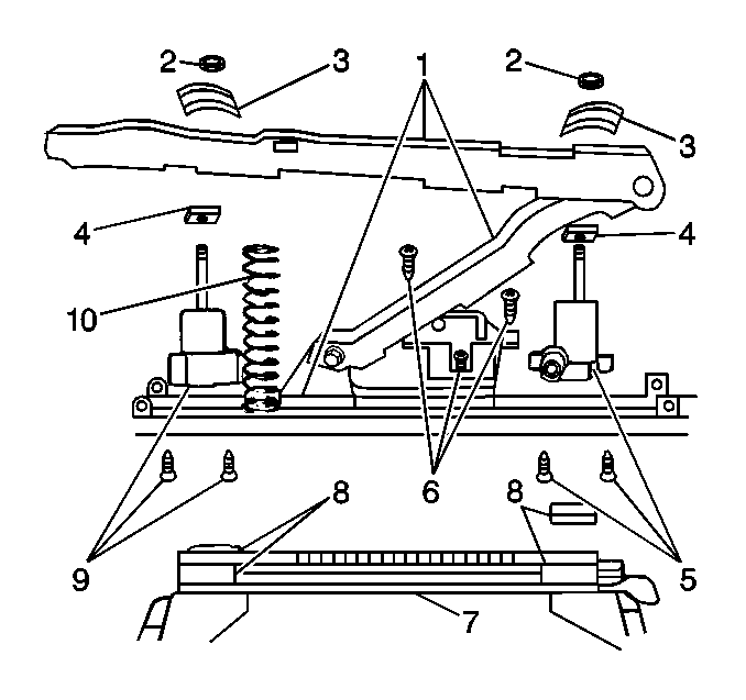
  5. Object Number: 292154  Size: SH
  6. Remove the vertical gearnut attaching screws (5, 9).
  7. Remove the upper channel (1) and vertical assist spring (10).
  8. Remove the adjuster from the vise.
  9. Place the adjuster on its side.
  10. Disassemble the adjuster as needed.

  11. Manually crank the horizontal actuator (6) in order to gain access to the attaching screws on the bottom of the lower channel.
  12. If you are replacing the vertical gearnut (5 or 9), transfer the gearnut shoulder nut (4) and the tension spring (10) to the new gearnut.

Installation Procedure


    Object Number: 292154  Size: SH
  1. Install the gearnut to the lower channel.
  2. Use a vise in order to compress the vertical assist spring.
  3. Install the following components:

    • The vertical assist spring
    • The upper channel attaching nuts
    • The vertical gearnut attaching screws (5, 9)
  4. Install the adjuster to the seat. Refer to Front Seat Adjustment .
  5. Connect the drive cables. Refer to Seat Horizontal and Vertical Drive Cable Replacement .
  6. Install the front seat. Refer to Seat Replacement .
  7. Verify that the adjusters are in phase. Refer to Seat Adjuster Horizontal Actuator Adjustment .