GM Service Manual Online
For 1990-2009 cars only
Makes
🢒
Chevrolet
🢒
1998
🢒
Monte Carlo
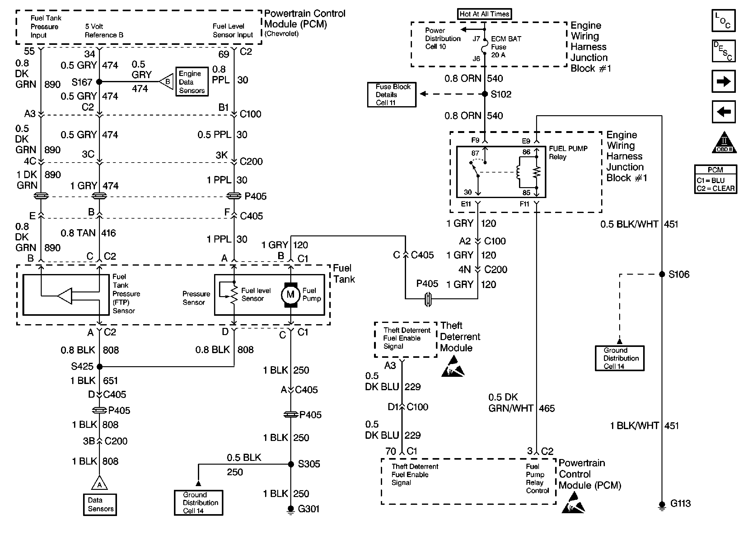
🢒 Fuel Control
Fuel Control
Fuel Control