GM Service Manual Online
For 1990-2009 cars only
Makes
🢒
Chevrolet
🢒
1998
🢒
Monte Carlo
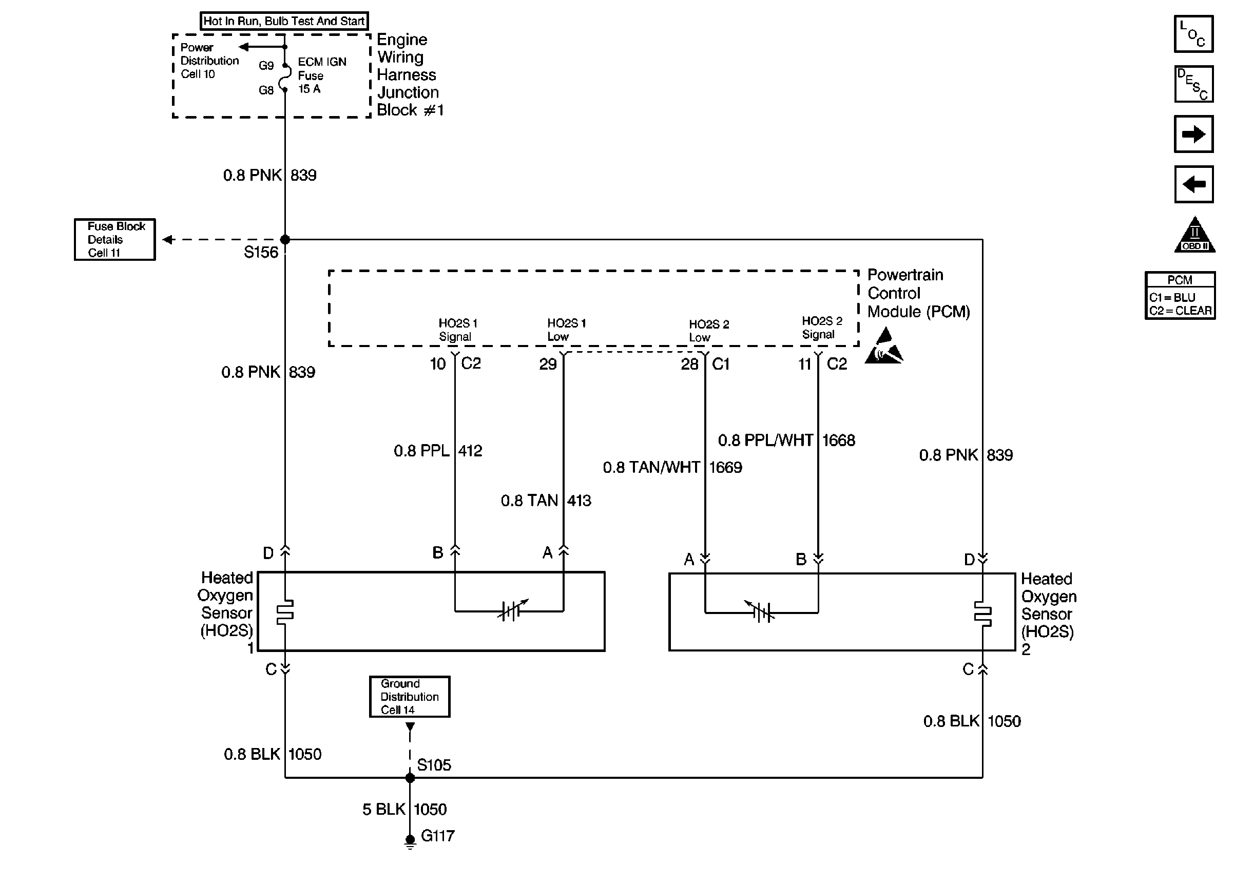
🢒 Engine Data Sensors HO2S 1, HO2S 2
Engine Data Sensors HO2S 1, HO2S 2
Engine Data Sensors HO2S 1, HO2S 2