The Throttle Position (TP) sensor circuit provides a voltage signal that changes relative to throttle blade angle. The signal voltage will vary from below 1.0 volt at closed throttle to above 4.0 volts at Wide Open Throttle (WOT).
The TP signal is one of the most important inputs used by the PCM for fuel control and most of the PCM controlled outputs. If the PCM detects a TP signal that is intermittently above the range of the TP sensor, DTC P1121 will be set.
The engine is running.
| • | TP sensor indicates a throttle position voltage intermittently greater than 4.7 volts. |
| • | The condition is present for longer than 5 seconds. |
| • | The PCM will not illuminate the malfunction indicator lamp (MIL). |
| • | The PCM will store conditions which were present when the DTC set as Failure Records data only. This information will not be stored as Freeze Frame data. |
| • | A History DTC will clear after 40 consecutive warm-up cycles have occurred without a malfunction. |
| • | The DTC can be cleared by using the scan tool Clear Info function. |
Check for the following conditions:
| • | Poor connection at PCM. Inspect harness connectors for backed out terminals, improper mating, broken locks, improperly formed or damaged terminals, and poor terminal to wire connection. Refer to Intermittents and Poor Connections Diagnosis , Repairing Connector Terminals and Connector Repairs in Wiring Systems. |
| • | Damaged harness. Inspect the wiring harness for damage. If the harness appears to be OK, observe the throttle position display on the scan tool while moving connectors and wiring harnesses related to the TP sensor. A change in the display will indicate the location of the fault. Refer to Wiring Repairs in Wiring Systems. |
If DTC P1121 cannot be duplicated, reviewing the Fail Records vehicle mileage since the diagnostic test last failed may help determine how often the condition that caused the DTC to be set occurs. This may assist in diagnosing the condition.
Step | Action | Value(s) | Yes | No | ||||||
|---|---|---|---|---|---|---|---|---|---|---|
1 | Was the Powertrain On Board Diagnostic (OBD) System Check performed? | -- | ||||||||
2 | Select DTC info, Last Test Fail and note any other DTCs set. Is DTC P0123 also set? | -- | Go to DTC P0123 Throttle Position (TP) Sensor Circuit High Voltage first | |||||||
3 | Is DTC P1111, P1115, and/or P1106 also set? | -- | ||||||||
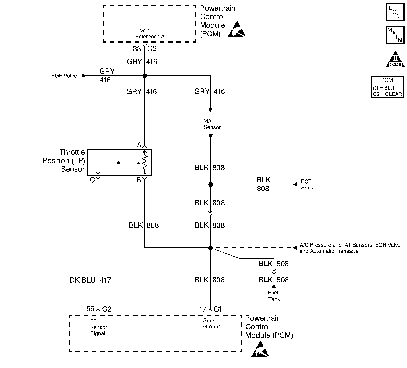
4 | Check for a faulty sensor ground circuit terminal connection at the TP sensor. If a problem is found repair as necessary. Refer to Connector Repairs in Wiring Systems. Was a problem found? | -- | ||||||||
5 | Check the TP signal circuit between the TP sensor connector and the PCM for an intermittent short to voltage. Refer to Intermittents and Poor Connections Diagnosis in Wiring Systems. Was a problem found? | -- | ||||||||
6 | Check for an intermittent short to voltage on the 5 volt reference A circuit between the PCM and the following components:
If a problem is found repair as necessary. Refer to Intermittents and Poor Connections Diagnosis in Wiring Systems. Was a problem found? | -- | ||||||||
7 |
Was a problem found? | -- | ||||||||
8 |
Was a problem found? | -- | Go to Diagnostic Aids | |||||||
9 | Replace the faulty harness connector terminal for sensor ground circuit. Refer to Connector Repairs in Wiring Systems. Did you complete the repair? | -- | -- | |||||||
10 | Repair intermittent open/short circuit in wiring harness as necessary. Refer to Intermittents and Poor Connections Diagnosis in Wiring Systems. Did you complete the repair? | -- | -- | |||||||
11 |
Does scan tool indicate DTC P1121 failed? | -- | Repair complete |