GM Service Manual Online
For 1990-2009 cars only

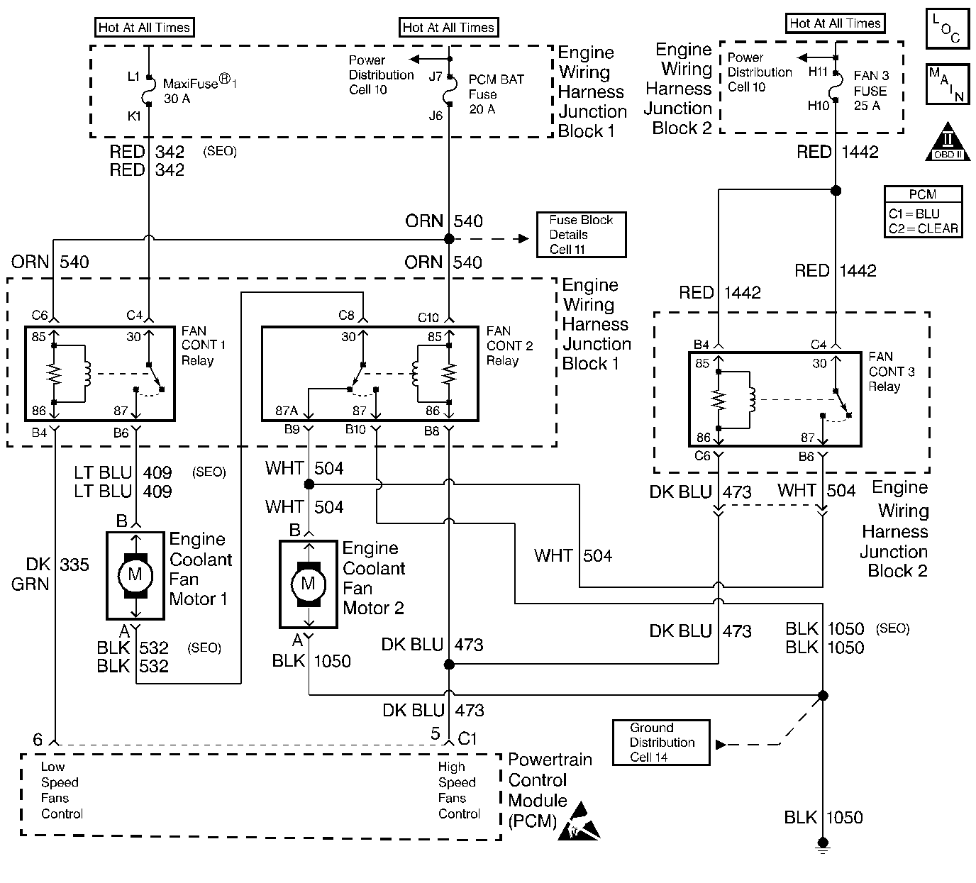
Object Number: 236277  Size: LF
Engine Controls Components
A/C Compressor Controls
OBD II Symbol Description Notice
Handling ESD Sensitive Parts Notice

Circuit Description

Output Driver Modules (ODMs) are used by the PCM to turn on many of the current-driven devices that are needed to control various engine and Transaxle functions. Each ODM is capable of controlling up to 7 separate outputs by applying ground to the device which the PCM is commanding on. DTC P1652set indicates an improper voltage level has been detected, which controls the Fan 2 and Fan 3 relays.

Conditions for Running the DTC

The ignition is on.

Conditions for Setting the DTC

    •  An improper voltage level has been detected on the output circuit which controls the high speed fans.
    •  The above conditions are present for at least 30 seconds.

Action Taken When the DTC Sets

    • The PCM will illuminate the malfunction indicator lamp (MIL) during the second consecutive trip in which the diagnostic test has been run and failed.
    • The PCM will store conditions which were present when the DTC set as Freeze Frame and Failure Records data.

Conditions for Clearing the MIL/DTC

    • The PCM will turn OFF the MIL during the third consecutive trip in which the diagnostic has been run and passed.
    • The History DTC will clear after 40 consecutive warm-up cycles have occurred without a malfunction.
    • The DTC can be cleared by using the scan tool.

Diagnostic Aids

Check for the following conditions:

    •  Poor connection at PCM - Inspect harness connectors for the following items:
       -  Backed out terminals
       -  Improper mating
       -  Broken locks
       -  Improperly formed or damaged terminals
       -  Poor terminal to wire connections
    •  Damaged harness - Inspect the wiring harness for damage.
    •  If the harness appears to be OK, disconnect the PCM, turn the ignition ON and observe a digital multimeter connected between the High speed fans control circuit and ground at the PCM harness connector while moving connectors and wiring harnesses related to the series/parallel fan relay and the high speed fan relay. A change in voltage will indicate the location of the fault.

Review the Freeze Frame/Fail Records vehicle mileage since the diagnostic test last failed. This may help determine how often the condition that caused the DTC to be set occurs.

Test Description

Numbers below refer to the step numbers on the Diagnostic Table:

  1. Normally, battery feed voltage should be present on the control circuit with the PCM disconnected and the ignition turned ON.

  2. Checks for a shorted component or a short to battery positive voltage on the control circuit. Either condition would result in a measured current of over 500 milliamps. Also checks for a component that is going open while being operated, resulting in a measured current of 0 milliamps.

  3. Checks for a short to battery positive voltage on the cooling fan relay #2 and #3 control circuit.

  4. This vehicle is equipped with a PCM which utilizes an Electrically Erasable Programmable Read Only Memory (EEPROM). When the PCM is being replaced, the new PCM must be programmed. Refer to Powertrain Control Module Replacement/Programming .

Step

Action

Values

Yes

No

1

Was the Powertrain On Board Diagnostic (OBD) System Check performed?

--

Go to Step 2

Go to the Powertrain On Board Diagnostic (OBD) System Check

2

  1. Turn OFF the ignition switch.
  2. Disconnect the PCM.
  3. Turn ON the ignition switch.
  4. Using a J 39200 Digital Multimeter, measure voltage between the cooling fan relay #2 and #3 control circuit at the PCM harness connector and ground.

Is the voltage near the specified value?

B+

Go to Step 3

Go to Step 6

3

  1. Disconnect the right engine cooling fan.
  2. Connect the digital multimeter to measure current between the cooling fan relay #2 and #3 control circuit at the PCM harness connector and ground.
  3. Monitor the current reading on the digital multimeter for at least 2 minutes.

Does the current reading remain between the specified values?

0.1 to 0.5 Amps

(100 to 500 mA)

Go to Step 11

Go to Step 4

4

  1. Disconnect engine cooling fan relays #2 and #3 (leave the PCM disconnected).
  2. Reconnect the right engine cooling fan.
  3. Using the digital multimeter, measure voltage between the cooling fan relay #2 and #3 control circuit and ground.

Is voltage at the specified value?

0.0V

Go to Step 14

Go to Step 5

5

Locate and repair the short to voltage in the fan 2 control circuit. Refer to Wiring Repairs in Wiring Systems.

Did you complete the repair?

--

Go to Step 18

--

6

  1. Turn OFF the ignition switch.
  2. Check the battery feed fuse for the engine cooling fan relay #3 and engine cooling fan relay #2 coil.

Is the fuse open?

--

Go to Step 7

Go to Step 8

7

  1. Locate and repair short to ground in the battery feed circuit for engine cooling fan relays #3 and #2. Refer to Wiring Repairs in Wiring Systems.
  2. Replace the fuse.

Did you complete the repair?

--

Go to Step 18

--

8

  1. Disconnect engine cooling fan relay #2.
  2. Turn ON the ignition switch.
  3. Measure voltage between the battery feed circuit at engine cooling fan relay #2 and ground.

Is voltage near the specified value?

B+

Go to Step 9

Go to Step 13

9

  1. Check the engine cooling fan relay #2 and #3 control circuit for an open or a short to ground.
  2. If a problem is found, repair the engine cooling fan relay #2 and #3 control circuit. Refer to Wiring Repairs in Wiring Systems.

Was a problem found?

--

Go to Step 18

Go to Step 10

10

Check for the following conditions:

    •  The engine cooling fan relay #2 and #3 control circuit for faulty connections at the cooling fan relays.
    •  The battery feed circuit for faulty connections at the cooling fan relays.
    •  The engine cooling fan relay #2 and #3 control circuit for a faulty connection at the PCM.

Was a problem found?

--

Go to Step 18

Go to Diagnostic Aids

11

  1. Turn OFF the ignition switch.
  2. Reconnect the right cooling fan.
  3. Reconnect the PCM.
  4. Disconnect engine cooling fan relay #2.
  5. Turn ON the ignition switch.
  6. Connect a J 35616-200 Unpowered Test Light between the cooling fan relay #2 and #3 control circuit at the high speed cooling fan relay harness connector and battery positive voltage.
  7. Using the scan tool outputs test function, cycle fan 2 ON and OFF .

Does the test light flash ON and OFF?

--

Go to Diagnostic Aids

Go to Step 12

12

  1. Check the cooling fan relay #2 and #3 control circuit for a faulty connection at the PCM.
  2. If a problem is found, replace the faulty terminal. Refer to Connector Repairs in Wiring Systems.

Was a problem found?

--

Go to Step 18

Go to Step 15

13

Locate and repair open in battery feed circuit to the cooling fan relays coil. Refer to Wiring Repairs in Wiring Systems.

Did you complete the repair?

--

Go to Step 18

--

14

  1. Reconnect engine cooling fan relay #3.
  2. Install the digital multimeter to measure current between the cooling fan relay #2 and #3 control circuit and ground.
  3. Monitor the current reading on the digital multimeter for at least 2 minutes.

Does the current reading remain below the specified value?

0.25 Amp

(250 mA)

Go to Step 16

Go to Step 17

15

Important: :  The replacement PCM must be programmed.

Replace the PCM. Refer to Powertrain Control Module Replacement/Programming .

Did you complete the repair?

--

Go to Step 18

--

16

Replace engine cooling fan relay #2.

Did you complete the repair?

--

Go to Step 18

--

17

Replace engine cooling fan relay #3.

Did you complete the repair?

--

Go to Step 18

--

18

  1. Turn OFF the ignition switch.
  2. Reconnect any relay, cooling fan, and PCM connectors that were disconnected in the previous step.
  3. Turn ON the ignition switch.
  4. Review and record scan tool Fail Records data.
  5. Clear DTCs.
  6. Operate the vehicle within Fail Records conditions as noted.
  7. Using a scan tool, monitor Specific DTC info for DTC P1652 until the DTC P1652 test runs

Does the scan tool indicate DTC P1652 failed this ignition?

--

Go to Step 2

System OK