GM Service Manual Online
For 1990-2009 cars only

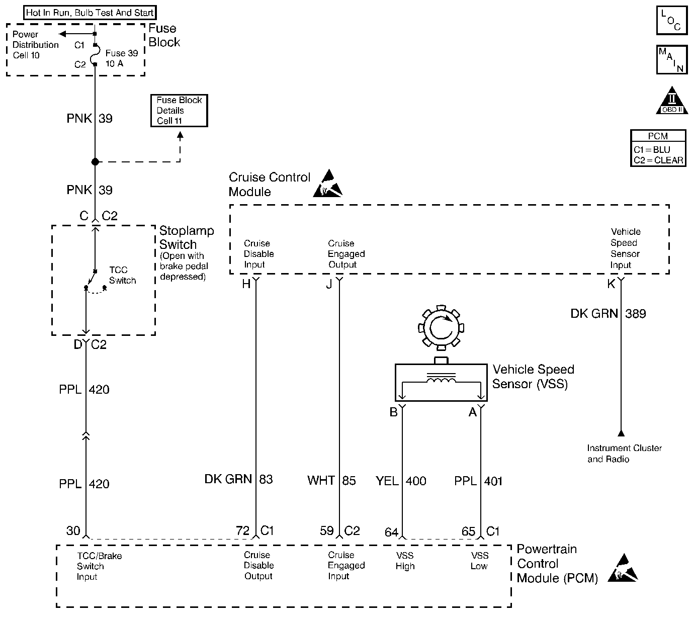
Object Number: 235470  Size: LF
Engine Controls Components
VSS, Cruise
OBD II Symbol Description Notice
Handling ESD Sensitive Parts Notice
Handling ESD Sensitive Parts Notice

Circuit Description

The stepper motor cruise control module sends the cruise status input to the PCM to indicate when cruise control is engaged. The PCM monitors the cruise status signal while commanding cruise to be disengaged by grounding the cruise inhibit circuit. Any of the following conditions may cause the PCM to inhibit cruise control operation:

    •  Engine not running long enough for cruise control operation.
    •  Transaxle range inputs indicate park, neutral, low, or reverse gear selected.
    •  Engine speed is too high or too low.
    •  Vehicle speed is too high or too low.
    •  ABS system is active for longer than 2 seconds.
    •  Vehicle acceleration or deceleration rate is too high.

Conditions for Running the DTC

The PCM is commanding the SMCC module to not allow cruise control operation (Cruise Inhibit circuit grounded).

Conditions for Setting the DTC

    •  The Cruise Status input to the PCM indicates that cruise control is still active.
    •  Above conditions for longer than 1 second.

Action Taken When the DTC Sets

    • The PCM will not illuminate the malfunction indicator lamp (MIL).
    • The PCM will store conditions which were present when the DTC set as Failure Records data only. This information will not be stored as Freeze Frame data.

Conditions for Clearing the MIL/DTC

    • A History DTC will clear after 40 consecutive warm-up cycles have occurred without a malfunction.
    • The DTC can be cleared by using the scan tool Clear Info function.

Diagnostic Aids

Check for the following conditions:

    •  Poor connection at PCM. Inspect harness connectors for backed out terminals, improper mating, broken locks, improperly formed or damaged terminals, and poor terminal to wire connection. Refer to Intermittents and Poor Connections Diagnosis .
    •  Damaged harness. Inspect the wiring harness for damage. If the harness appears to be OK, observe the Cruise Status display on the scan tool while moving connectors and wiring harnesses related to the Stepper Motor Cruise Control module. A change in the display will indicate the location of the fault. Refer to Wiring Repairs .

If DTC P1554 cannot be duplicated, the information included in the Failure records data can be useful in determining how many ignition cycles have passed since the DTC was last set.

Test Description

The numbers below refer to the step numbers on the Diagnostic Table:

  1. This vehicle is equipped with a PCM which utilizes an Electrically Erasable Programmable Read Only Memory (EEPROM). When the PCM is being replaced, the new PCM must be programmed. Refer to Powertrain Control Module Replacement/Programming .

DTC P1554 - Cruise Control Status Circuit

Step

Action

Value(s)

Yes

No

1

Was the Powertrain On Board Diagnostic (OBD) System Check performed?

--

Go to Step 2

Go to Powertrain On Board Diagnostic (OBD) System Check

2

Is DTC P1662 also set?

--

Go to DTC P1662 Cruise Control Inhibit Output Circuit

Go to Step 3

3

  1. Turn off the ignition switch.
  2. Disconnect the cruise control module.
  3. Turn on the ignition switch.
  4. Using a J 39200 digital multimeter, measure voltage between the cruise status circuit at the cruise control module harness connector and ground.

Is the voltage greater than the specified value?

7.0V

Go to Step 4

Go to Step 5

4

  1. Turn off the ignition switch.
  2. Reconnect the cruise control module.
  3. Disconnect the PCM.
  4. Turn on the ignition switch.
  5. Probe the cruise engaged status circuit at the PCM harness connector with a test light to battery positive voltage.

Is the test light on?

--

Go to Step 6

Go to Step 7

5

  1. Turn off the ignition switch.
  2. Disconnect the PCM.
  3. Probe the cruise engaged status circuit at the PCM harness connector with a test light to battery positive voltage.

Is the test light on?

--

Go to Step 8

Go to Step 7

6

Replace the cruise control module. Refer to Cruise Control Module Replacement in Cruise Control.

Did you complete the repair?

--

Go to Step 9

--

7

Important: :  The replacement PCM must be programmed.

Replace the PCM. Refer to Powertrain Control Module Replacement/Programming .

Did you complete the repair?

--

Go to Step 9

--

8

Locate and repair short to ground in the cruise engaged status circuit. Refer to Wiring Repairs in Wiring Systems.

Did you complete the repair?

--

Go to Step 9

--

9

  1. Clear DTC P1554.
  2. Start the engine and observe DTC(s).

Did DTC P1554 set?

--

Go to Step 2

System OK