GM Service Manual Online
For 1990-2009 cars only

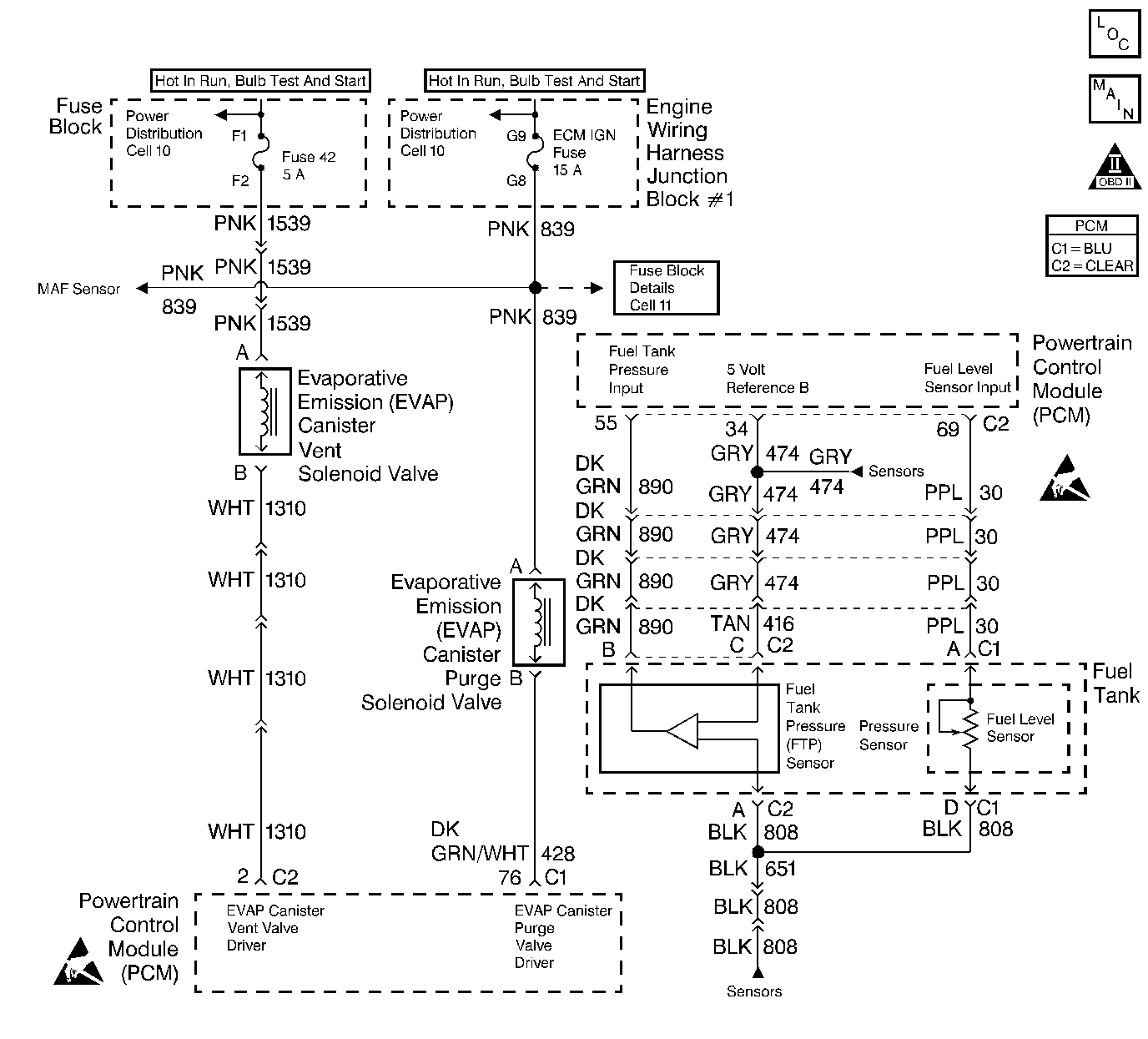
Object Number: 237540  Size: LF
Engine Controls Component Views
Engine Data Sensors-MAF, EVAP Vent, EVAP Purge, EGR
OBD II Symbol Description Notice
Handling ESD Sensitive Parts Notice
Handling ESD Sensitive Parts Notice

Circuit Description

Output Driver Modules (ODMs) are used by the PCM to turn on many of the current-driven devices that are needed to control various engine and Transaxle functions. Each ODM is capable of controlling up to 7 separate outputs by applying ground to the device which the PCM is commanding ON. Unlike the Quad Driver Modules (QDMs) used in prior model years, ODMs have the capability of diagnosing each output circuit individually. DTC P1676 set indicates an improper voltage level has been detected on the output circuit which controls the EVAP purge solenoid.

Conditions for Setting the DTC

    • The ignition is ON.
    • An improper voltage level has been detected on the output circuit which controls the EVAP purge solenoid.
    • The above conditions are present for at least 30 seconds.

Action Taken When the DTC Sets

    • The PCM will illuminate the MIL during the second consecutive trip in which the diagnostic test has been run and failed.
    • The PCM will store conditions which were present when the DTC set as Freeze Frame and Fail Records data.

Conditions for Clearing the MIL/DTC

    • The PCM will turn the MIL OFF during the third consecutive trip in which the diagnostic has been run and passed.
    • The history DTC will clear after 40 consecutive warm-up cycles have occurred without a malfunction.
    • The DTC can be cleared by using the scan tool Clear Info function or by disconnecting the PCM battery feed.

Diagnostic Aids

Check for the following conditions:

    • Poor connection at the PCM.
        Inspect harness connectors for backed out terminals, improper mating, broken locks, improperly formed or damaged terminals, and poor terminal to wire connection.
    • Damaged harness.
    • Inspect the wiring harness for damage. If the harness appears to be OK, disconnect the PCM, turn the ignition ON and observe a voltmeter connected between the EVAP purge solenoid control circuit and ground at the PCM harness connector while moving connectors and wiring harnesses related to the EVAP purge solenoid. A change in voltage will indicate the location of the malfunction.

Reviewing the Fail Records vehicle mileage since the diagnostic test last failed may help determine how often the condition that caused the DTC to be set occurs. This may assist in diagnosing the condition.

Test Description

The numbers below refer to the step numbers on the diagnostic table.

  1. Normally, ignition feed voltage should be present on the control circuit with the PCM disconnected and the ignition turned ON.

  2. Checks for a shorted component or a short to B+ on the control circuit. Either condition would result in a measured current of over 500 milliamps. Also checks for a component that is going open while being operated, resulting in a measured current of 0 milliamps.

  3. Checks for a short to voltage on the control circuit.

  4. This vehicle is equipped with a PCM which utilizes an Electrically Erasable Programmable Read Only Memory (EEPROM). When the PCM is being replaced, the new PCM must be programmed.

DTC P1676 -- EVAP Canister Purge Solenoid Control CKT

Step

Action

Value(s)

Yes

No

1

Did you perform the Powertrain On-Board Diagnostic (OBD) System Check?

--

Go to Step 2

Go to Powertrain On Board Diagnostic (OBD) System Check

2

  1. Turn OFF the ignition switch.
  2. Disconnect the PCM.
  3. Turn ON the ignition switch.
  4. Using a J 39200 Digital Multimeter, measure voltage between the EVAP purge valve control circuit at the PCM harness connector and ground.

Is voltage near the specified value?

B+

Go to Step 3

Go to Step 6

3

  1. Connect a DMM to measure current between the EVAP purge valve control circuit at the PCM harness connector and ground.
  2. Monitor the current reading on the DMM for at least 2 minutes.

Does the current reading remain between the specified values?

0.05-0.5 amps

(50-500 mA)

Go to Step 11

Go to Step 4

4

  1. Turn OFF the Ignition switch.
  2. Disconnect the EVAP purge valve (leave the PCM disconnected).
  3. Turn ON the ignition switch.
  4. Using a DMM, measure voltage between the EVAP purge valve control circuit and ground.

Is voltage at the specified value?

0 V

Go to Step 10

Go to Step 5

5

Locate and repair short to voltage in the EVAP purge valve control circuit. Refer to Wiring Repairs in Wiring Systems.

Did you complete the repair?

--

Go to Step 16

--

6

Check the Ignition feed fuse for the EVAP purge valve.

Is the fuse blown?

--

Go to Step 7

Go to Step 8

7

  1. Locate and repair short to ground in ignition feed circuit for the EVAP purge valve. Refer to Wiring Repairs in Wiring Systems.
  2. Replace the fuse.

Did you complete the repair?

--

Go to Step 16

--

8

  1. Disconnect the EVAP purge valve.
  2. Turn ON the ignition switch.
  3. Measure voltage between the Ignition feed circuit for the EVAP purge valve and ground.

Is voltage near the specified value?

B+

Go to Step 9

Go to Step 13

9

  1. Check the EVAP purge valve control circuit for an open or a short to ground.
  2. If a problem is found, repair the EVAP purge valve control circuit. Refer to Wiring Repairs in Wiring Systems.

Was a problem found?

--

Go to Step 16

Go to Step 10

10

  1. Check for the following conditions:
  2. •  The EVAP purge valve control circuit for a faulty connection at the PCM.
    •  The EVAP purge valve control circuit for a faulty connection at EVAP purge valve.
    •  The EVAP purge valve ignition feed circuit for a faulty connection at the EVAP purge valve.
  3. If a problem is found, replace loose terminals as necessary. Refer to Wiring Repairs in Wiring Systems.

Was a problem found?

--

Go to Step 16

Go to Step 14

11

  1. Turn OFF the Ignition switch.
  2. Reconnect the PCM.
  3. Disconnect the EVAP purge valve.
  4. Turn ON the Ignition switch.
  5. Connect a test lamp between the EVAP purge valve control circuit and the Ignition feed circuit at the EVAP purge valve harness connector.
  6. Using a scan tool outputs test function, cycle the EVAP purge solenoid output ON and OFF.

Does the test lamp flash ON and OFF?

--

Go to Diagnostic Aids

Go to Step 12

12

  1. Check the EVAP purge valve control circuit for a faulty connection at the PCM.
  2. If a problem is found, replace loose terminal. Refer to Wiring Repairs in Wiring Systems.

Was a problem found?

--

Go to Step 16

Go to Step 15

13

Locate and repair open in ignition feed circuit to the EVAP purge valve. Refer to Wiring Repairs in Wiring Systems.

Did you complete the repair?

--

Go to Step 16

--

14

Replace the EVAP purge valve. Refer to Evaporative Emission Canister Purge Solenoid Valve Replacement .

Did you complete the repair?

--

Go to Step 16

--

15

Important: The replacement PCM must be programmed.

Replace the PCM. Refer to Powertrain Control Module Replacement/Programming .

Did you complete the repair?

--

Go to Step 16

--

16

  1. Review and record scan tool Fail Records data.
  2. Clear DTCs.
  3. Operate the vehicle within Fail Records conditions.
  4. Using a scan tool, monitor Specific DTC info for DTC P1676 until the DTC P1676 test runs.

Does the scan tool indicate DTC P1676 failed this ignition?

--

Go to Step 2

System OK