GM Service Manual Online
For 1990-2009 cars only
Makes
🢒
Chevrolet
🢒
1999
🢒
Monte Carlo
🢒
Body and Accessories
🢒
Keyless Entry
🢒 Keyless Entry Schematics
Figure
1:
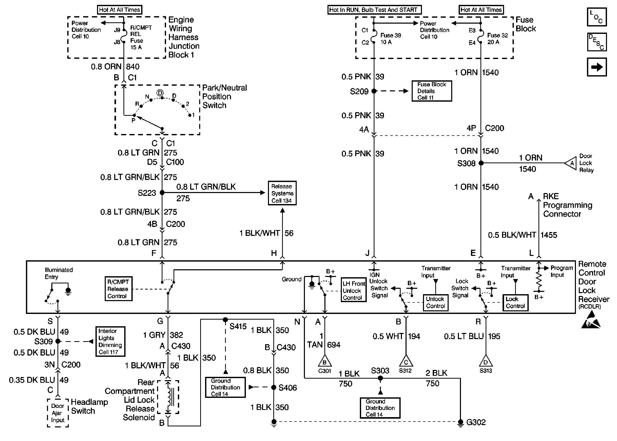
Cell 132: Power, Transaxle Range Switch, RCDLR, Headlamp Switch, Rear Compartment Lid Release Solenoid
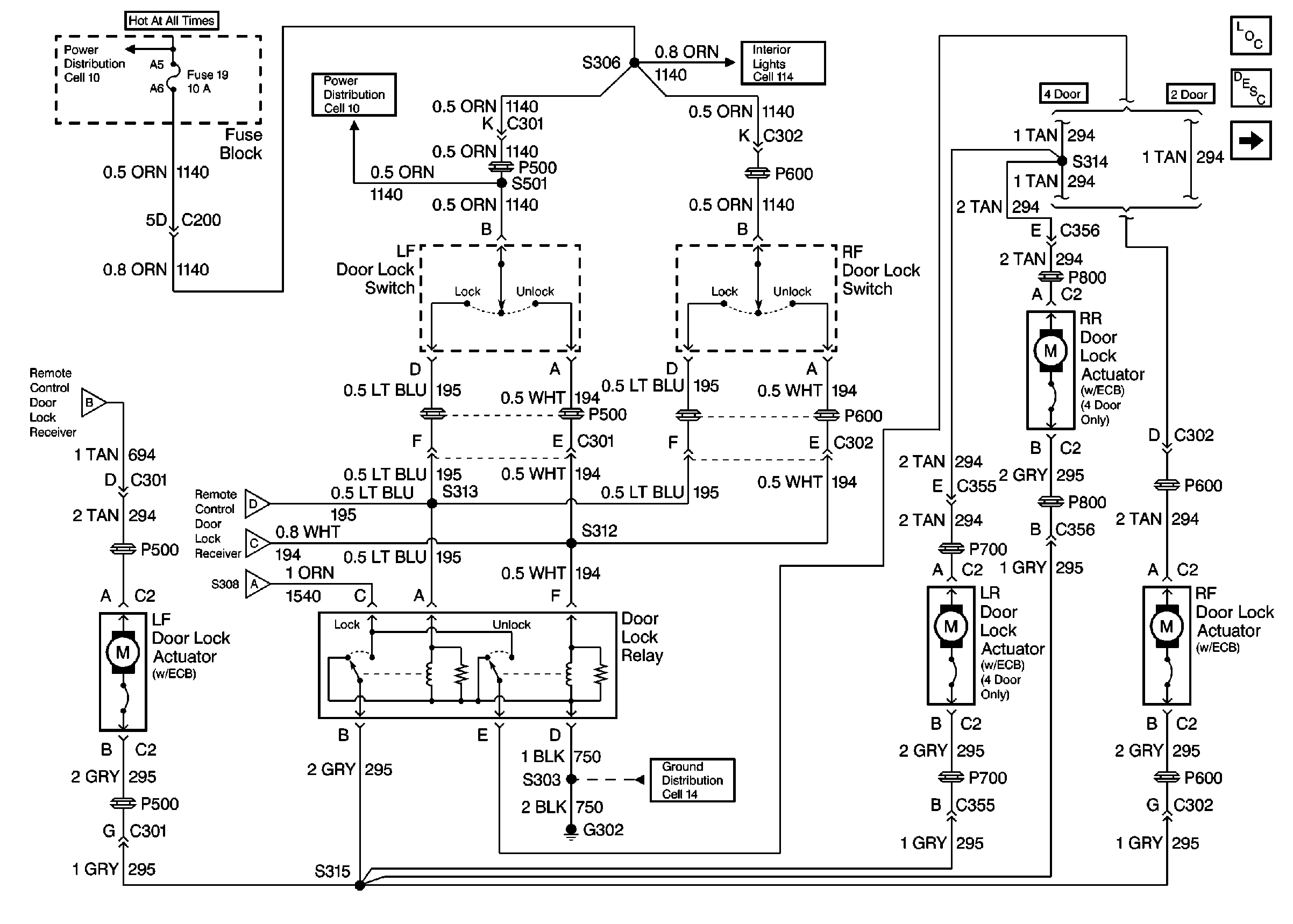
Figure
2:
Cell 132: Power, Door Lock Switches/Actuator/Relay, Ground