GM Service Manual Online
For 1990-2009 cars only
Makes
🢒
Chevrolet
🢒
1999
🢒
Monte Carlo
🢒
Body and Accessories
🢒
Stationary Windows
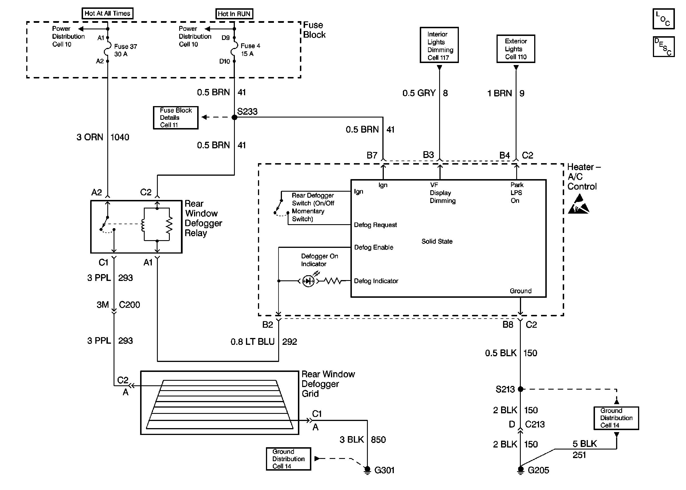
🢒 Defogger Schematics
Cell 61
Stationary Windows Components
Ground Distribution Schematics
Ground Distribution Schematics
Fuse Block Schematics
Power Distribution Schematics
Power Distribution Schematics
Interior Lights Dimming Schematics
Exterior Lights Schematics
Handling ESD Sensitive Parts Notice
OBD II Symbol Description Notice