GM Service Manual Online
For 1990-2009 cars only
Makes
🢒
Chevrolet
🢒
1999
🢒
Monte Carlo
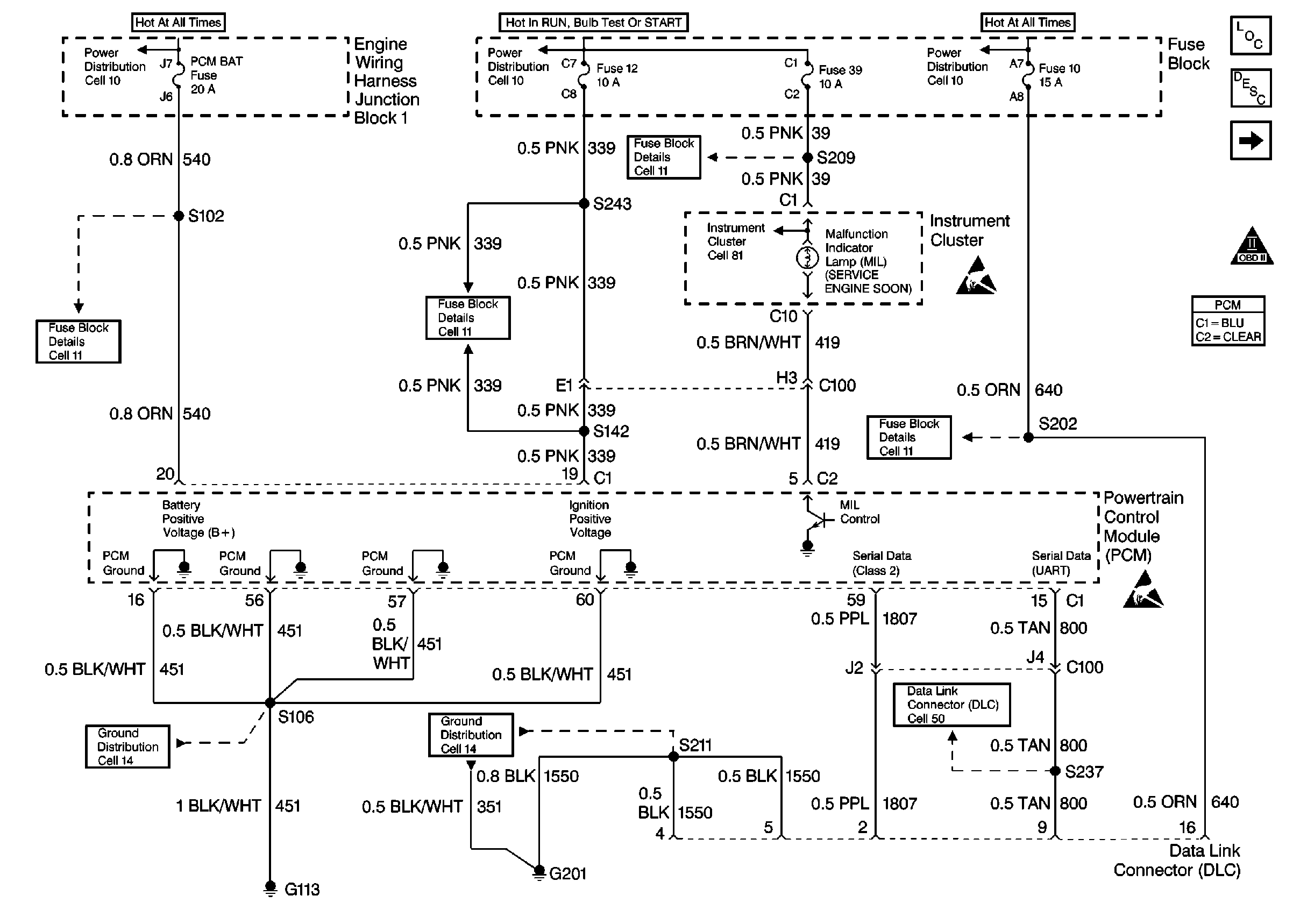
🢒 Cell 21: Power, Ground, MIL, and DLC
Cell 21: Power, Ground, MIL, and DLC
Cell 21: Power, Ground, MIL, and DLC
Engine Controls Components
Powertrain Control Module Description
Cell 10: Generator, Starter, Fusible Links, MaxiFuse® 1, 2 and4
Cell 10: Generator, Starter, Fusible Links, MaxiFuse® 1, 2 and4
Cell 10: Fuses 12, 21, 30, 33, 39, and 42
Cell 11: Anti-Theft PCM (12), Air Bag (21), Turn Signal (30), and IP Electronics Ignition Feed (39) Fuses
Cell 11: Anti-Theft PCM (12), Air Bag (21), Turn Signal (30), and IP Electronics Ignition Feed (39) Fuses
Cell 11: PCM BAT, and R/CMPT REL Fuses
Cell 14: G111 and G113
Cell 14: G201 and G204 (SEO)
Cell 50: Theft Deterrent Module (SEO), PCM, EBCM, SDM
Cell 11: IP Electronics Battery (10), and Power Accessory No.1 (19)Fuses
Handling ESD Sensitive Parts Notice
Handling ESD Sensitive Parts Notice
OBD II Symbol Description Notice
Cell 21: Ignition System, Knock Sensors
Cell 11: Anti-Theft PCM (12), Air Bag (21), Turn Signal (30), and IP Electronics Ignition Feed (39) Fuses