GM Service Manual Online
For 1990-2009 cars only
Makes
🢒
Chevrolet
🢒
1999
🢒
Monte Carlo
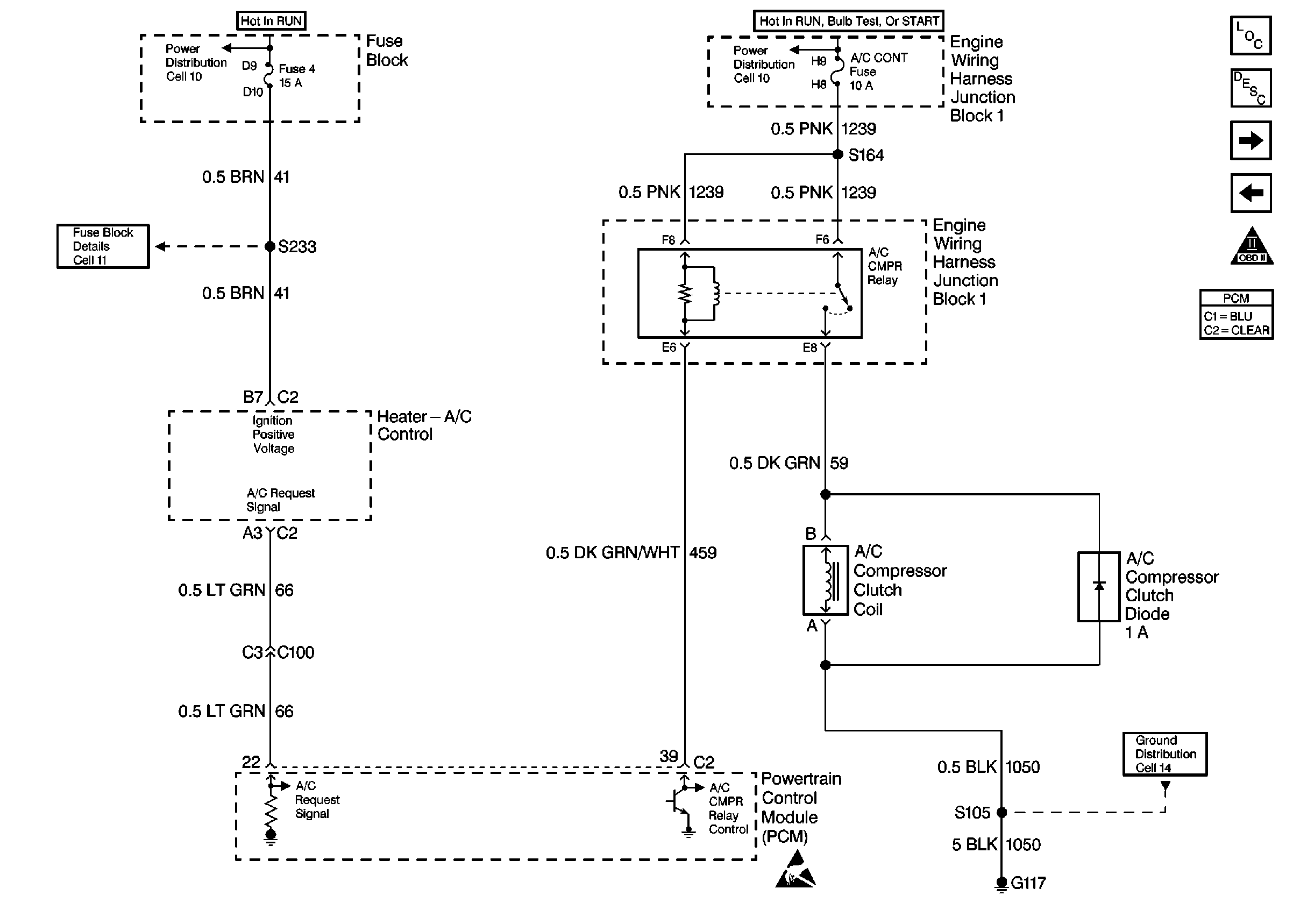
🢒 Cell 21: Engine Data Sensors-A/C Compressor Controls
Cell 21: Engine Data Sensors-A/C Compressor Controls
Cell 21: Engine Data Sensors-A/C Compressor Controls
Engine Controls Components
Powertrain Control Module Description
Cell 11: HVAC (4), ABS (13), and Cruise Control (22) Fuses
Cell 10: Fuses 4, 7, 11, 13, 20, 22, 29, 38, and Circuit Breaker C
Cell 10: Fuses 12, 21, 30, 33, 39, and 42
Cell 21: Engine Data Sensors-Cooling Fan Controls
Cell 21: Engine Data Sensors-Automatic Transaxle
OBD II Symbol Description Notice
Cell 14: G117
Handling ESD Sensitive Parts Notice