GM Service Manual Online
For 1990-2009 cars only

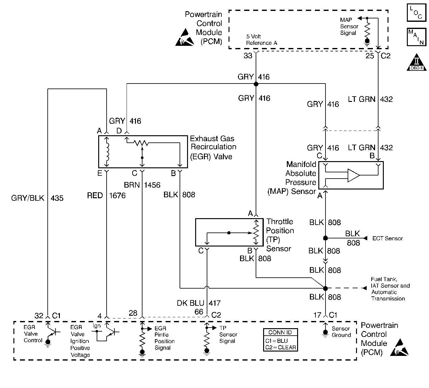
Object Number: 388782  Size: LF
Engine Controls Schematics
OBD II Symbol Description Notice
Handling ESD Sensitive Parts Notice
Handling ESD Sensitive Parts Notice

Circuit Description

The Manifold Absolute Pressure (MAP) sensor responds to changes in intake manifold pressure (vacuum). The MAP sensor signal voltage to the PCM varies from below 2.0 volts at idle (high vacuum) to above 4.0 volts with the key on, engine not running, or engine running at wide open throttle (low vacuum).

The MAP sensor is used to determine manifold pressure changes while the linear EGR flow test diagnostic is being run (refer to DTC P0401 Exhaust Gas Recirculation (EGR) Flow Insufficient ), to determine engine vacuum level for other diagnostics and to determine barometric pressure (BARO). The PCM monitors the MAP signals for voltages outside the normal range of the MAP sensor. If the PCM detects a MAP signal voltage that is excessively high, DTC P0108 will be set.

Conditions for Running the DTC

    •  No active TP sensor DTC present.
    •  Engine running for a length of time determined by start up coolant temperature. The length of time ranges from 2 minutes at less than -30°C (-22°F) to 0.5 seconds at more than 30°C (86°F).
    •  System voltage greater than 9.0 volts.
    •  Throttle position below 30 percent if engine speed is above 3000 rpm.
    •  Throttle position below 2 percent if engine speed is below 3000 rpm.

Conditions for Setting the DTC

    •  The MAP sensor signal is greater than 4.3 volts.
    •  The above conditions greater than 2 seconds.

Action Taken When the DTC Sets

    • The PCM will illuminate the malfunction indicator lamp (MIL) during the second consecutive trip in which the diagnostic test has been run and failed.
    • The PCM will store conditions which were present when the DTC set as Freeze Frame and Failure Records data.

Conditions for Clearing the MIL/DTC

    • The PCM will turn OFF the MIL during the third consecutive trip in which the diagnostic has been run and passed.
    • The History DTC will clear after 40 consecutive warm-up cycles have occurred without a malfunction.
    • The DTC can be cleared by using the scan tool.

Diagnostic Aids

Check for the following conditions:

    •  Monitor the MAP sensor using the scan tool. If the MAP sensor does not respond to throttle changes, check the 3X reference circuits from the ignition control module to the PCM.
         If the 3X reference signal is lost the PCM will only update the MAP sensor reading once per key cycle, when the engine is first started.
         Depending on where the MAP sensor voltage (high voltage or low voltage) is when the engine is started, the high or low voltage MAP sensor DTCs will set.
    •  Poor connection at PCM. Inspect harness connectors for backed out terminals, improper mating, broken locks, improperly formed or damaged terminals, and poor terminal to wire connection. Refer to Intermittents and Poor Connections Diagnosis and Connector Repairs .
    •  Damaged harness. Inspect the wiring harness for damage. If the harness appears to be OK, observe the MAP display on the scan tool while moving connectors and wiring harnesses related to the sensor. A change in the display will indicate the location of the fault. Refer to Wiring Repairs .

If DTC P0108 cannot be duplicated, the information included in the Fail Records data can be useful in determining the conditions that caused this DTC to set. If it is determined that the DTC occurs intermittently, performing the DTC P1106 Manifold Absolute Pressure (MAP) Sensor Circuit Intermittent High Voltage table may isolate the cause of the fault.

Test Description

The number below refers to the step number on the Diagnostic Table:

  1. This vehicle is equipped with a PCM which utilizes an Electrically Erasable Programmable Read Only Memory (EEPROM). When the PCM is being replaced, the new PCM must be programmed. Refer to Powertrain Control Module Replacement/Programming .

Step

Action

Value(s)

Yes

No

1

Was the Powertrain on Board Diagnostic System Check performed?

--

Go to Step 2

Go to Powertrain On Board Diagnostic (OBD) System Check

2

  1. If the engine idle is rough, unstable or incorrect, repair the idle problem before using this table. Refer to Rough, Unstable, or Incorrect Idle and Stalling .
  2. Note the MAP value on the scan tool engine data list.

Is the MAP voltage above the specified value?

3.5V

Go to Step 4

Go to Step 3

3

  1. Turn the ignition on, and leave the engine off.
  2. Review and record scan tool Fail Records data.
  3. Operate vehicle within Fail Records conditions as noted.
  4. Using a scan tool, monitor Specific DTC info for DTC P0108.

Does scan tool indicate DTC P0108 failed?

--

Go to Step 4

Go to Diagnostic Aids

4

  1. Ensure the ignition is on and the engine is off.
  2. Disconnect the MAP sensor electrical connector.
  3. Note the MAP sensor voltage displayed on the scan tool.

Is the MAP sensor voltage near the specified value?

0.0V

Go to Step 5

Go to Step 6

5

Probe the MAP Sensor ground circuit with a J 35616-200 test light to battery positive voltage.

Is the J 35616-200 test light on?

--

Go to Step 7

Go to Step 9

6

  1. Check the MAP Sensor signal circuit for a short to voltage or a short to the 5 Volt Reference A circuit.
  2. If the MAP sensor signal circuit is shorted, repair circuit as necessary. Refer to Wiring Repairs .

Was the MAP sensor signal circuit shorted?

--

Go to Step 16

Go to Step 11

7

  1. Check for poor sensor ground terminal connection at the MAP sensor electrical connector.
  2. If a problem is found, replace faulty terminal. Refer to Testing for Continuity , Intermittents and Poor Connections Diagnosis , Repairing Connector Terminals , Connector Repairs and

    Heated Oxygen Sensor (HO2S), Left Bank


    Object Number: 397716  Size: LF
    (1)Heated Oxygen Sensor (HO2S)
    .

Was a problem found?

--

Go to Step 16

Go to Step 8

8

Check for a plugged or leaking vacuum supply to the MAP sensor. Refer to Visual/Physical Inspection in Symptoms .

Is the vacuum supply OK?

--

Go to Step 12

Go to Step 15

9

  1. Check for a poor sensor ground terminal connection at the PCM.
  2. If a problem is found, replace the faulty terminal. Refer to Testing for Continuity , Intermittents and Poor Connections Diagnosis , Repairing Connector Terminals , Connector Repairs and

    Heated Oxygen Sensor (HO2S), Left Bank


    Object Number: 397716  Size: LF
    (1)Heated Oxygen Sensor (HO2S)
    .

Did the terminal require replacement?

--

Go to Step 16

Go to Step 10

10

  1. Check continuity of the MAP sensor ground circuit. Refer to Testing for Continuity .
  2. If the MAP sensor ground circuit measures over 5 ohms, repair open or poor connection. Refer to Intermittents and Poor Connections Diagnosis Wiring Repairs .

Was a condition found and corrected?

--

Go to Step 16

Go to Step 11

11

Important: :  Replacement PCM must be programmed. Refer to Powertrain Control Module Replacement/Programming .

Replace the PCM.

Is the action complete?

--

Go to Step 16

--

12

  1. Turn the ignition off.
  2. Disconnect the PCM.
  3. Turn the ignition on, and leave the engine off.
  4. Check for a short to voltage on the 5 Volt Reference A circuit.
  5. If the 5 Volt Reference A circuit is shorted, repair it as necessary. Refer to Wiring Repairs .

Was the 5 volt reference A circuit shorted?

--

Go to Step 16

Go to Step 13

13

Check for poor electrical connections at the MAP sensor and replace terminals if necessary. Refer to Testing for Continuity , Intermittents and Poor Connections Diagnosis , Repairing Connector Terminals and Connector Repairs .

Did any terminals require replacement?

--

Go to Step 16

Go to Step 14

14

Replace the MAP sensor. Refer to Manifold Absolute Pressure Sensor Replacement .

Is the action complete?

--

Go to Step 16

--

15

Repair the faulty vacuum source.

Is the action complete?

--

Go to Step 16

--

16

  1. Turn the ignition on, and leave the engine off.
  2. Clear DTCs.
  3. Operate vehicle within Fail Records conditions as noted.
  4. Using a scan tool, monitor Specific DTC info for DTC P0108.

Does scan tool indicate DTC P0108 failed?

--

Go to Step 2

System OK