GM Service Manual Online
For 1990-2009 cars only

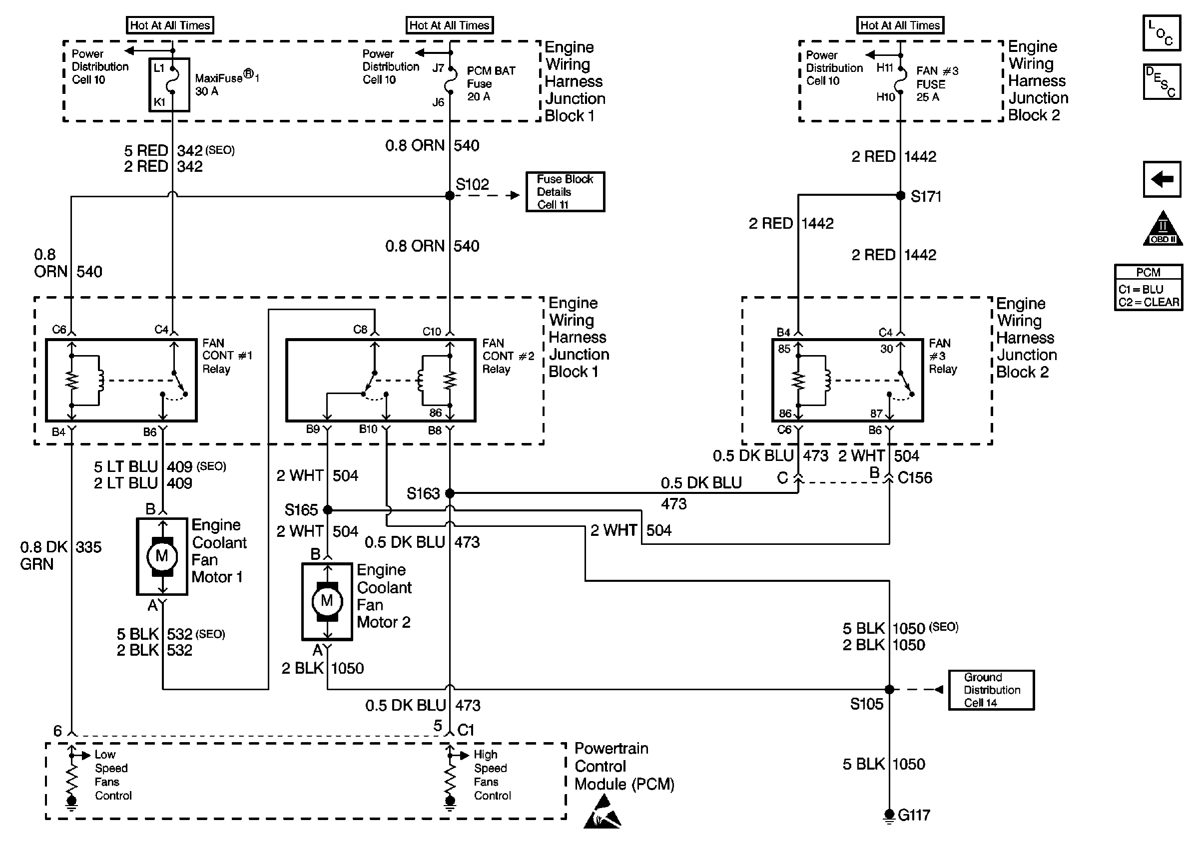
Refer to

Cell 20: Engine Data Sensors-Cooling Fan Controls


Object Number: 343219  Size: FS
Engine Controls Components
Powertrain Control Module Description
Cell 10: Generator, Starter, Fusible Links, MaxiFuse® 1, 2 and4
Cell 10: Generator, Starter, Fusible Links, MaxiFuse® 1, 2 and4
Cell 11: PCM BAT, and R/CMPT REL Fuses
Cell 10: Battery, Fusible Links (SEO), MaxiFuses®: ABS, HD LPS, IGN SW 1, and Fuses: ABS, FAN 3, HORN, PARK LPS
Cell 20: Engine Data Sensors-A/C Compressor Controls
OBD II Symbol Description Notice
Cell 14: G117
Handling ESD Sensitive Parts Notice
.

Circuit Description

Output Driver Modules (ODMs) are used by the PCM to turn on many of the current-driven devices that are needed to control various engine and Transaxle functions. Each ODM is capable of controlling up to 7 separate outputs by applying ground to the device which the PCM is commanding on. DTC P0481set indicates an improper voltage level has been detected, which controls the Fan 2 and Fan 3 relays.

Conditions for Running the DTC

The ignition is on.

Conditions for Setting the DTC

    •  An improper voltage level has been detected on the output circuit which controls the high speed fans.
    •  The above conditions are present for at least 30 seconds.

Action Taken When the DTC Sets

    • The PCM will illuminate the malfunction indicator lamp (MIL) during the second consecutive trip in which the diagnostic test has been run and failed.
    • The PCM will store conditions which were present when the DTC set as Freeze Frame and Failure Records data.

Conditions for Clearing the MIL/DTC

    • The PCM will turn OFF the MIL during the third consecutive trip in which the diagnostic has been run and passed.
    • The History DTC will clear after 40 consecutive warm-up cycles have occurred without a malfunction.
    • The DTC can be cleared by using the scan tool.

Diagnostic Aids

Check for the following conditions:

    •  Poor connection at PCM - Inspect harness connectors for the following items:
       -  Backed out terminals
       -  Improper mating
       -  Broken locks
       -  Improperly formed or damaged terminals
       -  Poor terminal to wire connections
    •  Damaged harness - Inspect the wiring harness for damage.
    •  If the harness appears to be OK, disconnect the PCM, turn the ignition ON and observe a digital multimeter connected between the High speed fans control circuit and ground at the PCM harness connector while moving connectors and wiring harnesses related to the series/parallel fan relay and the high speed fan relay. A change in voltage will indicate the location of the fault.

Review the Freeze Frame/Fail Records vehicle mileage since the diagnostic test last failed. This may help determine how often the condition that caused the DTC to be set occurs.

Test Description

The number(s) below refer to the step number(s) on the diagnostic table.

  1. The powertrain OBD System Check prompts you to complete some basic checks and store the freeze frame and failure records data on the scan tool.

  2. Listen for an audible click when the relay operates. Command both the on and off states. Repeat the commands as necessary.

  3. Tests for voltage at the coil feed side of the relays.

  4. Verifies that the PCM is providing ground to the relays.

  5. Tests if ground is constantly being applied to the relays.

  6. The PCM utilizes Electrically Erasable Programmable Read Only Memory (EEPROM). When the PCM is replaced, the new PCM must be programmed.

Step

Action

Value(s)

Yes

No

1

Did you perform the Powertrain On-Board Diagnostic (OBD) System Check?

--

Go to Step 2

Go to Powertrain On Board Diagnostic (OBD) System Check

2

Important: :  If you cannot determine if the relays are responding to the command, observe the fans. When High Speed Fans are commanded ON, Both fans should operate in low speed and after several seconds both fans should switch to high speed. If the fans are not operating properly continue with step 3 of this chart.

  1. Turn ON the ignition, with the engine OFF.
  2. With a scan tool, command the High speed Fans on.

Do both relays turn ON after several seconds and OFF with each command?

--

Go to Diagnostic Aids

Go to Step 3

3

  1. Turn OFF the ignition.
  2. Disconnect the Fan 2 and Fan 3 relays.
  3. Turn ON the ignition, with the engine OFF.
  4. Probe the coil feed circuits of each relay with a J 35616-200 test lamp that is connected to a good ground.

Does the J 35616-200 test lamp illuminate for both circuits?

--

Go to Step 4

Go to Step 10

4

  1. Connect a J 35616-200 test lamp between the control circuits of each relay and the coil feeds circuit of each relay.
  2. With a scan tool, command the High Speed Fans ON and OFF .

Does the J 35616-200 test lamp turn ON after several seconds and OFF with each command for both relays?

--

Go to Step 8

Go to Step 5

5

Does the J 35616-200 test lamp remain illuminated with each command when probing either feed circuit?

--

Go to Step 7

Go to Step 6

6

Test the control circuits of each relay for a short to voltage or an open. Refer to Wiring Repairs in Wiring Systems.

Did you find and correct the condition?

--

Go to Step 13

Go to Step 9

7

Test the control circuits of each relay for a short to ground. Refer to Wiring Repairs in Wiring Systems.

Did you find and correct the condition?

--

Go to Step 13

Go to Step 9

8

Inspect for poor connections at the relays. Refer to Intermittents and Poor Connections Diagnosis and Connector Repairs in Wiring Systems.

Did you find and correct the condition?

--

Go to Step 13

Go to Step 11

9

Inspect for poor connections at the PCM. Refer to Intermittents and Poor Connections Diagnosis and Connector Repairs in Wiring Systems.

Did you find and correct the condition?

--

Go to Step 13

Go to Step 12

10

Repair the feed circuit of the effected relay. Refer to Wiring Repairs in Wiring Systems.

Did you complete the replacement?

--

Go to Step 13

--

11

Replace the effected relay.

Did you complete the replacement?

--

Go to Step 13

--

12

Important: Perform the set up procedure for the PCM.

Replace the PCM. Refer to Powertrain Control Module Replacement/Programming .

Did you complete the replacement?

--

Go to Step 13

--

13

  1. Use the scan tool in order to clear the DTCs .
  2. Operate the vehicle within the Conditions for Running the DTC as specified in the supporting text.

Does the DTC reset?

--

Go to Step 2

System OK