GM Service Manual Online
For 1990-2009 cars only
Makes
🢒
Chevrolet
🢒
2000
🢒
Monte Carlo
🢒
Engine
🢒
Engine Cooling
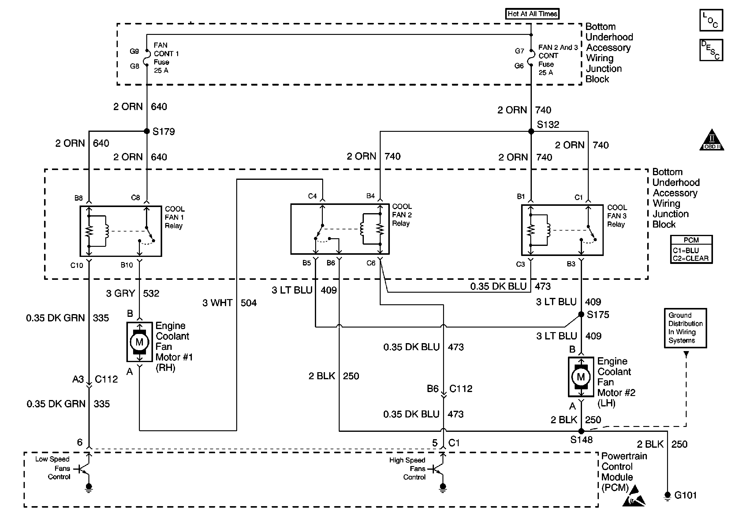
🢒 Cooling Fan Schematics
G101 (1 of 2)
Handling ESD Sensitive Parts Notice
Cooling System Components
Engine Cooling Fan Description - Electric
OBD II Symbol Description Notice