GM Service Manual Online
For 1990-2009 cars only
Makes
🢒
Chevrolet
🢒
2002
🢒
Monte Carlo
🢒
Body and Accessories
🢒
Retained Accessory Power
🢒 Retained Accessory Power (RAP) Schematics
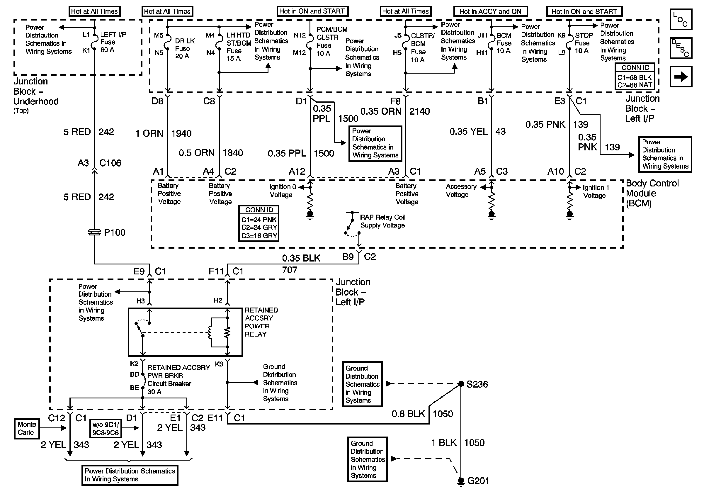
Figure
1:
Ground, Power, and RAP Relay
Master Electrical Component List
Retained Accessory Power (RAP) Description and Operation
Data Link, Door Locks, and Door Lock Switches
Junction Block-Underhood (Top) Bussing
CLSTR/BCM, DR LK, LEFT IP, LT HTD ST/BCM, and PWR MIR Fuses, RETAINED ACCSRY PWR BRKR Circuit Breaker, HEADLAMP, and RETAINED ACCSRY PWR Relays
CLSTR/BCM, DR LK, LEFT IP, LT HTD ST/BCM, and PWR MIR Fuses, RETAINED ACCSRY PWR BRKR Circuit Breaker, HEADLAMP, and RETAINED ACCSRY PWR Relays
A/C/CRUISE, A/C FAN, CRUISE, PCM/BCM/CLSTR, and PCM (CRANK) Fuses
A/C/CRUISE, A/C FAN, CRUISE, PCM/BCM/CLSTR, and PCM (CRANK) Fuses
CLSTR/BCM, DR LK, LEFT IP, LT HTD ST/BCM, and PWR MIR Fuses, RETAINED ACCSRY PWR BRKR Circuit Breaker, HEADLAMP, and RETAINED ACCSRY PWR Relays
A/C RLY (CMPR), AIR PMP RLY, BCM, CIG/AUX, EXT LTS, IGN SW, PCM, and WSW Fuses
ABS/PCM, SRS, STOP, and TURN SIGNAL Fuses
ABS/PCM, SRS, STOP, and TURN SIGNAL Fuses
G201 (1 of 2)
G201 (1 of 2)
G201 (1 of 2)
CLSTR/BCM, DR LK, LEFT IP, LT HTD ST/BCM, and PWR MIR Fuses, RETAINED ACCSRY PWR BRKR Circuit Breaker, HEADLAMP, and RETAINED ACCSRY PWR Relays
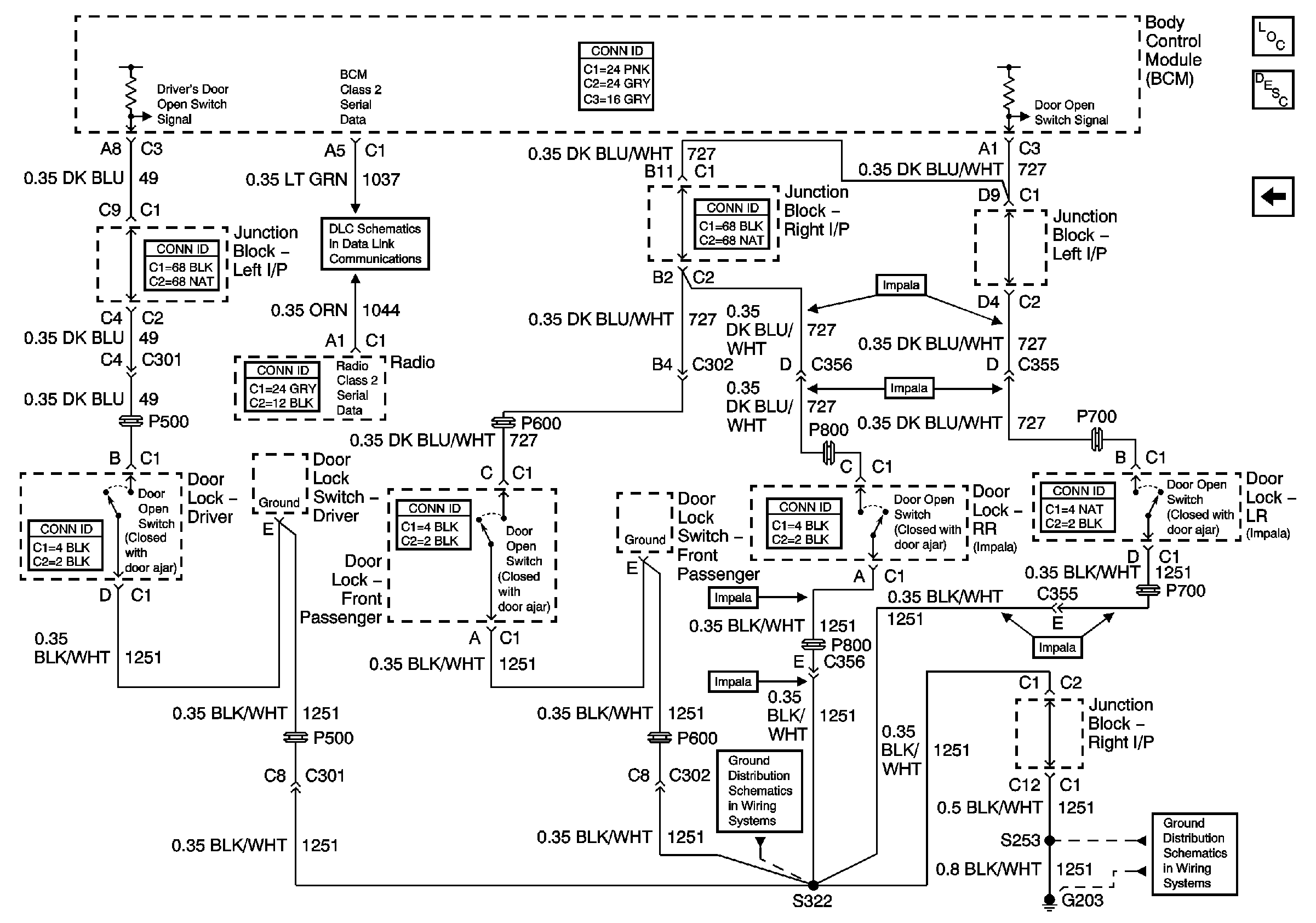
Figure
2:
Data Link, Door Locks, and Door Lock Switches
Master Electrical Component List
Retained Accessory Power (RAP) Description and Operation
Ground, Power, and RAP Relay
DLC Schematics
G203 (1 of 3)
G203 (2 of 3)