GM Service Manual Online
For 1990-2009 cars only
Makes
🢒
Chevrolet
🢒
2002
🢒
Monte Carlo
🢒
Body and Accessories
🢒
Wiring Systems
🢒 Door Lock/Indicator Schematics
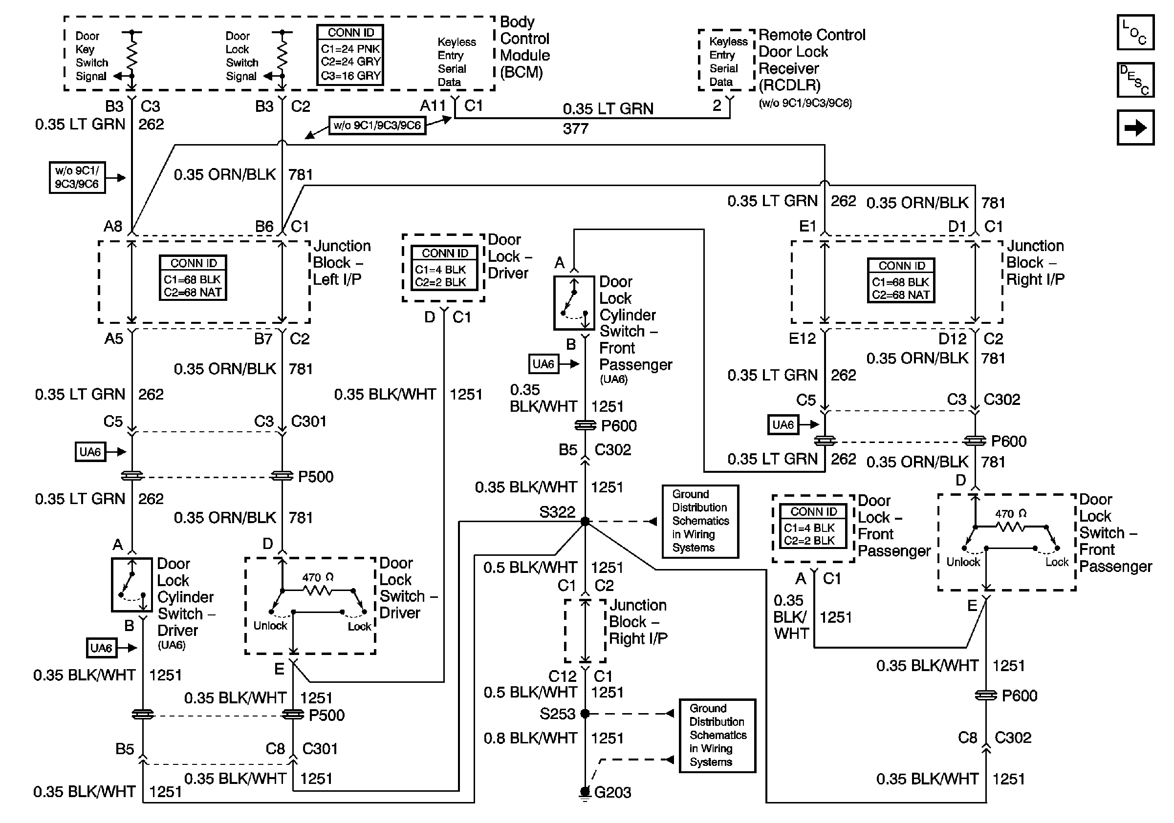
Figure
1:
Lock Switches
Master Electrical Component List
Power Door Locks Description and Operation
Door Lock Actuators
G203 (2 of 3)
G203 (1 of 3)
Figure
2:
Door Lock Actuators
Master Electrical Component List
Power Door Locks Description and Operation
Door Open Switches (Left)
Lock Switches
Figure
3:
Door Open Switches (Left)
Master Electrical Component List
Power Door Locks Description and Operation
Door Open Switches (Right)
Door Lock Actuators
Door Open Switches (Right)
Door Open Switches (Right)
Door Open Switches (Right)
G203 (2 of 3)
G203 (1 of 3)
Figure
4:
Door Open Switches (Right)
Master Electrical Component List
Power Door Locks Description and Operation
Door Open Switches (Left)
Door Open Switches (Left)
Door Open Switches (Left)
Door Open Switches (Left)