GM Service Manual Online
For 1990-2009 cars only
Makes
🢒
Chevrolet
🢒
2002
🢒
Monte Carlo
🢒
Body and Accessories
🢒
Wiring Systems
🢒 Headlights/Daytime Running Lights (DRL) Schematics
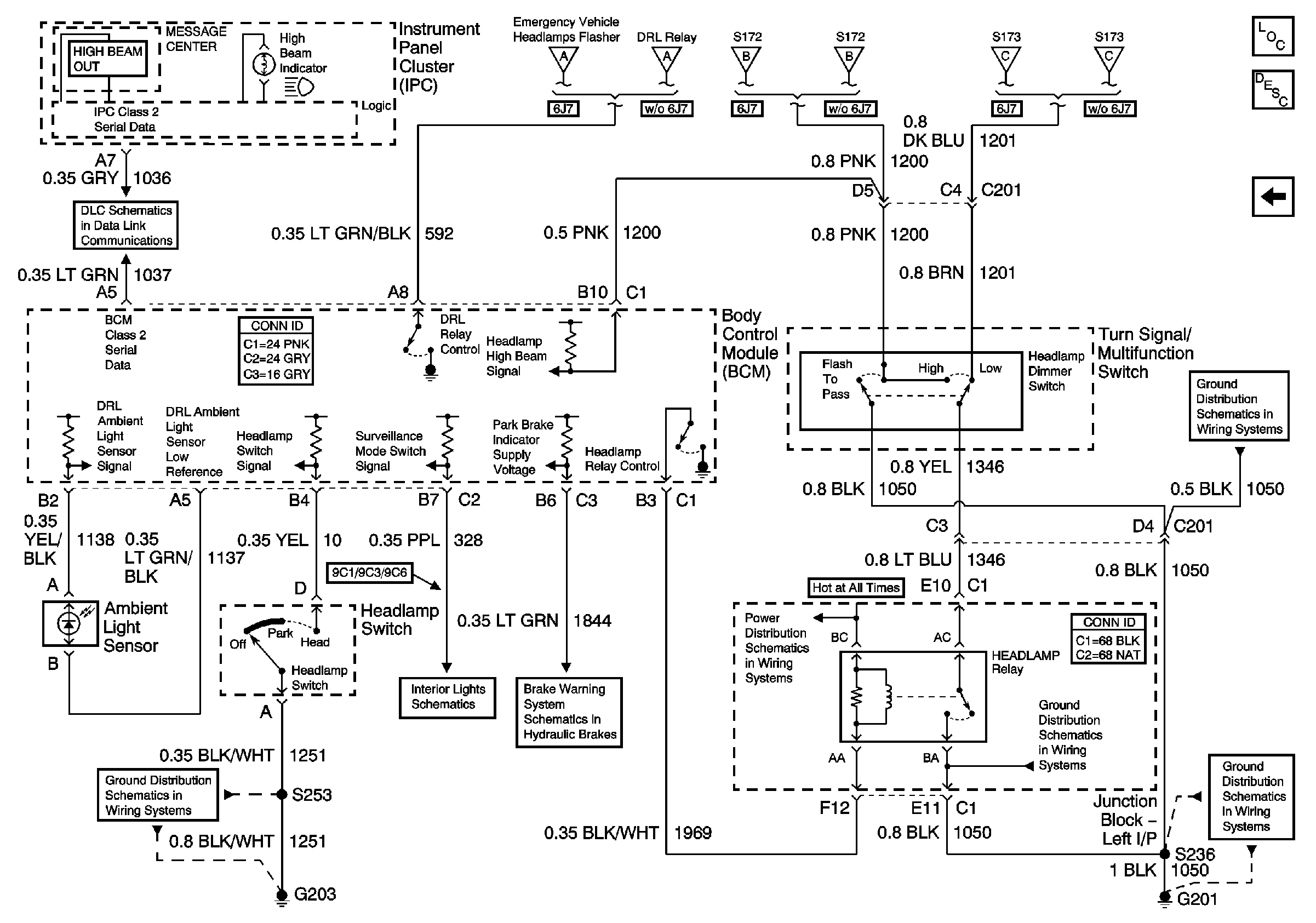
Figure
1:
DRL Relay, Headlamps, and Power (w/o 6J7)
Master Electrical Component List
Exterior Lighting Systems Description and Operation
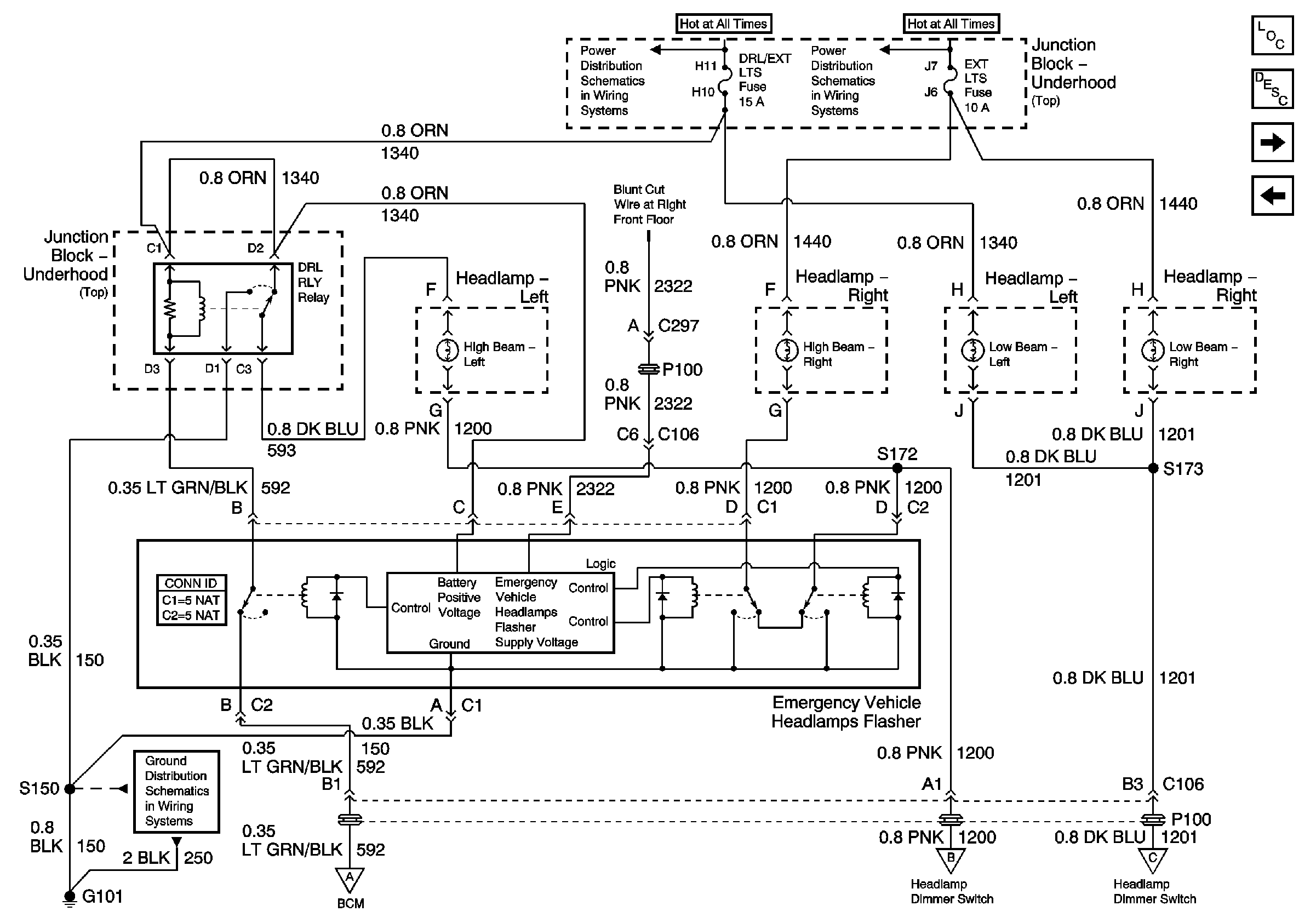
DRL Relay, Flasher, Headlamps, and Power (6J7)
Junction Block-Underhood (Top) Bussing
G101
Indicator, and Lamp Control
Indicator, and Lamp Control
Indicator, and Lamp Control
Figure
2:
DRL Relay, Flasher, Headlamps, and Power (6J7)
Master Electrical Component List
Exterior Lighting Systems Description and Operation
Indicator, and Lamp Control
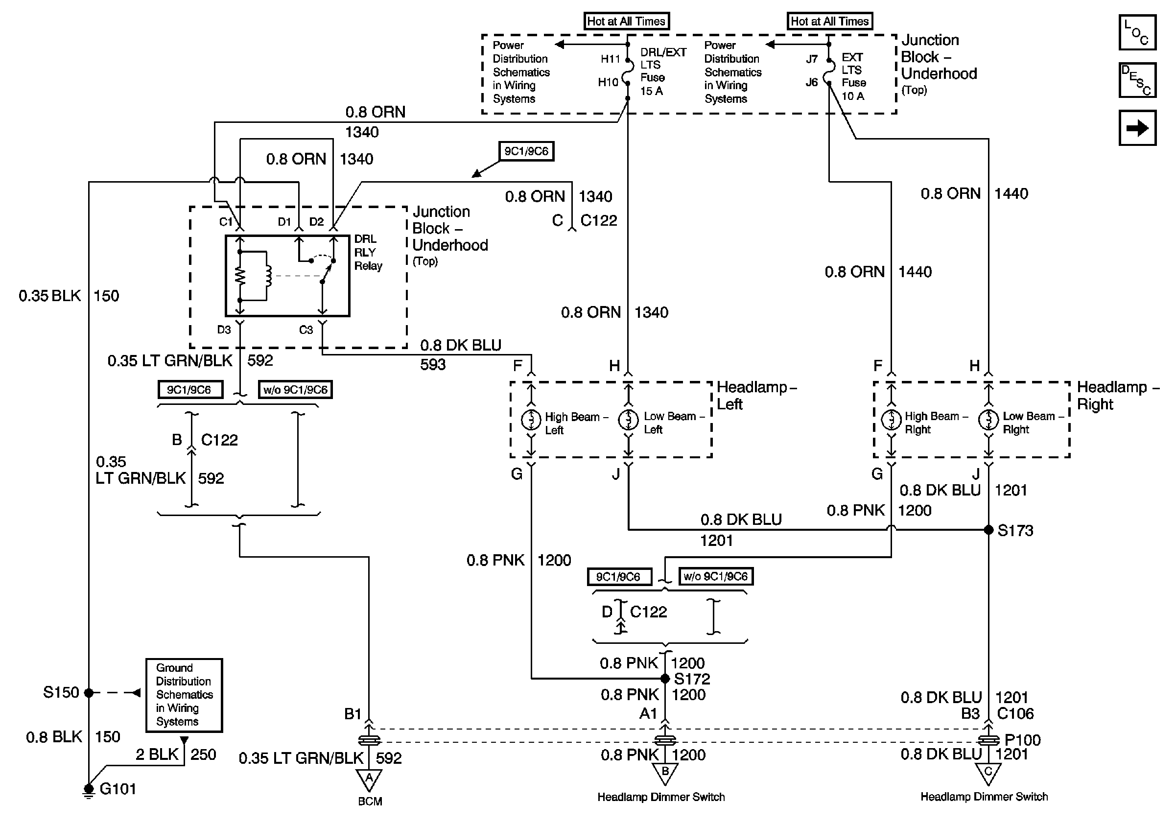
DRL Relay, Headlamps, and Power (w/o 6J7)
Junction Block-Underhood (Top) Bussing
Junction Block-Underhood (Top) Bussing
G101
Indicator, and Lamp Control
Indicator, and Lamp Control
Indicator, and Lamp Control
Figure
3:
Indicators, and Lamp Control
Master Electrical Component List
Exterior Lighting Systems Description and Operation
G201 (1 of 2)
DRL Relay, Flasher, Headlamps, and Power (6J7)
DLC Schematics
DRL Relay, Headlamps, and Power (w/o 6J7)
DRL Relay, Headlamps, and Power (w/o 6J7)
DRL Relay, Headlamps, and Power (w/o 6J7)
G201 (1 of 2)
G203 (1 of 3)
Courtesy Lamps Control, and I/P
Brake Warning Schematics
CLSTR/BCM, DR LK, LEFT IP, LT HTD ST/BCM, and PWR MIR Fuses, RETAINED ACCSRY PWR BRKR Circuit Breaker, HEADLAMP, and RETAINED ACCSRY PWR Relays
G201 (1 of 2)
DRL Relay, Flasher, Headlamps, and Power (6J7)
DRL Relay, Flasher, Headlamps, and Power (6J7)
DRL Relay, Flasher, Headlamps, and Power (6J7)