GM Service Manual Online
For 1990-2009 cars only
Makes
🢒
Chevrolet
🢒
2002
🢒
Monte Carlo
🢒
Body and Accessories
🢒
Wiring Systems
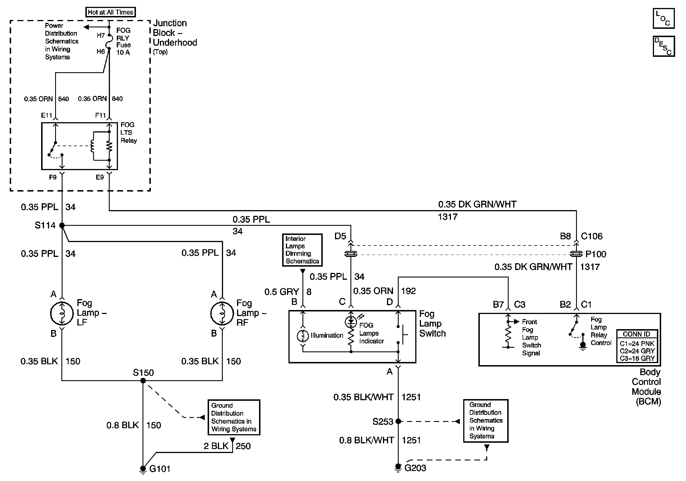
🢒 Fog Lights Schematics
Master Electrical Component List
Exterior Lighting Systems Description and Operation
Junction Block-Underhood (Top) Bussing
G101
G203 (1 of 3)
Fog Lamp Switch, and Front Passenger Door